2024-2025 学年第 1学期

 

 

 

 

课程名称:    Matlab控制系统仿真

课程性质:    专业选修课

授课学时:    32学时

授课对象:    机器人和轨道22

任课教师:    周峰

 

 

 

 

长沙理工大学电气学院

2024.7


全课程教案

 

一、基本信息

课程名称

Matlab控制系统仿真

课程编号

0808001150

课程性质

专业选修课

学分

2

教学安排

总学时32。其中讲授 18  学时,实验 14 学时,上机 0学时,实训  0学时

授课时间:第 1 周至第 11

周学时

2-4

相关课程与环节

先修课程与知识储备:《计算机与程序设计基础》,《程序设计应用基础》,《线性代数》,《自动控制原理》、《现代控制理论》等。

后继课程:《计算机控制技术》,《现代发电控制技术》,《智能控制》等

 

二、授课对象

基本情况

专业

机器人工程和轨道

年级

22

班级

22-1

修读人数

42+27

授课对象分析

修读学生必须对自动控制原理这门课有较深的掌握,掌握基础的C语言编程能力。

 

三、教学内容与安排

课程简介与要求

Matlab控制系统仿真》是一门实践性非常强的课程,教学过程中要用到Matlab软件,作业和实验也都是通过使用Matlab软件完成的。本课程的教学任务包含四个方面:首先要让学生学会Matlab软件的使用,主要讲授Matlab语言基础和Matlab程序设计方法,这是控制系统仿真的工具;其次,模型是控制系统仿真的基础,讲授几种实用的建模方法,帮助同学树立系统建模的概念;再次,讲授经典PID控制器的设计方法,和控制系统的分析方法;最后,讲授基于Simulink仿真环境的控制系统仿真方法,主要包括M语言和C-语言的S-Function编写方法。

课程目标

课程目标

支撑毕业要求指标点

与课程关联度

1.了解国内外控制系统仿真软件,增强对国产仿真软件的认知

1.1坚持社会主义核心价值观,具有坚定的政治立场,热爱祖国,具有为国家富强、民族昌盛而奋斗的志向和社会责任感,树立科学的世界观,具有人文社会科学素养,能够在自动化系统实践中理解并遵守工程职业道德和规范,履行责任。

H

2.利用白箱系统的还原论、黑箱系统辨识法和灰箱法的方法论,辨别一个系统使用的建模方法

3.1 能够运用数学、自然科学和工程科学的基本原理,分析影响复杂自动化系统的关键因素,能够采用合适的数学模型描述复杂自动化系统。

H

3.利用Matlab建立连续系统和离散系统状态空间和传递函数模型,并验证模型准确性

3.3能够运用数学、自然科学和工程科学的基本原理,分析复杂自动化系统性能,以获得有效结论。

M

4.利用Matlab 求解矩阵运算、多项式的操作各类方程的求解、符号运算、二维与三维绘图并进行简单程序设计、简单图形界面设计、simulink 仿真初步等。并对某一实际案例的模型进行仿真。

6.3能够针对具体的对象,开发或选用满足特定需求的仪器设备、信息资源、信息技术工具、现代工程工具和仿真软件,并能够分析其局限性。(开发现代工具)

H

5.利用Matlab软件的进行程序设计对某一控制系统进行建模、控制器设计优化和仿真,并对仿真结果进行分析。

5.2 能够针对复杂自动化工程问题的特征,设计合理的仿真实验方案,通过对仿真实验数据和结果的分析研究,得到复杂自动化系统设计方案是否合理的结论。

M

课程思政

哈尔滨工业大学被禁用Matlab,激发学生爱国热情,强调学习好 Matlab的重要性,将其用社会主义现代化建设相结合,实现为党育才、为国育才

教学方法

充分利用数字化技术、网络教学平台等,采用多媒体教学,课堂讲授结合讨论和案例教学,调动学习积极性,提高教学效率。结合学生个性特点,因材施教。通过对控制系统仿真与Matlab应用的学习,掌握Matlab程序设计、Simulink建模与仿真、S函数的设计和应用等知识技能。

    课堂讲授结合讨论、案例教学和研究性教学。要求学生掌握控制系统建模与仿真的基本知识、基本原理。培养学生分析问题、解决问题的能力。本课程采用高等学校自动化专业规范核心课程教材,结合学生个性特点,因材施教,调动学习积极性,提高教学效率。

教学重点

与难点

重点:仿真的相似原理与分类;Matlab语言;Matlab的数学计算;Matlab的程序控制流;Matlab与自动控制原理课的结合;Matlab数值求解微分方程;SIMULINK仿真原理;SIMULINK 3M文件;SIMULINK S函数。

难点:计算机仿真过程的步骤和模型化过程;Matlab的计算过程数形结合Matlab的程序编辑与调试过程;Matlab对一般控制系统的描述、分析的方法;龙格库塔法;SIMULINK物理建模;SIMULINK 3M调试和应用;SIMULINK 子系统封装和S函数封装;Matlab转化为C代码的方法

课程各教学环节内容与安排

知识单元

知识点

课内学时

教学方式

作业/测验

课外学习

控制系统仿真基础

1控制系统仿真的基本概念

2仿真研究的基本步骤

3控制系统仿真的应用和发展

4MATLAB/Simulink简介

2

PPT讲授+视频介绍

 

 

MATLAB基础

1MATLAB编程环境

2MATLAB基础知识

3矩阵运算,数组运算,符号运算

4MATLAB矩阵函数

5MATLAB绘图命令

6MATLAB程序设计

4

PPT讲授+软件编程操作

第二章课后习题 3,4,5

 

Simulink仿真工具

1Simulink演示

2Simulink模型的建立

3Simulink仿真方法

4S-Function的编写

4

PPT讲授+软件编程操作

第三章课后习题1-4

 

控制系统的数学模型

1控制系统的微分方程描述

2控制系统的传递函数描述

3控制系统的状态空间描述

4模型的连接和转换

2

PPT讲授+软件编程操作

第四章课后习题2-3

 

控制系统分析

1时域分析

2稳定性分析

3根轨迹分析

4频域分析

2

PPT讲授+编程举例

第五章课后习题1-2

 

控制器设计

1PID控制器设计

2控制器校正

3最优控制器设计

4

PPT讲授+软件编程操作

第六章课后习题1-5

 

注:课程目标、教学方法、重难点、教学环节(知识单元、知识点等)等内容应与教学大纲、教学日历一致。课外学习可包括学时和内容要求。

 

 

四、考核方式

考核项目

考核内容

考核方式

分值或占比

期末大作业

课程教学内容

报告论文

60

作业和试验

课后习题和实验

提交作业和实验报告

20

课堂表现

出勤率和课堂参与度

考勤、课堂讨论、课堂展示等

20

 

 

 

 

注:考核方式应符合课程教学大纲的要求。

 

五、教学资源

推荐教材

张袅娜,冯雷主编. 控制系统仿真. 北京: 机械工业出版社, 2014

参考材料

[1] 张俊红.控制系统仿真及Matlab仿真[M].机械工业出版社,2012

[2] 吴旭光.计算机仿真技术[M].化学工业出版社,2013

[3] 薛定宇.控制系统计算机辅助设计:Matlab语言与应用[M].清华大学出版社,2006

[4] 薛定宇.基于Matlab/Simulink的系统仿真技术与应用[M].清华大学出版社,2011

课程资源

教务处网络教学综合平台

http://pt.csust.edu.cn/meol/jpk/course/blended_module/column_manage.jsp?courseId=42276

教材分析与处理

参考多本相关资料,增加常微分方程组求解和系统封装相关内容。

 


分课时教案

知识单元名称

绪论

课次

1

授课类型

理论课讨论课实验课习题课其他

学时

2

课程目标与要求

  1. 了解控制系统仿真课程的性质和任务
  2. 了解计算机仿真的基本概念
  3. 了解仿真的分类,理解仿真模型

本单元重点

与难点内容

重点: 仿真的基本概念

难点: 仿真的分类和仿真意义

教学内容

 

  1. 学习这门课程需要了解的问题

a)         这么课程有什么用

b)        本课程可以学到什么

c)         这么课程难学吗

d)        这么课程枯燥吗

  1. 计算机仿真和辅助设计的基本概念

系统仿真是一门多学科的综合性技术,它以相似原理、控制论、系统论、信息技术和其他应用领域的相关专业技术为基础,以计算机和其他各种专用设备为工具,利用系统模型对实际的或设想的系统进行动态研究。

  1. 仿真的分类

a)         按模型分类:物理仿真,数学仿真

按计算机类型:模拟,数字,混合,现代计算机 

课程思政

华为、阿里等高科技公司的程序员利用 Matlab 开展大数据、 人工智能、云计算、5G 等方面的研究,并运用到国防和工农业生产当中。阿里的成功不仅得益于科技 创新,而且体现了精益求精、追求完美的工匠精神

教学过程设计:

教学方法及手段、课堂互动题设置、教学改革措施等

1.举例展示Matlab的发展和软件仿真的重要性(10min)

2. 多媒体和演示(25min)

3.教学互动(10min

作业与

思考题设置

生活中有哪些仿真的例子?

学习效果、学生反馈、反思改进措施等

具体的学习效果应该表现在以下几个方面:

学生应该能够理解和掌握仿真的基本概念、原理和应用。

反思和改进:

教学内容的完善:根据学生的实际需求和反馈,不断完善和更新教学内容,确保教学内容的实用性和前沿性。

 

备注

 

 

 

知识单元名称

控制系统仿真概述

课次

2

授课类型

理论课讨论课实验课习题课其他

学时

2

课程目标与要求

  1. 了解控制系统仿真的步骤
  2. 了解仿真技术的发展和应用

3.初步认识仿真软件

本单元重点

与难点内容

重点: 仿真的重要性

难点: 仿真的步骤

教学内容

  1. 控制系统仿真研究的步骤

a)       数学建模

b)       仿真建模

c)       仿真实验

d)       结果分析

  1. 自动化技术的应用

a)       航空航天

b)       军事武器

c)       工业应用

d)       日常生活

  1. 仿真技术的发展

a)       硬件方面

b)       软件方面

c)       虚拟现实技术

  1. 计算机仿真软件。

a)       Matlab简介

b)       Simulink简介

 

课程思政

大国重器跃然于世,民族腾飞势不可挡。国防科技人员利用 Matlab 和 Simulink 工具箱,构建完整的

基于模型的战斗机、舰艇、导弹的设计体系,为实现我国军工关键技术的赶超奠定了理论基础。正是

这些国之重器,铸就了人民安居乐业的新长城,从而培养同学维护祖国统一、自觉报效祖国的家国

情怀

 

教学过程设计:

教学方法及手段、课堂互动题设置、教学改革措施等

1.程序编写例子演示(10min)

2. 多媒体和演示(25min)

3.教学互动(10min

作业与

思考题设置

上网搜索了解控制系统仿真相关软件。

有C\C++等高级语言了,为什么还要MALTAB?

学习效果、学生反馈、反思改进措施等

思索Matlab对国家先进航空事业的帮助

备注

 

 

 

 

 

知识单元名称

Matlab语言基础

课次

3

授课类型

理论课讨论课实验课习题课其他

学时

2

课程目标与要求

  1. 熟悉Matlab桌面操作环境,掌握三大窗口的功能和使用方法;
  2. 掌握三大窗口常用的命令;

3.掌握Matlab中的变量定义方法;

本单元重点

与难点内容

重点: 三大窗口之间的关系和常用命令

难点: 变量的定义与显示

教学内容

 

  1. Matlab的安装、启动和退出
  2. 使用Matlab的命令窗口

a)       理解交互式语言的特点

b)       clc命令的使用

c)       命令历史窗口

  1. Matlab的工作空间

a)       使用帮助

b)       变量的存储命令save

c)       变量的导入命令load

d)       清空工作空间命令clear

  1. Matlab的当前目录

a)       当前目录的意义

b)       如何设置默认的当前目录

  1. 帮助的使用

a)       help命令的使用

  1. 变量的定义规则
  2. 常用的常量:ans、pi、inf、NaN、i、j
  3. 变量的运算和现实

a)       Matlab数据的几种显示格式

b)       fotmat命令的用法

 

课程思政

随着美国的打压,mathworks作为美国公司也有可能受到限制,所以我们要走向自主研发道路,开发matlab替代产品

教学过程设计:

教学方法及手段、课堂互动题设置、教学改革措施等

1.程序编写例子演示(10min)

2. 多媒体和演示(25min)

3.教学互动(10min

作业与

思考题设置

课后习题 3,4,5

学习效果、学生反馈、反思改进措施等

具体的学习效果应该表现在以下几个方面:

学生应该能够理解和掌握仿真的基本概念、原理和应用。

反思和改进:

教学内容的完善:根据学生的实际需求和反馈,不断完善和更新教学内容,确保教学内容的实用性和前沿性。

 

备注

 

 

 

知识单元名称

Matlab语言基础2

课次

4

授课类型

理论课讨论课实验课习题课其他

学时

2

课程目标与要求

掌握字符串的定义方法和使用场景

熟练掌握矩阵的输入与生成,掌握矩阵的基本运算及操作

掌握数组运算特点,区分带点运算与不带点运算点的不同;

本单元重点

与难点内容

重点: 基本的数学函数

难点: 矩阵的基本运算和数组的基本运算

教学内容

 

  1. 符号变量的定义和使用

a)       num2str命令的用法

  1. Matlab矩阵直接输入
  2. 矩阵的语句生成

a)       冒号运算符

b)       linspace函数和logspace函数

  1. 外部文件读取

a)       读取mat和txt文件函数load

b)       读取csv文件函数csvread

c)       读取xls文件函数xlsread

  1. 特殊矩阵生成

a)       全零阵zeros、单位阵eye、全1阵ones

b)       随机阵生成函数rand和randm

c)       模仿矩阵和帕斯卡矩阵生成函数magic、pascal

  1. 矩阵的基本操作

a)       元素的提取A(i,j)

b)       行、列的提取A(i,:),A(:,j)

c)       块提取A(i:j,m:n)

d)       一维排列A(:)

e)       矩阵的扩展和消除子块

  1. 矩阵的合并于翻转

a)       cat、flipud、fliplr、flipdim、rot90

  1. 矩阵运算

a)       加、减、乘、除和幂运算符 + - * / \ ^

  1. 基本函数运算

a)       行列式det、特征值eig、逆inv、转置、秩rank、迹trace

基本数组运算

课程思政

哈尔滨工业大学被禁用Matlab,激发学生爱国热情,强调学习好 Matlab的重要性,将其用与社会主义现代化建设相结合,实现为党育才、为国育才

教学过程设计:

教学方法及手段、课堂互动题设置、教学改革措施等

1.程序编写例子演示(10min)

2. 多媒体和演示(25min)

3.教学互动(10min

作业与

思考题设置

课后习题 6,7

学习效果、学生反馈、反思改进措施等

具体的学习效果应该表现在以下几个方面:

学生应该能够理解和掌握仿真的基本概念、原理和应用。

反思和改进:

教学内容的完善:根据学生的实际需求和反馈,不断完善和更新教学内容,确保教学内容的实用性和前沿性。

 

备注

 

 

 

知识单元名称

Simulink仿真工具

课次

5

授课类型

理论课讨论课实验课习题课其他

学时

2

课程目标与要求

  1. 熟练掌握基本的二维绘图命令;
  2. 掌握基本的M文件类型的区别及基本结构;
  3. 熟悉SIMULINK仿真工具箱

本单元重点

与难点内容

重点:Simulink框图搭建和仿真运行

难点: 框图的连线和参数设置

教学内容

  1. SIMULINK简介
  2. SIMULINK功能模块的处理

a)       模块库和常用模块简介

b)       模块参数修改等基本操作

c)       SIMULINK线的处理(模块的连接)

  1. SIMULINK自定义功能模块
  2. SIMULINK仿真的运行

 

课程思政

 

教学过程设计:

教学方法及手段、课堂互动题设置、教学改革措施等

1.程序编写例子演示(10min)

2. 多媒体和演示(25min)

3.教学互动(10min

作业与

思考题设置

思考题:数值求解微分方程的特点和方法

龙格库塔法的求解原理?

学习效果、学生反馈、反思改进措施等

具体的学习效果应该表现在以下几个方面:

学生应该能够理解和掌握仿真的基本概念、原理和应用。

反思和改进:

教学内容的完善:根据学生的实际需求和反馈,不断完善和更新教学内容,确保教学内容的实用性和前沿性。

 

备注

 

 

 

 

知识单元名称

Simulink仿真工具2

课次

6

授课类型

理论课讨论课实验课习题课其他

学时

2

课程目标与要求

1.掌握SIMULINK解法器的设置;

2.熟练掌握S-FUNCTION的编写及用法。

本单元重点

与难点内容

重点:解法器的设置

难点:S函数的程序编写

教学内容

SIMULINK子系统的封装

1)编辑MDL模型

2)用subsystem封装

3)封装前后对比,结果对比

 

二、S函数

1)作用

2)参数含义

3)建立一个S函数

 

三、比较两种封装的用途

1subsystem封装

2S函数封装

 

 

课程思政

s-函数在simulink里面结合了m语言提供了便捷自由的编程,就像我们大学生一样,在从小到大的学习生活中既要不离其宗,坚持党的领导,又要能自由发展自己的爱好,结合起来才能发挥最大的能量

教学过程设计:

教学方法及手段、课堂互动题设置、教学改革措施等

1.程序编写例子演示(10min)

2. 多媒体和演示(25min)

3.教学互动(10min

作业与

思考题设置

课后习题1-4

学习效果、学生反馈、反思改进措施等

具体的学习效果应该表现在以下几个方面:

学生应该能够理解和掌握仿真的基本概念、原理和应用。

反思和改进:

教学内容的完善:根据学生的实际需求和反馈,不断完善和更新教学内容,确保教学内容的实用性和前沿性。

 

备注

 

 

 

 

知识单元名称

控制系统的数学描述与建模

课次

7

授课类型

理论课讨论课实验课习题课其他

学时

2

课程目标与要求

  1. 理解系统建模的概念;
  2. 理解线性定常连续系统的微分方程模型
  3. 熟练掌握动态过程的传递函数描述;
  4. 熟练掌握动态过程的状态空间描述;
  5. 熟练掌握模型的转换及连接。

本单元重点

与难点内容

重点:各种模型的描述建立

难点:模型的转换和链接

教学内容

  1. 系统的分类
  2. 线性定常连续系统的微分方程模型
  3. 传递函数描述

a)       连续系统的传递函数模型

b)       零极点增益模型

c)       部分分式展开

  1. 状态空间描述

模型的转换与连接

课程思政

大国重器跃然于世,民族腾飞势不可挡。国防科技人员利用 Matlab 和 Simulink 工具箱,构建完整的

基于模型的战斗机、舰艇、导弹的设计体系,为实现我国军工关键技术的赶超奠定了理论基础。正是

这些国之重器,铸就了人民安居乐业的新长城,从而培养同学维护祖国统一、自觉报效祖国的家国

情怀

 

教学过程设计:

教学方法及手段、课堂互动题设置、教学改革措施等

1.程序编写例子演示(10min)

2. 多媒体和演示(25min)

3.教学互动(10min

作业与

思考题设置

课后习题2-3

学习效果、学生反馈、反思改进措施等

具体的学习效果应该表现在以下几个方面:

学生应该能够理解和掌握仿真的基本概念、原理和应用。

反思和改进:

教学内容的完善:根据学生的实际需求和反馈,不断完善和更新教学内容,确保教学内容的实用性和前沿性。

 

备注

 

 

 

知识单元名称

控制器设计

课次

8

授课类型

理论课讨论课实验课习题课其他

学时

2

课程目标与要求

了解PID含义,熟悉PID参数整定方法,掌握SIMULINKPID建模步骤、参数设置、求解过程、结果分析

本单元重点

与难点内容

重点: SIMULINK PID参数设置。

 

难点: SIMULINK PID仿真原理

教学内容

一、PID基础

1)连续式

2)离散式

 

二、Simulink建模

1)模块选择

2)参数设置

3)仿真结果

Matlab演示例子并讲解过程

课程思政

PID控制的哲理----人生控制论

 

P 就是你现在的力量,要抓住现在,立足于现在;

 

I  表示了过去经验的积累,要不断地反思过去,从反思中取得经验;

 

D  是针对未来适应突变的能力,不断学习,提高自身的修养,增强对未来突变的适应能力。

 

如果你能按PID控制人生,

 

才能不受一些外面因素的干扰,把握好人生的方向,快速、平稳地达到自己追求的目标。

教学过程设计:

教学方法及手段、课堂互动题设置、教学改革措施等

1.程序编写例子演示(10min)

2. 多媒体和演示(25min)

3.教学互动(10min

作业与

思考题设置

课后习题1-2

学习效果、学生反馈、反思改进措施等

具体的学习效果应该表现在以下几个方面:

学生应该能够理解和掌握仿真的基本概念、原理和应用。

反思和改进:

教学内容的完善:根据学生的实际需求和反馈,不断完善和更新教学内容,确保教学内容的实用性和前沿性。

 

备注

 

 

 

 

知识单元名称

控制器设计2

课次

9

授课类型

理论课讨论课实验课习题课其他

学时

2

课程目标与要求

掌握pid的工程整定方法

本单元重点

与难点内容

重点: 参数调整原理

难点:工程整定方法

教学内容

1.PID控制器的参数调整

2.液位控制系统的Matlab脚本程序的仿真方法

3、PID参数的整定

(1)ZN整定

(2)其方法

Matlab演示例子并讲解过程

 

课程思政

PID控制的哲理----人生控制论

P 就是你现在的力量,要抓住现在,立足于现在;

I  表示了过去经验的积累,要不断地反思过去,从反思中取得经验;

D  是针对未来适应突变的能力,不断学习,提高自身的修养,增强对未来突变的适应能力。

如果你能按PID控制人生,

才能不受一些外面因素的干扰,把握好人生的方向,快速、平稳地达到自己追求的目标。

教学过程设计:

教学方法及手段、课堂互动题设置、教学改革措施等

1.程序编写例子演示(10min)

2. 多媒体和演示(25min)

3.教学互动(10min

作业与

思考题设置

课后习题3-5

学习效果、学生反馈、反思改进措施等

具体的学习效果应该表现在以下几个方面:

学生应该能够理解和掌握仿真的基本概念、原理和应用。

反思和改进:

教学内容的完善:根据学生的实际需求和反馈,不断完善和更新教学内容,确保教学内容的实用性和前沿性。

 

备注

 

 

 

知识单元名称

实验一  MATLAB认识

课次

10

授课类型

理论课讨论课实验课习题课其他

学时

2

课程目标与要求

 1.   熟悉MATLAB软件的基本操作;

     2.  学会利用MATLAB进行基本数学计算的方法;

     3.  学会用MATLAB进行矩阵创建和运算。

本单元重点

与难点内容

矩阵运算

教学内容

1. 使用help命令,查找 sqrt(开方)、roots(求根)等函数的使用方法;

2. 用MATLAB可以识别的格式输入以下矩阵

           

并将A矩阵的右下角2×3子矩阵赋给D矩阵。赋值完成后,调用相应的命令查看MATLAB工作空间的占用情况。

3. 矩阵运算

1)矩阵的乘法

已知A=[1 2;3 4]; B=[5 5;7 8];

A^2*B

2)矩阵除法

已知 A=[1 2 3;4 5 6;7 8 9];

B=[1 0 0;0 2 0;0 0 3];

A\B,A/B

3)矩阵的转置及共轭转置

已知A=[5+i,2-i,1;6*i,4,9-i];

A.', A'

4)使用冒号选出指定元素

已知: A=[3 2 3;2 4 6;6 8 10];

A中第3列前2个元素;A中所有列第23行的元素;

 

 

4. 用已学知识求出

 

课程思政

 

教学过程设计:

教学方法及手段、课堂互动题设置、教学改革措施等

依靠多媒体发布实验任务,每个实验有多道题目,含有详细的任务描述、以及编程任务要求与测试说明。

学生按照提示说明,完成编程,获得实验结果及报告

 

作业与

思考题设置

 

学习效果、学生反馈、反思改进措施等

通过报告评分和当场实验结果展示验收来评估学生对知识内容的掌握与应用,以针对性加强相关章节及知识的讲解训练。

备注

 

 

知识单元名称

实验二 Matlab语言

课次

11

授课类型

理论课讨论课实验课习题课其他

学时

2

课程目标与要求

1.学会编写MATLAB的M文件;

2.熟悉MATLAB程序设计的基本方法;

3. 学会利用MATLAB绘制二维图形。

本单元重点

与难点内容

程序设计基本方法

教学内容

1. 选择合适的步距绘制出下面的图形

1,其中

(2)t[020]

3)在同一坐标系中绘制余弦曲线y=cos(t-0.25)和正弦曲线y=sin(t-0.5)t[02π]

2.基本绘图控制

绘制[04π]区间上的x1=10sint曲线,并要求:

1)线形为点划线、颜色为红色、数据点标记为加号;

2)给横坐标标注t,纵坐标标注y(t)

3.M文件程序设计

1)编写程序,计算1+3+5+7++(2n+1)的值(用input语句输入n 值);

(2)编写分段函数

的函数文件,存放于文件ff.m中,计算出  的值

4. 分别用for和while循环结构编写程序,求出

1!+2!+3!+4!+5!....+8!

 

课程思政

 

教学过程设计:

教学方法及手段、课堂互动题设置、教学改革措施等

依靠多媒体发布实验任务,每个实验有多道题目,含有详细的任务描述、以及编程任务要求与测试说明。

学生按照提示说明,完成编程,获得实验结果及报告

 

作业与

思考题设置

 

学习效果、学生反馈、反思改进措施等

通过报告评分和当场实验结果展示验收来评估学生对知识内容的掌握与应用,以针对性加强相关章节及知识的讲解训练。

 

知识单元名称

实验三 仿真模型

课次

12

授课类型

理论课讨论课实验课习题课其他

学时

2

课程目标与要求

1.学会用MATLAB建立控制系统的数学模型。

2.学会用MATLAB对控制系统的不同形式的数学模型之间的转换和连接。

 

本单元重点

与难点内容

模型的建立与转换

教学内容

1.建立控制系统的数学模型

(1)用MATLAB建立下述零极点形式的传递函数类型的数学模型:

(2)用MATLAB建立下述线性连续时间系统的状态方程类型的数学模型:

式中,

,,,

2.不同形式及不同类型间的数学模型的相互转换

(1)分子、分母多项式形式的传递函数模型与零极点形式的传递函数模型间的相互转换;

1)用MATLAB将下列分子、分母多项式形式的传递函数模型转换为零极点形式的传递函数模型:

 

 

2)用MATLAB将下列零极点形式的传递函数模型转换为分子、分母多项式形式的传递函数模型:

 

 

(2)分子、分母多项式形式的传递函数模型与状态方程模型间的相互转换

1)用MATLAB将下列分子、分母多项式形式的传递函数模型转换为状态方程模型:

2)用MATLAB将下列状态方程模型转换为分子、分母多项式形式的传递函数模型:

 

 

 

 

 

(3)零极点形式的传递函数模型与状态方程模型间的相互转换

1)用MATLAB将下列零极点形式的传递函数模型转换为状态方程模型

2)用MATLAB将下列状态方程模型转换为零极点形式的传递函数模型

 

 

 

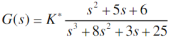
3. 用MATLAB命令求如下图2.1所示控制系统的闭环传递函数

               

                           图2.1

4. 在Simulink仿真环境下建立上述模型。

课程思政

 

教学过程设计:

教学方法及手段、课堂互动题设置、教学改革措施等

依靠多媒体发布实验任务,每个实验有多道题目,含有详细的任务描述、以及编程任务要求与测试说明。

学生按照提示说明,完成编程,获得实验结果及报告

 

作业与

思考题设置

 

学习效果、学生反馈、反思改进措施等

通过报告评分和当场实验结果展示验收来评估学生对知识内容的掌握与应用,以针对性加强相关章节及知识的讲解训练。

 

知识单元名称

实验四 Simulink操作

课次

13

授课类型

理论课讨论课实验课习题课其他

学时

2

课程目标与要求

1.掌握 simulink仿真

2.掌握 m 语言 S-Function 的编写方法。

 

本单元重点

与难点内容

s函数的编写

教学内容

1. 在 Simulink 环境下搭建液位控制系统仿真模型。

2. 用 S-Function 编写 PID 控制模块和水箱液位控制对象模型。

3. T=300,K=0.3。

 

课程思政

 

教学过程设计:

教学方法及手段、课堂互动题设置、教学改革措施等

依靠多媒体发布实验任务,每个实验有多道题目,含有详细的任务描述、以及编程任务要求与测试说明。

学生按照提示说明,完成编程,获得实验结果及报告

 

作业与

思考题设置

 

学习效果、学生反馈、反思改进措施等

通过报告评分和当场实验结果展示验收来评估学生对知识内容的掌握与应用,以针对性加强相关章节及知识的讲解训练。

 

知识单元名称

实验五 控制系统性能分析

课次

14

授课类型

理论课讨论课实验课习题课其他

学时

2

课程目标与要求

1. 掌握控制系统频率特性曲线绘制方法。                       
2. 学会用MATLAB绘制控制系统的根轨迹。
3. 学习控制系统动态响应曲线的绘制及动态性能指标的测试方法

本单元重点

与难点内容

频域分析

教学内容

1. 已知系统的开环传递函数为:

求系统在单位负反馈下的阶跃和斜坡输入响应曲线。

2. 系统开环传递函数如下:

    要求绘制系统根轨迹并进行系统分析确定系统变为不稳定时的k值。

  1. P116, 4.7
  2. 系统的开环传递函数试求:(1)系统的根轨迹;(2)系统稳定的K的范围;(3)K=1时闭环系统阶跃响应曲线
  3. 用m语言脚本程序编写液位控制系统的PID控制仿真程序,T=300,K=0.3采样周期为1s参考自控原理第二章(P54,图 2-22)

 

课程思政

 

教学过程设计:

教学方法及手段、课堂互动题设置、教学改革措施等

依靠多媒体发布实验任务,每个实验有多道题目,含有详细的任务描述、以及编程任务要求与测试说明。

学生按照提示说明,完成编程,获得实验结果及报告

 

作业与

思考题设置

 

学习效果、学生反馈、反思改进措施等

通过报告评分和当场实验结果展示验收来评估学生对知识内容的掌握与应用,以针对性加强相关章节及知识的讲解训练。

 

知识单元名称

实验六 PID控制仿真

课次

15

授课类型

理论课讨论课实验课习题课其他

学时

2

课程目标与要求

1.掌握 Simulink 软件的仿真方法。

2.熟悉实际系统动态结构图的建立方法。

 

本单元重点

与难点内容

控制系统simulink仿真方法

教学内容

1. 利用Simulink建立如图2.3所示模型进行时域系统分析,选择合适的增益k使系统跟踪输入给定信号。

                                图2.3

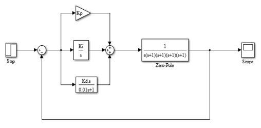
2. 建立如图2.4所示的典型PID控制位置随动系统模型,选择阶跃输入模块.用示波器观察系统的仿真输出。并对KpKiKd参数进行调整,使系统具有较满意的动态性能。采用工程整定法

 

 

 

 

图2.4  PID 控制系统结构图

 

打开各相应函数库,建立如图3所示的PID控制系统的结构图程序文件;

打开各元件参数设置窗口,输入各参数。先取Kp=5Ki=0.5Kd=1

打开simulation菜单,选择Parameter项,设定适当的仿真参数;

启动仿真,观察响应的动态特性;

调整KpKiKd参数,使得系统具有较满意的动态性能。

  1. 用Simulink搭建PID控制模块和水箱液位控制对象模型T=300,K=0.3,采样周期1s(参考自控原理第二章(P54,图 2-22))。
  2. P210, 6.3

 

课程思政

 

教学过程设计:

教学方法及手段、课堂互动题设置、教学改革措施等

依靠多媒体发布实验任务,每个实验有多道题目,含有详细的任务描述、以及编程任务要求与测试说明。

学生按照提示说明,完成编程,获得实验结果及报告

作业与

思考题设置

 

学习效果、学生反馈、反思改进措施等

通过报告评分和当场实验结果展示验收来评估学生对知识内容的掌握与应用,以针对性加强相关章节及知识的讲解训练。

 

知识单元名称

实验七 控制器校正和最优控制仿真

课次

16

授课类型

理论课讨论课实验课习题课其他

学时

2

课程目标与要求

1. 学习校正装置的设计和实现方法。
2.掌握MATLAB进行控制系统设计的基本方法

本单元重点

与难点内容

参数校正

教学内容

11.设被控对象的传递函数为:

设计方案,满足下列设计要求:

校正前和校正后的BODE图超前和滞后

2.已知系统开环传递函数,给定性能指标为超调量小于25%,,使用根轨迹矫正法确定校正环节,绘制校正前后根轨迹曲线和阶跃响应曲线。

课程思政

 

教学过程设计:

教学方法及手段、课堂互动题设置、教学改革措施等

依靠多媒体发布实验任务,每个实验有多道题目,含有详细的任务描述、以及编程任务要求与测试说明。

学生按照提示说明,完成编程,获得实验结果及报告

作业与

思考题设置

 

学习效果、学生反馈、反思改进措施等

通过报告评分和当场实验结果展示验收来评估学生对知识内容的掌握与应用,以针对性加强相关章节及知识的讲解训练。

 

1