附件2:教案参考模板

 

 

 

2024-2025学年第一学期

 

 

 

 

课程名称:    微机原理及单片机应用技术

课程性质:    专业基础课,选修课

授课学时:    56学时

授课对象:   电气、自动化、机器人等

任课教师:    彭赋

 

 

 

 

长沙理工大学电气学院

2024.8

全课程教案

 

一、基本信息

课程名称

微机原理及单片机应用技术

课程编号

0809000456

课程性质

专业基础课

学分

3.5

教学安排

总学时56。其中讲授   46学时,实验 10 学时,上机 0 学时,实训  0学时

授课时间:第1   周至第  10

周学时

6

相关课程与环节

先修课程:《计算机文化基础》,《电路》,《模拟电子技术》,《数字电子技术》

后继课程:《嵌入式系统B》、《计算机控制技术》

 

二、授课对象

基本情况

专业

电气、自动化

年级

2022

班级

电气22[1-3]

电气22[10-11]

自动化22[1-2]

修读人数

284

授课对象分析

学生学习的能力强,有较强的学习兴趣,学生已经学习了C语言程序设计、模拟电路和数字电路,初步具备软件程序分析能力,有一定的电子电路分析和设计能力,学生对微机系统的软件和硬件的概念有一定了解,但是微机原理概念多,内容抽象,单片机应用性、实践性强,学生对微机系统的工作原理难理解,没有设计过微机控制系统,学生的程序设计能力也较弱,没有独立编制控制程序,学生实践操作能力较弱。

 

三、教学内容与安排

课程简介与要求

微型计算机的发展日新月异,微机硬件技术及其应用已成为电气信息类、机电类等工科专业最重要的知识之一。《微机原理及单片机应用技术》课程是自动化专业学生学习运用计算机硬件应用知识的主要技术基础课程,课程主要介绍Intel x86系列微型计算机系统的构成原理、MCS-51系列单片机的组成原理、汇编语言程序设计及常用可编程接口芯片的工作原理与应用技术。课程的特点是面向应用、具有很强的理论性、实践性与综合性。通过本课程的学习,使学生从理论和实践上掌握现代微型计算机和单片微型计算机的基本组成、工作原理及典型接口技术,建立微机系统的整体概念,使学生具有运用现代微机技术进行软、硬件开发的初步能力,为后续相关专业课程的学习奠定基础。

课程目标

课程目标

支撑毕业要求指标点

与课程关联度

1、应用微机系统的基本概念和基本原理知识,对8086微机控制系统和51单片机应用系统的工作过程进行表述,对控制系统的汇编程序进行分析和解释。

2.1具有从事自动化专业工作所需数学、自然科学、工程基础和专业知识和技能。

M

2运用存储器技术、接口技术和中断技术,对自动控制系统中的微控制器、存储器、接口电路进行分析,并获得有效结论。

3.2 能够运用数学、自然科学和工程科学的基本原理,并通过文献查阅与研究,分析复杂自动化系统功能及其实现途径。(功能分析)。

M

3、运用微机控制系统的分析方法对复杂的自动控制工程问题进行功能分析,能够对多种设计方案进行论证,选择合理可行的解决方案。

4.2认知复杂自动化系统或装置设计有多种方案可供选择,能够通过文献研究、对比分析寻求优秀的解决方案。(方案论证)

H

4分析具体的控制对象特点,设计出单片机控制系统的硬件电路,用汇编语言设计出相应的控制程序,使用Proteus、Keil C51及STCISP等工具软件对单片机应用系统进行仿真和验证,并分析现有解决方案的不足,提出改进的设计方案,设计出满足特定需求的单片机应用系统,解决自动控制领域的复杂工程问题,体现创新意识。

5.1能够基于科学原理,通过文献研究或相关方法,调研和分析复杂自动化工程问题的解决方案。

H

课程思政

本课程结合微机应用行业特点,从前沿科技(行业前沿、科技成果等)、工程案例(国家工程、工程伦理等)、专家故事(科学家故事、大国工匠等)、时政热点(时政要闻、社会热点等)和文化积淀(传统文化、辩证理论等)五个维度挖掘专业知识中蕴涵的思想价值与精神内容,并找准思政内容与专业知识的“契合点”科学设计教学内容,将专业知识与思政元素自然的融合。将线上与线下结合、理论与实践结合和课内与课外结合,采用探究、研讨、启发、小组互动、实践操作等多种教学方式开展课程思政教学,让课程“活”起来,让学生在各种探究研讨活动中获得体验感和成就感,潜移默化地进行思想引领,提升学生的思想政治素养。

教学方法

本课程是一门操作性、技能性很强的课程,理论与实践并重。充分利用数字化技术、网络教学平台和学银在线等网络资源,采用线上线下混合教学模式,课前,教师提前布置学习任务,学生线上学习完成相关任务点的学习,完成知识点测试和积极参与交流讨论。课堂,教师运用翻转课堂、项目驱动、小组研讨等多种教学方法,融入“家国情怀”、“规则意识”、“追求卓越”、“诚信守时”等思政元素,对课程重难点知识进行重点讲解及拓展延伸,充分调动学生学习积极性,提高教学效率,加深学生掌握专业知识和领悟知识蕴含的精神内涵,建立更加完整的知识体系,并将所学知识举一反三解决实际问题。课后学生完成线上作业巩固所学知识,小组合作完善设计任务,并在线上进行讨论

教学过程中安排课前小测回顾上次课内容,课堂练习和讨论强化重点和难点内容,课后作业巩固所学知识,课程教学中将理论知识与工程实践相结合,利用仿真软件进行单片机应用系统的虚拟仿真;本课程至少安排设计型课外作业2次,要求学生分组合作完成,用仿真软件或实物完成一个整体的微机应用系统设计。通过设计任务让学生在实践中巩固理论知识,并教导学生在实践中时刻牢记“差之毫厘、谬以千里”,努力做到精准、精确与精益,在遇到困难时,鼓励学生不畏困难、执着进取,大胆创新,在教学过程中引导学生在做中悟、在悟中学,进一步提升他们的职业素质、实践创新能力和团队合作意识。

教学重点

与难点

重点:(1)微处理器8086的组成结构与原理;

(2)8086指令系统及汇编语言程序结构;

(3)存储器与微处理器的接口技术;

(4)接口的功能及微处理器与外设间的数据传送方式;

(5)中断系统的基本概念和管理;

(6)51单片机的功能结构原理及应用

(7)51单片机汇编语言程序设计;

(8)常用接口芯片的结构原理及编程应用。

 难点:(1) 堆栈操作和存储器的分段管理;

(2)存储器的扩展技术;

(3)中断响应和处理过程;

(4)接口应用电路的设计;

(5)应用程序的编制与调试;

(6)单片机应用系统的设计、仿真和调试。

课程各教学环节内容与安排

知识单元

知识点

课内学时

教学方式

作业/测验

课外学习

微型计算机基础知识

1、计算机发展历史和趋势

2、微型计算机的组成及工作原理

3、51系列单片机简介

4、计算机中数的表示和编码

2

线上线下混合

雨课堂练习

线上学习

8086微处理器

1、8086微处理器的内部结构

2、8086存储器组织

3、8086引脚及工作模式

4、8086总线操作时序

5、80X86微处理器简介

4

线上线下混合

雨课堂练习

线上学习

8086汇编语言与汇编程序

1、8086CPU的寻址方式

2、8086CPU的指令系统

3、伪指令

4、汇编语言源程序结构及上机过程

5、汇编语言基本结构程序设计

12

线上线下混合

案例教学

仿真调试

雨课堂练习

线上学习

半导体存储器

1、8086CPU的寻址方式

2、8086CPU的指令系统

3、伪指令

4、汇编语言源程序结构及上机过程

5、汇编语言基本结构程序设计

4

线上线下混合

雨课堂练习

线上学习

输入输出接口及中断

1、输入输出接口概述

2、CPU与外设间的数据传送方式

3、中断概念及8086中断系统

4、可编程中断控制器8259A

4

线上线下混合

雨课堂练习

线上学习

常用接口芯片

1、可编程中断控制器8259A

2、可编程并行接口8255A的结构及应用

3、可编程计数器/定时器8253的结构及应用

4

线上线下混合

案例教学

仿真调试

雨课堂练习

线上学习

51单片机的结构和原理

1、80C51的基本结构及引脚

2、CPU的功能

3、存储器组织

4、并行口结构

5、单片机最小系统

4

线上线下混合

雨课堂练习

线上学习

 51单片机的指令系统及程序设计

1、寻址方式

2、指令系统

3、汇编语言程序设计举例

4、单片机应用系统开发流程

4

线上线下混合

雨课堂练习

线上学习

51单片机的功能部件

1、中断系统的结构原理

2、中断系统应用举例

3、定时/计数器结构原理

4、定时/计数器典型应用

5、串行通信概述

6、串行口的结构原理

7、串行口应用举例

4

线上线下混合

案例教学

仿真调试

雨课堂练习

线上学习

常用接口技术

1、键盘、显示接口电路

2、D/A转换器0832的结构及应用

3、A/D转换器0809的结构及应用

 

4

线上线下混合

案例教学

仿真调试

雨课堂练习

线上学习

 

四、考核方式

考核项目

考核内容

考核方式

分值或占比

线上学习

课程教学内容

线上学习数据

10

课堂表现

出勤率和课堂参与度

考勤、课堂讨论、课堂展示等

5

课堂测验

各知识模块

随堂考试

5

设计作业

微机控制系统设计

设计报告、仿真或实物调试

10

实验

主要知识模块

实验操作

10

期末考试

课程教学内容

开卷

60

 

五、教学资源

推荐教材

微机原理与单片机接口技术,余发山、王福忠、杨凌霄、王莉,煤炭工业出版社出版,2013年版

参考材料

参考教材:

[1]微机原理与单片机接口技术,李精华,电子工业出版社,2018年版;

[2]微机原理及单片机应用技术王维新西安电子科技大学出版社,2014年版;

[3] 微机原理及单片机接口技术,张文利,中国科学技术大学出版社,2007年版

网站资源:

[1] 51单片机自学网:http://www.51zxw. net

[2] 宏晶STC单片机官网:http://www.stcisp.com

课程资源

学银慕课:

https://mooc2-ans.chaoxing.com/mooc2-ans/mycourse/tch?courseid=236271156&clazzid=81270791&cpi=33030777&enc=d27066f776e2e4526b3168a927300af4&t=1693972371655&pageHeader=0&v=2

https://mooc2-ans.chaoxing.com/mooc2-ans/mycourse/tch?courseid=227467014&clazzid=81137912&cpi=329551461&enc=07c7db772947cef414242e76947fb883&t=1693972353705&pageHeader

教材分析与处理

教材的第十章是介绍单片机的C语言编程,因为学生已经在大一学过C语言程序设计,对C语言的基本语句和程序结构都已学习,针对单片机的C语言编程学生可以自学完成,故本课程教学中就把这部分内容作为学生的课后自学内容,不在课堂中进行讲解。


分课时教案

知识单元名称

微机系统概述

课次

1

授课类型

理论课☑讨论课实验课习题课其他

学时

2

课程目标与要求

知识目标

1、掌握计算机的数制及其数制间的转换,了解常用的编码;

2了解微处理器的发展,掌握计算机的基本组成与工作原理。

能力目标

培养学生的科学思维能力、分析计算能力和科学归纳能力;

素质目标

1培养学生爱国主义精神;

2、唤起学生浓厚的专业兴趣及强烈的探索欲望。

本单元重点

与难点内容

教学重点

1、数制间的转换;

2微机的基本组成;

3、计算机的工作原理

教学难点

1、计算机的工作过程

2、CPU访问存储器的过程

教学内容

1课程简介及学习要求

2计算机的数制与编码;

3、计算机的组成原理

4、计算机的发展及应用

课程

思政

介绍我国信息产业“缺芯少核”的窘境,让学生认识到掌握核心技术的重要性、发展我国自己的芯片产业的迫切性,鼓励学生认真学好相关的基础学科知识并在此基础上勇于自主创新。

  1.  

教学过程设计

教学环节

教学活动

教学方法

思政元素

课前

在学习通上线上观看视频,学习8086的汇编指令格式和寻址方式,完成相应知识点测试。

线上学习

 

课中

课程引入

5分钟)

同学们的生活中已经离不开计算机了,你们用的手机、平板都是计算机系统。在美国商务部长雷蒙多访华第三天,2023年8月29日华为Mate 60 Pro作为全球首款支持卫星通话的高端智能手机低调上市,华为Mate 60 Pro是华为在美国全面技术封锁下,通过自主研发,创新突破,突破重重困难研制成功的。

计算机的硬件组成是怎样的?是如何工作的呢?我们如何设计一个微机应用系统?同学们通过学习这门课程可以找到答案。

师生互动

华为Mate60PRO手机实现全部国产化培养学生爱国主义精神,自主创新

课程简介(15分钟)

课程性质:该课程属计算机硬件基础课程,是学习微机组装、单片机应用开发、微机控制等课程的前序基础课。

课程内容:微机的基本结构;指令系统及编程;存储器结构及工作原理;I/O接口及应用。

学习方法:首先掌握微型计算机的基本慨念、基本原理,熟记其指令系统用指令和应用指令编写程序;掌握I/O接口的基本结构和接口应用。掌握51单片机的结构原理,应用单片机设计微机应用系统。

运用仿真软件进行软件程序调试能力锻炼,硬件系统搭建和仿真调试,锻炼实践创新能力。

 

PPT讲授

 

新课讲授

25分钟)

一、计算机中的数制与编码                                 

1、常用数制:十、二、十六进制

2、数制间的转换:十进制与二、十六进制间的转换,举例,学生练习

十进制转换为二、十六进制:

整数部分:除基取余,倒序排列,

举例,学生练习

小数部分:乘基取整,正序排列,

举例,学生练习

二、十六进制转换为十进制:按位权展开求和

3、符号数的表示:原码、反码、补码

     补码算法:原码取反加1

     补码的表示范围:-128~+127

     补码的运算规则:[X+Y]=[X]+[Y]举例说明,学生练习

提问:为什么在微机中要采用补码运算?

4、常用编码:BCD码、ASCII码,举例,学生练习

BCD码:压缩BCD码,非压缩BCD

ASCII码:常用字符的ASCII码,0~9A~Z   课堂练习

PPT讲授

二进制与《易经》的关系,增强文化自信

重难点

讲解

40分钟)

二、微型计算机概述                                   1、 计算机的发展

 计算机的发展主要经历了电子管、晶体管、小规模集成电路、大规模(LSI)和超大规模(VSLI)集成电路四个发展阶段:

微型计算机已从最初的4位微处理器芯片发展到64位微处理器芯片。

2、计算机的基本工作原理:存储程序控制方式

  计算机的工作原理: 任何复杂的运算和操作都可转换成一系列用二进制代码表示的简单指令,将组成程序的指令和数据存储起来,计算机按照规定的流程,

3、 微型计算机的组成

微型计算机通常由微处理器(即CPU)、存储器(ROMBAM)、IO接口电路及系统总线(包括地址总线AB、数据总线DB、控制总线CB)组成。

4、 微型计算机的特点和应用

1)微型计算机的特点

微型计算机除了具有一般计算机的运算速度快、计算精度高、记忆功能和逻辑判断力强、自动工作等常规特点外,还有它自己的独特优点。

2) 微型计算机的应用

微型计算机已成为人们工作和生活不可缺少的工具。

5、 现代微型计算机及相关技术的发展趋势

一是面向要求低成本的家电、传统工业改造及普及教育等的单片微型计算机;

二是面向更加复杂的数据处理,OADA科学计算等的微型计算机。

 

启发学生

思考得出

自结论

第一个电子计算机ENAIC研发过程,培养学生科学精神

 

【讨论】:微处理器、微机、微机系统有何不同?

引导学生了解微机的层次结构

交流讨论

 

课堂总结

5分钟)

本节主要了解计算机中的数制和码制。特别是计算机中二、八、十、十六进制之间的转换;原码、反码和补码的运算。了解微机的发展和历史,掌握微机的硬件结构,计算机的工作原理。  

总结归纳

 

 

课后

作业

1、将下列十进制数分别转换为二进制数、八进制数、十六进制数。

1)85        5)0.625   

2、写出下列用补码表示的二进制数的真值。

 1)01110011      2)11111110  

3、设有变量x=11101111B,y=11001001B,z=01110010B

(1)试计算x+y=? x+z=? y+z=?

(2)若为带符号数,判断上述计算结果是否溢出?

学习效果、学生反馈、反思改进措施等

 

备注

 

 


 

分课时教案

知识单元名称

2.1  8088/8086微处理器的基本结构

课次

2

授课类型

理论课☑讨论课实验课习题课其他

学时

2

课程目标与要求

知识目标

1、掌握8088/8086微处理器的基本结构和工作原理;

2、理解存储器的组织结构;

3、掌握存储器的分段管理原则,会用逻辑地址表示存储器单元。

能力目标

培养学生的科学思维能力、创新能力和科学精神;

 

素质目标

3、培养学生科学精神;

4、培养学生独立思考能力和探索欲望。

本单元重点

与难点内容

教学重点

1、8088/8086微处理器的基本结构和工作原理 

2、逻辑地址与物理地址的表示和转换

教学难点

3、CPU的工作过程

4、存储器的分段管理原则

教学内容

5、8086的功能结构及工作原理

6、8086的寄存器;

7、存储器的组织

课程

思政

 

介绍我国超级计算机的研制历程,激励学生努力学习,大胆创新,勇攀科学高峰。

 

教学过程设计

教学环节

教学活动

教学方法

思政元素

课前

在学习通上线上观看教学视频,学习8086的功能结构和存储器的组织管理,完成相应知识点测试。

线上学习

 

课中

课程引入

5分钟)

计算机的控制中心是什么?它是什么样的结构?如何工作的?

介绍我国超级计算机的研制历程,激励学生努力学习,大胆创新,勇攀科学高峰。

师生互动

“银河”、“天河三号”、“神威蓝光”等

知识梳理(50分钟)

2.1  微处理器

    1. 80868088 CPU的功能结构

8086 CPU由指令执行单元EU和总线接口单元BIU组成。

(1)指令执行单元EU

指令执行单元EU由算术逻辑运算单元ALU、1个16位标志寄存器FLAGS、1个数据暂存寄器、8个通用16位寄存器组和EU控制器等4个部件组成。其主要功能是执行指令。

(2)总线接口单元BIU

总线接口单元BIU是由1个20位地址加法器、专用寄存器组(段寄存器和指令指针寄存器等)、指令队列和总线控制逻辑等4个部件组成。其主要功能是形成访问存储器的物理地址、访问存储器取得指令并暂存到指令队列中等待执行,访问存储器或I/O端口以读取操作数参与EU运算或存放运算结果等。

(3)8088 CPU与8086 CPU 的区别

从CPU的内部结构来看,8088 CPU与8086 CPU很相似,仅有很小的区别。

 

PPT讲授

麒麟芯片9000介绍

自主创新

科技报国

2. 80868088 CPU的寄存器结构

(1)通用寄存器组

16位的数据或地址的数据寄存器AX、BX、CX、DX和主要用来存放操作数的偏移地址的指针、变址寄存器SP、BP、SI、DI。

(2)段寄存器 

4个16位段寄位器,分别是代码段寄存器CS,数据段寄存器DS,附加段寄存器ES和堆栈段寄存器SS。

   (3)标志寄存器FLAGS 

16位标志寄存器FLAGS,用来存放运算结果的特征和控制标志。其分为状态标志和控制标志两类,其中状态标志CF、PF、AF、ZF、SF、OF用来表示运算结果的特征;控制标志IF、DF和TF用来控制CPU的操作。

课堂练习

(4)指令指针寄存器IP

指令指针寄存器IP 是一个16位寄存器IP,用来存放将要执行的下一条指令在代码段中的偏移地址。在程序运行过程中,BIU自动修改IP中的内容,使它始终指向将要执行的下一条指令。

   3存储器组织                                             

存储器的分段管理                                 

8086寻址1MB的存储器分四类逻辑段:代码段、数据段、堆栈段、附加段

物理地址与逻辑地址的转换关系:物理地址=地址*16+偏移地址

课堂练习:1234H:5678H对应的物理地址是多少?

PPT讲授

 

重难点

讲解

30分钟)

【提问】:执行部件与总线接口部件如何协同工作?

通过简单指令讲解指令的执行过程

启发学生

思考得出

自结论

独立思考

【提问】:如何了解指令执行后的工作状态

掌握FLAG寄存器的各标志位的作用

启发学生

思考得出

自结论

独立思考

【讨论】:8086中为什么要进行存储器分段管理?引导学生理解和掌握存储器分段的原则

交流讨论

创新思维

课堂总结

5分钟)

本节主要学习了Intel 8086/8088 微处理器的基本结构和工作原理,请大家重点掌握8086微处理器的寄存器结构,存储器的分段管理,熟练掌握物理地址与逻辑地址的转换。

总结归纳

 

 

课后

作业

1、8086CPU 内部由哪两部分组成?它们的主要功能是什么?

5、3、2、有两个16位字1EE5H2A3CH分别存放在80x86微机的存储器的

000B0H000B3H单元中,请用图表示出它们在存储器里的存放情况。 

6、如果在一个程序开始执行以前(CS)=0A7F0H, (IP)=2B40H,试问该

程序的第一个字的物理地址是多少?

学习效果、学生反馈、反思改进措施等

 

备注

 


 

分课时教案

知识单元名称

2.2  8088/8086微处理器的引脚及时序

课次

3

授课类型

 

理论课☑讨论课实验课习题课其他

学时

2

课程目标与要求

知识目标

4、掌握8088/8086微处理器的引脚功能

5、会区分8086的最大和最小工作模式

6、理解总线操作时序

能力目标

培养学生的科学思维能力、分析计算能力和科学归纳能力;

 

素质目标

1、培养学生科学精神;

2、培养学生独立思考能力和探索欲望。

本单元重点

与难点内容

教学重点

18086微处理器的引脚功能

28086微处理器的总线操作时序

教学难点

1、最大和最小工作模式的基本配置

2、存储器的读写操作时序

教学内容

88086引脚功能

98086最大和最小工作模式

10、8086微处理器的总线操作时序

课程思政

介绍“龙芯之母”黄令仪的科学故事,激励学生努力学习,科技报国

 

教学过程设计

教学环节

教学活动

教学方法

思政元素

课前

在学习通上线上观看教学视频,学习8086的功能结构和存储器的组织管理,完成相应知识点测试。

线上学习

 

课中

课程引入

5分钟)

大家知道中国自主研发设计的第一枚CPU芯片是什么吗?讲解“龙芯之母”黄令仪的科学故事

师生互动

介绍“龙芯之母”黄令仪的科学故事

知识梳理(50分钟)

一、8086微处理器的引脚功能                            

40个引脚,分时复用

数据/地址引脚:AD15—AD0,A19/s6—A15/s3

控制信号:ALE,RESET,RD,WR,MN/MX,/S7 (常用) 

PPT讲授

 

二、8086微处理器的工作模式                             1)最小工7作模式及其系统结构

所谓最小模式,就是微型计算机系统中只有8086或8088一个微处理器。在这个系统中,所有的总线控制信号直接由CPU提供。要使8086工作在最小模式下,只需将8086CPU的MN/ 引脚接+5V。

8086在最小模式下的典型配置由以下几部分组成:

a.1片8284A,作为时钟发生器/驱动器,外接振荡源。

b.3片8282(8283)或74LS373,作为地址锁存器。

c.当系统中所连的存储器和外设较多时,需要增加数据总线的驱动能力,这时,要用2片8286/8287作为总线收发器。8286/8287都是三态输出8位双向数据缓冲器,两者的区别仅在于8286的8位输入信号和输出信号之间是同相的,而8287的是反相的。

2)最大模式和系统组成

在最大模式下,除了8282锁存器和8286数据收发器外,还增加了8288总线控制器。8288对CPU发出的控制信号进行变换和组合,以获得对存储器和I/O端口的读/写信号及对锁存器8282和总线收发器8286的控制信号。

三、总线操作时序                                           

1、基本概念                                             

1)时钟周期:时钟频率的倒数

2)指令周期:执行一条指令所需时间

3)总线周期:完成总线操作所需的时间                

2、总线操作时序                                        

1)存储器读操作时序

分析时序图,掌握地址、数据、控制信号的传送

的先后顺序

2)存储器写操作时序

分析时序图,掌握地址、数据、控制信号的传送

的先后顺序

分析IO端口的读写操作时序

四、现代微处理器简介                                      

1.80486 CPU的基本结构

80486CPU内部结构由总线结口、高速缓存、指

令预取、指令译码、控制、算术逻辑运算、浮段

和分页9大部件组成。

80486有3种工作方式,即实地址方式、保护方

式和虚拟8086方式。

2. Pentium微处理器简介

Pentium的功能结构

(1)超标量体系结构

(2)浮点指令流水线与浮点指令部件

(3)指令转移预测部件

(4)数据和指令高速缓存

PPT讲授

 

 

 

 

 

 

 

 

 

 

 

 

 

 

 

 

 

 

 

 

 

 

 

 

 

 

 

 

 

 

 

 

 

 

 

 

 

 

 

 

 

 

介绍国产“龙芯”的研发过程

 

 

 

 

重难点

讲解

30分钟)

【提问】:地址和数据是如何实现分时复用的?

掌握分时复用技术,理解地址锁存器的作用

启发学生

思考得出

自结论

独立思考

【提问】:最大模式下和最小模式下引脚的功能有哪些区别?

理解最大和最小模式的区别,掌握最小模式的基

本配置

启发学生

思考得出

自结论

独立思考

【讨论】:了解总线时序有何作用?

引导学生理解和掌握CPU访问存储器的基本过程和各个控制信号产生的先后次序,为后面设计微机控制系统电路打下基础。

交流讨论

创新思维

课堂总结

5分钟)

本节主要学习了Intel 8086/8088 微处理器的引脚功能、工作模式和总线时序,请大家重点掌握8086微处理器的地址引脚、数据引脚和常用的控制引脚,熟练掌握基本的总线操作时序。

总结归纳

 

 

课后

作业

总结现在流行的处理器有哪些?各有什么特点?

学习效果、学生反馈、反思改进措施等

 

备注

 

 


分课时教案

知识单元名称

8086指令系统概述和寻址方式

课次

4

授课类型

理论课☑讨论课实验课习题课其他

学时

2

课程目标与要求

知识目标

 

1、掌握8086指令系统的指令格式

2、掌握8086指令系统的寻址方式

 

能力目标

1、培养学生的科学思维能力、分析计算能力、实验研究能力和科学归纳能力;

 

素质目标

5、树立学生严肃认真的科学作风和理论联系实际的工程观点;

6、唤起学生浓厚的专业兴趣及强烈的探索欲望。

本单元重点

与难点内容

教学重点

1、汇编语句的格式

2、8086指令系统的寻址方式

教学难点

1、存储器操作数的寻址方式及寻址过程

 

教学

内容

11、8086指令系统的指令格式

12、8086指令系统的寻址方式

课程

思政

通过引用我国开发银河巨型计算机的艰苦卓越的奋斗过程,强调计算机对科学发展的重要性,以及计算机实现国产化的迫切性,从来激发学生学习本课程的积极性。

教学过程设计

教学环节

教学活动

教学方法

思政元素

课前

在学习通上线上观看视频,学习8086的汇编指令格式和寻址方式,完成相应知识点测试。

线上学习

 

课中

课程引入

5分钟)

同学们的生活中已经离不开计算机了,你们一般利用计算机做什么呢?

计算机是如何实现这些功能的呢?

师生互动

银河

计算机

学生学习反馈

5分钟)

测试题完成情况、问题反馈

学习通数据反馈

 

知识总结

梳理

45分钟)

一、8086指令的基本格式

8086指令的一般格式如下:

操作码  [操作数],[操作数]

操作码用便于记忆的助记符来表示。

8086系统中的操作数主要分为三类:立即数操作数、寄存器操作数和存储器操作数。

立即数操作数:指令中给出的具有固定数值的操作数,即常数。

寄存器操作数:操作数事先存放在某寄存器中(CPU的通用寄存器、专用寄存器或段寄存器),只要知道寄存器的名称就可以寻找到操作数。

存储器操作数:操作数事先存放在存储器中存放数据的某个单元,只要知道存储器的地址即可寻到操作数。操作数也可以存放在堆栈中。

二、8086 CPU的寻址方式

在8086系统中,一般将寻址方式分为两类:一类是寻找操作数的地址;另一类是程序寻址.

1)立即数寻址

立即数寻址中,指令所用的8位或16位操作数(立即数)作为指令的一部分,紧跟在指令的操作码之后,存放于内存的代码段中。在CPU取指令时随指令码一起取出并直接参加运算。

MOV AX2000H

    ADD AX4000H

2)寄存器寻址

寄存器寻址方式的特点是:操作数存放在CPU内部的寄存器中,指令中指定寄存器号。

MOV AX,BX

    ADD AX,CX

采用寄存器寻址方式的指令在执行时,操作就在CPU内部进行,而不需要访问存储器,因而执行速度快。

3)直接寻址

直接寻址,是在指令的操作码后面直接给出操作数的16位偏移地址,直接寻址是对存储器进行访问时可采用的最简单的方式。

MOV AX,[2000H]

    ADD AX,[4000H]

注:为区分数据和地址,需将直接地址用[ ]括起来。

4)寄存器间接寻址

寄存器间接寻址的特点是:操作数的有效地址在基址寄存器BX、BP或变址寄存器SI、DI中,而操作数则在存储器中。其操作数的段基址有以下两种情况:

第一种情况是:在默认情况下,当使用BX、SI、DI寄存器时表示操作数在当前数据段(DS给出段基址);当使用BP时表示操作数在当前堆栈段(SS给出段基址)。

第二种情况是:在指令中指定段超越前缀来取其他段中的操作数。

:MOV AX,[SI]

    MOV AX,[BP]

    MOV AX,DS:[BP]

5)寄存器相对寻址

寄存器相对寻址的特点是,操作数的有效地址EA(即偏移量)是一个基址或变址寄存器的内容加上指令中指定的8位或16位位移量(Displacement)。

EA=寄存器的内容+8位或16位位移量 

 例:MOV AX,10H[SI];EA=SI+10H

     MOV AX,[BP+2000H];EA=BP+2000H

MOV AXCOUNT[BP]EA=BP+COUNT

6)基址变址寻址

基址变址寻址中的操作数的有效地址是一个基址寄存器(如BX、BP)和一个变址寄存器(如SI、DI)的内容之和,两个寄存器均由指令指出。操作数的段地址分配和前面所述相同,即使用默认段基址或使用段超越前缀来指定段基址。

EA=BX或BP+SI或DI 

:MOV AX,[BX][SI]

    MOV AX,[BP+DI]

7)相对基址变址寻址

相对基址变址寻址中操作数的有效地址是一个基址寄存器和一个变址寄存器的内容和8位或16位位移量这三者之和。同样地,当使用基址寄存器BX时,缺省的段寄存器是DS;当使用基址寄存器BP时,缺省的段寄存器是SS。

EA=BX或BP+SI或DI+8位或16位位移量

:MOV AX,10H[BX+SI]

    MOV AX,[BP+DI+2000H]

MOV AXCOUNT[BP][SI]

PPT讲授

 

重难点

讲解

20分钟)

【问题1】:直接寻址和立即数寻址的区别?

举例讲解寻址格式的易错点

启发学生

思考得出

自结论

 

【问题2】:直接寻址和间接寻址的区别?

讲解数据和地址的区别,以及格式的区别和易错的地方

引导学生了解ROM存储空间的使用注意事项

弹幕、抢

师生互动

 

【讨论1】:总结8086指令系统的七种寻址方式的特点和寻址过程?

引导学生完成七种寻址方式的思维导图。

总结归纳

结果

 

课堂练习

10分钟)

学习通发布课堂练习

巩固练习

加深理解

 

课堂总结

5分钟)

引导学生总结课堂学习内容,画出思维导图

翻转课堂

 

课后

作业

1、写出把首地址为BLOCK的字数组的第6个字送到DX寄存器的指令。要求使用以下几种寻址方式:

(1) 寄存器间接寻址

(2) 寄存器相对寻址

(3) 基址变址寻址

2、根据以下要求写出相应的汇编语言指令

(1) 用寄存器BX和SI的基址变址寻址方式把存储器中的一个字节传送到AL寄存器中。

(2) 用寄存器BX和位移量0B2H的寄存器相对寻址方式把存储器中的一个字和(CX)相加,并把结果送回存储器中。

(3) 将AX寄存器中的高8位取反,低8位置1;

思考题

8086CPU为什么需要寻址,寻址的意义是什么?

学习效果、学生反馈、反思改进措施等

 

备注

 


分课时教案

知识单元名称

数据传送指和算术运算指令

课次

5

授课类型

理论课☑讨论课实验课习题课其他

学时

2

课程目标与要求

知识目标

 

1、掌握8086指令系统中的数据传送指令格式及应用

3、掌握8086指令系统中的算术运算指令的指令格式及应用。

 

能力目标

1、培养学生的科学思维能力、分析计算能力、实验研究能力和科学归纳能力;

2、通过问题讨论,锻炼分析问题、解决问题的能力;

 

素质目标

7、树立学生严肃认真的科学作风和理论联系实际的工程观点;

8、唤起学生浓厚的专业兴趣及强烈的探索欲望。

本单元重点

与难点内容

教学重点

1、数据传送指令

2、算术运算指令

教学难点

1、堆栈指令

2、地址传送指令

3、十进制调整指令

教学

内容

13、数据传送指令

14、算术运算指令

课程

思政

通过和学生介绍我国计算机软件发展的现状,距离国产化还有较大的距离,激发学生为祖国软件事业努力学习的爱国热情。

教学过程设计

教学环节

教学活动

教学方法

思政元素

课前

在学习通上线上观看视频,学习数据传送指令和算术运算指令等内容,完成相应知识点测试。

线上学习

 

课中

课程引入

5分钟)

计算机是如何实现数据传送和运算的呢?

师生互动课程思政

我国计算机发展现状

学生学习反馈

5分钟)

测试题完成情况、问题反馈

学习通数据反馈

 

知识总结

梳理

20分钟)

1、数据传送类指令

数据传送类指令常用于将原始数据、中间运算结果、最终结果及其他信息在CPU的寄存器和存储器之间进行传送。

1)通用数据传送指令

通用数据传送指令的一般形式为:

MOV  distsrc       distsrc

使用MOV指令要注意以下几点:

(1)立即数、CS只能作为源操作数,不能作为目的操作数。

(2)立即数不能直接传送到段寄存器,但可通过其他寄存器或堆栈传送。

(3)MOV指令的两个操作数类型必须相同。

(4)段寄存器之间不能直接传送,两个内存单元之间不能直接传送。

2)交换指令XCHG(eXCHanGe)

交换指令一般形式为:

    XCHG  reg, mem/reg

3)堆栈操作指令

堆栈操作指令共有两条:

PUSH   mem/reg/segreg

POP   mem/reg/segreg

8086的堆栈操作必须遵循以下原则:

·堆栈的存取每次必须是一个字(16位),而不能是单独一个字节。

·堆栈指令中的操作数只能是存储器或寄存器操作数,而不能是立即数。

·堆栈指针SP总是指向栈顶.所谓栈顶,是当前可用堆栈操作指令进行数据交换的存储单元。

·入栈时“先减后压”(SP先减2,再压入操作数),出栈时“先弹后加”(弹出操作数后,SP加2)。

4)地址传送指令

1取有效地址指令LEALoad Effective Address

LEA指令的格式为: LEA reg,mem

例,设BX=1000H,DS=6000H, [61050H]=33H,[61051H]=44H,试比较以下两条指令单独执行时的结果。

LEA  BX[BX+50H]

MOV  BX[BX+50H]

执行第一条指令后BX=1050H;执行第二条指令后BX=4433H

(2)地址指针装到DS和指定的寄存器指令LDS(Load pointer with DS)

LDS指令的一般格式为:LDS  reg ,mem

例如:设当前DS=1000H,(12210H)=50H、(12211H)=34H、(12212H)=00H(12213H)=30H,则执行指令

         LDS DI,[2210H]   ; DI=3450H  DS=3000H,

(3)地址指针装到ES和指定的寄存器指令LES(Load pointer with ES)

LES指令格式为:  LES  reg,mem

LES指令与LDS指令功能类似,只是把DS换成ES。操作时将段地址(后一个字)传送ES段寄存器。

要注意LDS、LES两条指令都是传送一个目的地址指针(包括一个偏移地址和一个段地址),共32位数据;源操作数必须是存储器操作数。

5)标志寄存器传送指令

LAHF/ SAHF/ PUSHF/POPF

2、 算术运算类指令   

1)加法指令

加法指令共有三条,其一般形式如下:

(1)不带进位加法指令:     ADD  mem1/reg1, mem2/reg2/data

(2)带进位加法指令:       ADC  mem1/reg1,mem2/reg2/data

(3)增量指令             INC reg/mem

注意:ADD、ADC指令的操作对标志位ZF、CF、OF、PF、SF等会产生影响;INC指令对CF没有影响,而对ZF、OF、SF、PF、AF等会产生影响。

例:下列指令执行后的结果是多少?标志状态是怎样?

MOV AX,7468H

ADD AX,98ABH

2)减法指令

(1)不带借位的减法指令:

SUB   mem1/reg1,mem2/reg2/data

(2)带借位减法:

  SBB   mem1/reg1,mem2/reg2/data

(3)减量指令:   DEC   reg/mem

(4)取补指令:NEG   mem/reg

(5)比较指令:CMP  mem1/reg1, mem2/reg2/date

3)乘法指令

(1)    无符号乘法指令: MUL  mem/reg

(2)    带符号数的乘法指令:IMUL mem/reg

IMUL指令要求两乘数都为带符号数(补码),且乘积也是补码表示的数,若乘积的高半部分是低半部分的符号位的扩展,则OF=CF=0;否则OF=CF=1。

4)除法指令

(1)    无符号数的除法指令:   DIV  mem/reg

   (2)带符号数的除法指令:IDIV  mem/re

该指令的格式和功能与DIV指令相同,只不过在IDIV指令中,操作数是补码数,商和余数也是补码数,其中商可能为正或负数,余数总是与被除数的符号相同,为正或负数。

例:已知程序段如下:

  MOV AX,1234H

  MOV CL,4

  ROL AX,CL

  DEC AX

  MOV CX,4

  MUL CX

  INT  20H

试问:(1)每条指令执行后,AX寄存器的内容是什么?(2)每条指令执行后,CF,SF及ZF的值分别是什么?(3)

例:下列指令执行后的结果是多少?标志状态是怎样?

MOV AX,7468H

ADD AX,98ABH

5)  十进制调整指令:调整的原则和方法

PPT讲授

 

重难点

讲解

45分钟)

【问题1】:如何用堆栈实现AX和BX的内容互换?

讲解实现的几种不同指令。

启发学生

思考得出

自结论

 

【问题2】:提问:比较指令何时使用?

讲解比较指令在程序中的应用场合。

弹幕、抢

师生互动

 

【讨论1】:为什么BCD码数运算要进行调整?

复习压缩BCD码和非压缩BCD码的概念

举例讲解调整指令的基本原则

小组讨论

仿真验证

结果

 

课堂练习

10分钟)

学习通发布课堂练习

巩固练习

加深理解

 

课堂总结

5分钟)

引导学生总结课堂学习内容,画出思维导图

翻转课堂

 

课后

作业

1.带符号与不带符号数的运算结果如何区别?

2.求补指令的运算和求补码有何区别?

学习效果、学生反馈、反思改进措施等

 

备注

 


分课时教案

知识单元名称

逻辑运算、移位循环指令串操作指令

课次

6

授课类型

理论课☑讨论课实验课习题课其他

学时

2

课程目标与要求

知识目标

 

1、掌握8086指令系统中的逻辑运算的指令格式及应用;

4、掌握8086指令系统中移位循环指令格式及应用;

3、掌握8086指令系统串操作指令的指令格式及应用。

 

能力目标

1、培养学生的科学思维能力、分析计算能力、实验研究能力和科学归纳能力;

2、通过问题讨论,锻炼分析问题、解决问题的能力。

 

素质目标

9、唤起学生浓厚的专业兴趣及强烈的探索欲望;

10、能够树立严肃认真的科学作风和理论联系实际的工程观点。

本单元重点

与难点内容

教学重点

1、逻辑运算指令

2、移位指令

3、串操作指令

教学难点

1、测试指令

2、串操作指令

教学

内容

15、逻辑运算指令

16、移位循环指令

17、串操作指令

课程

思政

介绍数据安全的重要性,数据安全在生产生活和国家安全各方面占据非常重要的地位,介绍保障数据安全的基本方法,提高学生保障数据安全的意识。

教学过程设计

教学环节

教学活动

教学方法

思政元素

课前

在学习通上线上观看视频,学习逻辑运算、移位循环指令串操作指令等内容,完成相应知识点测试。

线上学习

 

课中

课程引入

5分钟)

计算机是如何实现数据传送和运算的呢?

工程案例

课程思政

计算机数据的重要性

学生学习反馈

5分钟)

测试题完成情况、问题反馈

学习通数据反馈

 

知识总结

梳理

20分钟)

一、逻辑运算指令  

1、与运算指令AND

运算的特点与应用,举例练习

2、或运算指令OR

运算的特点与应用,举例练习

3、异或运算指令XRL

异或运算的特点与应用,举例练习

4、非运算指令NOT

运算的特点与应用,举例练习

5、测试指令TEST

二、逻辑移位指令 

1、非循环移位指令

指令的执行过程,举例说明

2、循环移位指令

指令执行过程,举例说明

三、串操作指令                                        (约25min)

1、串操作的规定

2、串操作指令

传送指令:MOVSB/MOVSW/MOVS  distsrc

读串指令:LODSB 、LODSW 、LODS  src

存串指令:STOSB 、STOSW 、STOS  dist

比较指令: CMPSB 、CMPSW 、CMPS  dist,src

扫描指令:SCASB 、SCASW 、SCAS  dist

掌握串指令的执行过程      举例说明

3、重复前缀

REP/REPNE/REPNE

PPT讲授

 

重难点

讲解

45分钟)

【问题1】:如何实现将一个字节数的高四位清零,低四位取反?

讲解逻辑运算指令的灵活运用

启发学生

思考得出

自结论

 

【问题2】:TEST AL,80H指令执行后,ZF=1意味着什么?

讲解不同运算指令对标志位的影响

弹幕、抢

师生互动

 

【讨论1】:串操作指令前缀指令分别在什么情况下与相应的串操作指令结合使用。

总结串操作指令的使用方法

小组讨论

验证

结果

 

【问题3】:如何实现多字节长的一个数实现逻辑左、右移?

讲解拓展使用移位指令的方法。

 

总结归纳

验证

结果

 

课堂练习

5分钟)

学习通发布课堂练习

巩固练习

加深理解

 

拓展应用

5分钟)

串操作指令在什么场合可以提高程序的效率。

 

 

案例教学

课程思政

编程要严谨和高效

课堂总结

5分钟)

引导学生总结课堂学习内容,画出思维导图

翻转课堂

 

课后

作业

分析下列程序段:

ADD       AX,BX

JNC     L2

SUB           AX,BX

JNC     L3

JMP     SHORT  L5

如果AX、BX的内容给定如下:

(1)14C6H      80DCH

(2)B568H      54B7H

问该程序在上述情况下执行后,程序转向何处?

思考题

解决同一问题为什么可能用不同的运算指令?其效果和效率有何不同?

学习效果、学生反馈、反思改进措施等

 

备注

 


分课时教案

知识单元名称

控制转移指令的格式和应用

课次

7

授课类型

理论课☑讨论课实验课习题课其他

学时

2

课程目标与要求

知识目标

 

1、掌握8086指令系统中的控制转移指令的格式、功能和应用

 

能力目标

1、培养学生的科学思维能力、分析计算能力、实验研究能力和科学归纳能力;

2、通过问题讨论,锻炼分析问题、解决问题的能力。

 

素质目标

11、通过工程案例探索理论本质,激发求知欲望和探索热情

2、能够树立严肃认真的科学作风和理论联系实际的工程观点;

3、能够体会微机研发人坚持不懈勇于突破的创新意识;

本单元重点

与难点内容

教学重点

1、控制转移指令的格式、功能和应用

 

教学难点

1、条件转移指令的应用

2、中断指令的应用

 

教学

内容

18、控制转移指令的格式和应用

课程

思政

通过介绍软件编制过程中出现程序跳转错误导致重大事故的案例,提醒同学一定要注重软件的重要性,以及软件bug调试的重要性,树立行业责任心。

教学过程设计

教学环节

教学活动

教学方法

思政元素

课前

在学习通上线上观看视频,学习控制转移指令等内容,完成相应知识点测试。

线上学习

 

课中

课程引入

5分钟)

在汇编语言中如何实现程序的三种基本结构?尤其是分支机构和循环结构,引出条件转移指令存在的意义

工程案例

课程思政

程序跳转错误导致重大事故

学生学习反馈

5分钟)

测试题完成情况、问题反馈

学习通数据反馈

 

知识总结

梳理

20分钟)

控制转移类指令

1)无条件转移指令

(1)JMP指令

JMP有以下几种指令格式及操作含义:

JMP  NEAR  L2      ;段内直接转移,转到L2标号处,属相对转移。

JMP  FAR  L3       ;段间直接转移,转到L3标号处,属绝对转移。

 JMP  WORD PTR[mem] ;段内间接转移, WORD表示“字”存储器操作数

JMP  DWORD PTR[mem];段间间接转移, DWORD表示“双字”存储器操作数

(2)CALL指令

指令功能:保护程序断点后,转到子程序处执行。具体操作如下:

① 将断点地址压栈。

②将过程名所在的目标地址的偏移地址送CS:IP,程序无条件转移到过程名所在的目标地址去执行。段内调用时CS值不变,段间调用CS值改变。

(3)RET指令

指令功能:执行与CALL指令相反的操作,将断点地址出栈,从子程序返回到主程序。RET命令常放在子程序的最后。

2)条件转移指令

    条件转移指令是根据执行该指令时CPU标志的状态而决定是否发生控制转移的指令。如果满足条件则程序转移到指定的目标地址;如不满足转移条件,则继续执行该条件转移指令的下一条指令。

条件转移指令属于短转移,范围在(-128 ~ +127)。如果转移范围较大,超出了该范围,则可先将程序转移到附近某处,再在该处放置一条无条件转移指令,以转到所需的目标。

3)循环控制指令

⑴ LOOP  目标标号

指令功能:CX ←CX—1,若CX 0,则转移到目标地址;若CX=0,则顺序执行下一条指令。

⑵ LOOPE/LOOPZ  目标标号

指令功能:CX ←CX—1,若CX 0且ZF=1,则转移到目标地址;否则顺序执行下一条指令。

  LOOPNE/LOOPNZ  目标标号

指令功能:CX ←CX—1,若CX 0且ZF=0,则转移到目标地址;否则顺序执行下一条指令。

⑷ JCXZ  目标标号

指令功能:若CX=0,则转移到目标地址;CX 0则顺序执行下一条指令。

4)中断指令 INT

(1)中断指令INT

指令的格式:INT  n   :n为中断类型号(0~255)

该指令执行如下操作:

    将标志寄存器内容压入堆栈

    将标志位IF、TF清零

    将断点地址压入堆栈

    将中断服务程序的入口地址装入CS:IP中

    (2)中断返回指令IRET(RETurn from Interrupt)

IRET指令用于从中断服务子程序返回到被中止的程序继续执行。任何中断子程序最后执行的一条指令一定是IRET,用以退出中断服务程序,返回到被中止的程序的断点处。

执行该指令的具体操:将堆栈中断点地址弹出到IP和CS;将压入堆栈的标志字内容弹出至标志寄存器,以恢复原标志寄存器的内容

一、                     处理器控制指令                                     (约10min)

1、状态标志位操作

STC/CLC  STI/CLI  STD/CLD

2、同步指令

PPT讲授

 

重难点

讲解

45分钟)

【问题1】:JMP和 CALL指令的区别是什么?

讲解不同转移指令的区别和应用场合。

启发学生

思考得出

自结论

 

【问题2】:带符号数与无符号数的比较区别点在何处?

讲解带符号数与无符号数的区别和应用范围

弹幕、抢

师生互动

 

【讨论1】:为什么在过程的最后要用RET指令

讲解RET指令的作用,举例如何不适用该指令将会无法返回主程序

小组讨论

验证结果

 

【问题3】:判断AX和BX两个无符号数的大小,若AX高于BX 则转移到目标MAX(设MAX较远);否则转移到MIN:

CMP  AX, BX        ;两个无符号数做一次比较运算,仅影响标志位

JA   TEMP          ;若AX高于BX,则先转移到附近地址TEMP

JMP  MIN           ;否则AX不高于(低于等于)BX,转移到MIN

TEMP: JMP  MAX           ;无条件转移到MAX

举例验证

结果

 

课堂练习

5分钟)

学习通发布课堂练习

巩固练习

加深理解

 

拓展应用

5分钟)

介绍国内编程语言的发展现状

 

视频

金山软件求伯君和雷军

课堂总结

5分钟)

引导学生总结课堂学习内容,画出思维导图

翻转课堂

 

课后

作业

析下列程序段:

ADD       AX,BX

JNC     L2

SUB           AX,BX

JNC     L3

JMP     SHORT  L5

如果AX、BX的内容给定如下:

(1)14C6H      80DCH

(2)B568H      54B7H

问该程序在上述情况下执行后,程序转向何处?

思考题

LOOP类指令有哪些?分别适用于哪些程序结构?

学习效果、学生反馈、反思改进措施等

 

备注

 


分课时教案

知识单元名称

汇编语言的格式和伪指令

课次

8

授课类型

理论课☑讨论课实验课习题课其他

学时

2

课程目标与要求

知识目标

 

1、掌握汇编语言源程序的组成;

5、常用伪指令

6、汇语语言程序上机过程

能力目标

1、培养学生的科学思维能力、分析计算能力、实验研究能力和科学归纳能力;

2、通过问题讨论,锻炼分析问题、解决问题的能力;

3、能够运用编程软件,验证理论分析的正确性。

素质目标

12、通过工程案例探索理论本质,激发求知欲望和探索热情

2、能够树立严肃认真的科学作风和理论联系实际的工程观点;

3、能够体会微机研发人坚持不懈勇于突破的创新意识;

本单元重点

与难点内容

教学重点

1、汇编程序的组成

2、伪指令的功能及应用

教学难点

1、数据定义伪指令的使用方法

 

教学

内容

19、汇编语言源程序的组成

20、常用伪指令

21、汇语语言程序上机过程

课程

思政

介绍汇编语言的学习重要性,不要轻视编程语言的学习,在工程中软件质量决定了项目的成败,提高学生学习软件编程的积极性。

教学过程设计

教学环节

教学活动

教学方法

思政元素

课前

在学习通上线上观看视频,学习汇编伪指令等内容,完成相应知识点测试。

线上学习

 

课中

课程引入

5分钟)

汇编语言程序的基本结构是怎样的?如何用汇编指令编写汇编源程序?

师生互动

 

学生学习反馈

5分钟)

测试题完成情况、问题反馈

学习通数据反馈

 

知识总结

梳理

40分钟)

1、汇编语言源程序的结构

汇编语言源程序一般包括了数据段、堆栈段和代码段,即程序由段结构组成。它们由段定义开始语句“SEGMENT”和段定义结束语句“ENDS”来定义一个段。每个段都有一个段名,段名可自由选取,如数据段的段名为“DATA”, 堆栈段的段名为“STACK”, 代码段的段名为“CODE”。

数据段、堆栈段和代码段的作用各不相同。数据段用于存放变量、数据和结果,堆栈段用于执行压栈和弹栈操作,以及子程序调用和参数传递,代码段则是所编制的执行程序或常数表格。各个段都由一系列语句组成。语句包括指令语句和伪指令语句。指令语句产生对应的机器代码,指定CPU做什么操作,而伪指令语句并不产生机器代码,仅仅起控制汇编过程的作用,它指定汇编器作何种操作。

2、伪指令

伪指令用来对汇编程序进行控制,对程序中的数据实现条件转移、列表、存储空间分配等处理,其格式和汇编指令一样,但一般不产生目的代码,即不直接命令CPU去执行什么操作。

1)定义数据伪指令

    该类伪指令用来定义存储空间及其所存数据的长度。

    · DB:定义字节,即每个数据是1个字节。

    · DW:定义字,即每个数据占1个字(2个字节)。

    · DD:定义双字,即每个数据占2个字。

    · DQ:定义4字长,即每个数据占4个字。

· DT:定义10个字节长,用于压缩式十进制数,

例如:DATA1  DB  5,6,8,100

      DATA2  DW  7287

TABLE   DB  ?  ;表示在TABLE单元中存放的内容是随机的

 举例: D1  DB  1,2,3

       D2  DW  1,2,3

       D3  DD  12345678H

       D4  DB  “123456”

强调数据的存储器空间分配

2)符号定义伪指令EQU、=、及PURGE

· EQU 伪指令给符号定义一个值。在程序中,凡是出现该符号的地方,汇编时均用其值代替,

如:TIMES  EQU  50

    DATA   DB  TIMES DUP(?)

  上述两个语句实际等效于如下一条语句:

DATA  DB  50 DUP(?)

· “=”伪指令可给初始变量赋值。

如:COUNT=100   ;COUNT=100

TIME=50      ;TIME=50

· PURGE伪指令用于释放由EQU伪指令定义的变量,使这些变量可以被重新定义。

  PURGE  TIMES   ; 释放TIMES变量

 TIMES  EQU  2 ;  重新定义

3)段定义伪指令SEGMENT和ENDS

    一般来说,一个完整的汇编源程序由3个段组成,即堆栈段、数据段和代码段。段定义伪指令可将源程序划分成若干段,以便生成目的代码和连接时将各同名段进行组合。

 段定义伪指令一般格式为

    段名  SEGMENT  [定位类型] [组合类型] [类别]

    段名   ENDS

 SEGMENT和END5应成对使用,缺—不可。其中段名是不可省略的。其它是可选项,是赋予段名的属性,可以省略。

例如: DATA  SEGMENT 

       DW    20DUP(?)

DATA    ENDS

4)设定段寄存器伪指令ASSUME

一般格式: ASSUME 段寄存器:段名[,段寄存器:段名,……]

功能:通知汇编程序,哪一个段寄存器是该段的段寄存器,以便对使用变量或标号的指令汇编出正确的目的代码。在段名中,CODE表示代码段,DATA表示数据段,STACK表示堆栈段。

由于ASSUME伪指令只指明某一个段地址应存于哪一个段寄存器中,并没有包含将段地址送入该寄存器的操作。因此要将真实段地址装入段寄存器还需用汇编指令来实现。这一步是不可缺少的。

5)定义过程的伪指令PROC和ENDP

在程序设计中,可将具有一定功能的程序段看成为一个过程(相当于一个子程序),它可以被别的程序调用。

一个过程由伪指令PROC和ENDP来定义,其格式为

    过程名   PROC  [类型]

       过程体

       RET

    过程名   ENDP

    其中过程名是为过程所起的名称,不能省略,过程的类型由FAR(远过程,为段间调用)和NEAR(近过程,在本段内调用)来确定,如果缺省类型,则该过程就默认为近过程。ENDP表示过程结束。过程体内至少应有一条RET指令,以便返回被调用处。过程可以嵌套,也可以递归使用。

6)ORG 伪指令

ORG伪指令规定了在某一段内,程序或数据代码存放的起始偏移地址。

 一般格式   ORG  <表达式>

7)汇编结束伪指令END   

该伪指令表示源程序的结束.令汇编程序停止汇编。因此,任何一个完整的源程序均应有END指令。

一般格式: END  [表达式]

其中表达式表示该汇编程序的启动地址。例如:

END    START   ;表明该程序的启动地址为START。

三. 汇编语言程序的上机过程及调试    

    汇编语言的源程序需要编译和连接后才能在计算机上执行。

1. 编辑汇编语言源程序

   命令格式如下:        C:\MASM>EDIT  文件名.ASM(回车)

2. 汇编源程序

命令格式如下:C:\MASM>MASM  文件名.ASM (回车)

3. 连接程序

   命令格式如下:C:\MASM>LINK  文件名.OBJ (回车)

4. 程序的执行

        C:\MASM>文件名.EXE (回车)

5. 调试程序

   命令格式如下:C:\MASM>DEBUG   文件名.EXE (回车)

 

PPT讲授

 

重难点

讲解

25分钟)

【问题1】:伪指令与指令系统中指令有何区别?

解伪指令与指令系统的概念和区别。

启发学生

思考得出

自结论

 

【问题2】:数据定义与符号定义有何区别?

讲解数据定义与符号定义的区别和使用注意事项

弹幕、抢

师生互动

 

课堂练习

5分钟)

学习通发布课堂练习

巩固练习

加深理解

 

拓展应用

5分钟)

一个完整的汇编应用程序的结构包括什么?

 

 

讨论

编程要求严谨和规范

课堂总结

5分钟)

本节课学习了汇编源程序的基本组成结构,如何输入(编辑)源程序,如何对源程序进行汇编和连接,执行程序和调试检查结果,常用伪指令的的应用。

翻转课堂

 

课后

作业

下列语句在存储器中分别为变量分配多少字节空间?并画出存储空间的分配图。

VAR1      DB        10,2

VAR2     DW    5DUP(?),0

VAR3     DB    ‘HOW  ARE  YOU?’,‘$’

VAR4     DD           -1,1,0

学习效果、学生反馈、反思改进措施等

 

备注

 

 


分课时教案

知识单元名称

汇编语言程序设计的基本方法

课次

9

授课类型

理论课☑讨论课实验课习题课其他

学时

2

课程目标与要求

知识目标

 

1、熟悉汇编语言程序设计的基本方法;

7、掌握顺序程序、分支程序和循环程序结构特点及设计方法;

8、熟悉汇编语言子程序设计;

9、DOS功能调用的方法。

能力目标

1、熟悉编程的动手实践能力;

2、通过问题讨论,锻炼分析问题、解决问题的能力;

3、能够运用编程软件,验证理论分析的正确性。

素质目标

13、通过工程案例探索理论本质,激发求知欲望和探索热情

2、能够树立严肃认真的科学作风和理论联系实际的工程观点;

3、能够体会微机研发人坚持不懈勇于突破的创新意识;

本单元重点

与难点内容

教学重点

1、分支程序设计

2、循环程序设计

3、子程序设计

4、DOS功能调用

教学难点

1、多重循环程序的循环控制

2、子程序参数的传递

教学

内容

22、顺序程序、分支程序和循环程序结构特点及设汇编语言子程序设计

23、DOS功能调用的方法

课程

思政

通过举一些“眼高手低”的例子教育学生一定要注重培养动手实践能力,培养解决问题的能力,把理论和实践结合起来,才能学好本课程,才能在各行各业做出贡献。

教学过程设计

教学环节

教学活动

教学方法

思政元素

课前

在学习通上线上观看视频,学习汇编程序设计等内容,完成相应知识点测试。

线上学习

 

课中

课程引入

5分钟)

汇编语言程序的基本结构是怎样的?如何用汇编指令编写汇编源程序?

师生互动

 

学生学习反馈

5分钟)

测试题完成情况、问题反馈

学习通数据反馈

 

知识总结

梳理

20分钟)

一、 汇编语言程序                                

1. 汇编语言的基本概念

    2. 汇编语言源程序的格式

汇编语言源程序采用分段式结构,一个汇编语言源程序由若干个逻辑段组成,每个逻辑段以SEGMENT语句开始,以ENDS语句结束,整个源程序以END语句结束(表示结束汇编)。

二、顺序程序设计                                  

顺序结构是解决简单问题的一种程序设计方法, 它按语句书写的先后次序执行一系列操作。程序中没有分支、循环和转移指令。

举例讲解

三、分支程序设计                                   

1. 分支程序设计的结构特点

分支程序通常用判断语句结合跳转指令进行程序设计。

2. 分支程序的设计方法

(1) 测试分支程序设计方法:选用影响状态标志的指令和条件转移指令来设计分支程序的方法。

(2) 跳转表法分支程序设计方法:选用间接寻址的无条件转移指令来选择转向不同的程序分支。

四、 循环结构程序设计                               

1.循环结构的组成

循环结构主要有三部分组成:

(1) 初始化部分--包括设置地址指针、计数器及其它变量的初值等为循环做的准备工作;

(2) 循环体部分--这是主要部分,即对问题的处理;

(3) 循环控制部分--包括每次执行循环体之后或之前参数的修改,对循环条件的判断等。

2.循环的分类

按照“先判断”还是“先执行”,可以分成“当型循环”与“直到型循环”;按照循环条件,可以分成“循环次数已知”与“循环次数未知”。

另外,按照是否有循环嵌套,还可分成单重循环结构与多重循环结构。

3. 单循环程序的设计方法

(1)“循环次数已知型”的程序设计

这种程序设计方法很直观、流程比较清晰,但必须在循环次数已知的的条件下才能采用。

(2)“循环次数未知型”的程序设计

在循环程序设计中,有时对循环次数无法预知,对此可根据循工作部分的执行所产生的条件来确定是否继续执行循环体。

4. 多重循环程序设计

在实际工作中,一个循环结构常常难以解决实际应用问题,在一个循环结构的循环体中又包含有循环程序时,就形成了多重循环,这些循环是一层套一层的,因此又称为循环的嵌套。

五、 子程序设计                                  

1、调用和返回指令                                   

LCALL/ACALL  过程名;指令的执行过程

RET;指令执行的过程

2、现场信息保护                                    

利用堆栈保护寄存器,举例讲解

3、参数的传递                                       

对于一个子程序,应该注意它的入口参数和出口参数。入口参数是由主程序传给子程序的参数,而出口参数是子程序运算完传给主程序的结果。另外,子程序所使用的寄存器和存储单元往往需要保护,以免影响返回后主程序的运行。

入口和出口参数的传递的三种方法:

1)利用寄存器传递参数的子程序设计方法,举例说明

2)利用存储器传递参数的子程序设计方法,举例说明

3)利用堆栈传递参数的子程序设计方法,举例说明

二、 DOS系统功能调用                           

    DOS操作系统为程序设计人员提供了许DOS多功能调用,即功能子程序,供用户调用。调用时使用中断指令: INT  n其中,n为中断调用类型号,其范围是10H--0FFH。在使用INT指令前,应将调用的功能号送入AH寄存器,有关入口参数送入指定的寄存器中。若有出口参数,中断返回后,放在指定的寄存器或存储单元中,用户可以取出使用。

   1. 带显示的键盘输入(AH=01H) 

       计算机演示

2.字符串输入(AH=0AH) 

  注意缓冲区的定义格式

3. 字符显示(AH=02H) 

强调将要显示的字符的ASCII要放入DL中

4. 字符串显示(AH=09H) 

例:定义的字符串要以$结束

 MOV AX,9

 LEA DX,STR

 INT 21H

PPT讲授

 

重难点

讲解

45分钟)

【问题1】:如何设计一个延时程序。?

举例讲解使用多重循环延时时间的计算

启发学生

思考得出

自结论

 

【问题2】:设计一个十六进制代码转换ASCII码的子程序

讲解如何利用子程序完成。

弹幕、抢

师生互动

 

【讨论1】:入口和出口参数的传递的三种方法有哪些?

1)利用寄存器传递参数的子程序设计方法,举例说明

2)利用存储器传递参数的子程序设计方法,举例说明

3)利用堆栈传递参数的子程序设计方法,举例说明

小组讨论

验证结果

 

课堂练习

5分钟)

学习通发布课堂练习

巩固练习

加深理解

 

拓展应用

5分钟)

介绍汇编语言程序设计在编程工具中地位,以及编程工具国产化的迫切性。

视频

美国的封锁和制裁

课堂总结

5分钟)

引导学生总结课堂学习内容,画出思维导图

翻转课堂

 

课后

作业

试编程序,统计由40000H开始的16K个单元中所存放的字符“A“的个数,并将结果存放在DX中。。

思考题

试编一个两位十六进制代码转换的子程序。

学习效果、学生反馈、反思改进措施等

 

备注

 


分课时教案

知识单元名称

熟悉DEBUG

课次

10

授课类型

理论课讨论课实验课☑习题课其他

学时

2

课程目标与要求

了解8086微处理器的内部结构、各寄存器的用法、堆栈的操作过程、掌握8086CPU的寻址方式;掌握存储器的分段管理原则,会用逻辑地址表示存储器单元

本单元重点

与难点内容

重点:1) 堆栈操作和存储器的分段管理;(2)偏移地址、段地址、逻辑地址、物理地址的区别

难点:8086CPU的寻址方式

教学内容

(1)熟悉DEBUG的常用命令:-A-R-T-D-E

(2)用堆栈的方法交换两个寄存器的内容

(3)分析调试7条不同语句的执行过程和AX的结果,掌握8086CPU7中不同的寻址方式

课程思政

以华为公司研究自主芯片和操作系统为例、自力更生、潜心基础研究、突破卡脖子的工程,鼓励同学们为民族复兴、科技强国而努力学习。

教学过程设计:

教学方法及手段、课堂互动题设置、教学改革措施等

1))先讲解这门的总的实验安排及计划、每次实验课对应教材的章节。

2)讲解实验室的要求和注意事项、实验成绩的评分细则

3)讲解3道实验题涉及的知识点和检查要求

先讲解和上机操作示范,再要求学生自己动手操作、随时回答学生的疑问、完成3道实验内容后,老师在电脑上检查结果,并正确回答老师的提问,就算完成本次实验。下课前1 0分钟 总结这次实验同学的常见问题和要求掌握的知识点。

作业与

思考题设置

思考用同一个手机在校区不同的区域上网变的是什么地址、不变的是什么地址?

学习效果、学生反馈、反思改进措施等

学生了解微型计算机的组成及工作原理、8086微处理器的内部结构、寻址方式、堆栈的执行过程;汇编语言调试工具DEBUG的使用。学生反映收获很大。

 

 

备注

 

 

分课时教案

知识单元名称

存储器概述

课次

11

授课类型

理论课☑讨论课实验课习题课其他

学时

2

课程目标与要求

知识目标

 

1、了解存储器的分类与性能

10、掌握RAM和ROM的结构和工作原理

能力目标

1、能够分析存储器的工作原理,形成深入思考的抽象概括能力;

2、通过问题讨论,锻炼分析问题、解决问题的能力;

素质目标

14、通过工程案例探索理论本质,激发求知欲望和探索热情

2、能够树立严肃认真的科学作风和理论联系实际的工程观点;

3、能够体会微机研发人坚持不懈勇于突破的创新意识;

本单元重点

与难点内容

教学重点

1、存储器的结构原理

2、RAM和ROM的工作原理

教学难点

1、DRAM的刷新控制

教学

内容

24、存储器的分类与性能

25、RAM和ROM的结构原理

课程

思政

介绍我国半导体存储的发展现状,国内涌现出入长江存储等一批国产企业,打破了国外大厂的垄断,国产半导体存储器的价格更低,性能更优,激发学生的民族自豪感,促使学生为实现高新科技产品的国产化更加努力学习。

教学过程设计

教学环节

教学活动

教学方法

思政元素

课前

在学习通上线上观看存储器结构等内容,完成相应知识点测试。

线上学习

 

课中

课程引入

5分钟)

从第1章中已知计算机的基本结构由CPU、存储器、IO接口和BUS组成,计算机的所有软件程序都是存放存储器中,才能执行之。从而应当清楚存储器的基本结构和工作原理。

师生互动

 

学生学习反馈

5分钟)

测试题完成情况、问题反馈

学习通数据反馈

 

知识总结

梳理

40分钟)

一、 存储器概述        

1、 存储器的分类

(1)按用途和工作方式分类

可分为内存储器和外存储器。

(2)按存储器载体分类

可分为磁介质存储器、半导体存储器、光存储器。

(3)按存储器载体分类

可分为随机存取存储器(RAM)和只读存储器(ROM)。

2、 存储器的组成

半导体存储器由地址寄存器,译码电路、存储体、读/写控制电路、数据寄存器、控制逻辑等6个部分组成。

3、存储器的主要技术指标

技术指标主要有:存储容量、存取周期、取数时间、可靠性、性能价格比。

二、 随机存取存储器RAM                           (约25min)

1)静态随机存储器(SRAM)

SRAM的两个缺点:集成度较低、功耗较大。

SRAM的主要优点:工作稳定,不需要外加刷新电路,外电路设计简单。一般SRAM常用作微型系统的高速缓冲存储器(Cache)。

典型的静态RAM芯片如Intel 6116,6264,62128等。

2)动态随机存储器(DRAM)

优点:结构简单、集成度较高且功耗小。

缺点:列线对地间的寄生电容大,噪声干扰也大,因此,要求Cs值做得比较大,刷新放大器应有较高的灵敏度和放大倍数。

典型的DRAM如Intel 2164。2164是64K×1位的DRAM芯片。

三、只读存储器ROM         

1)掩膜ROM

所谓掩膜ROM,是指生产厂家根据用户需要在ROM的制作阶段,通过“掩膜”工序将信息做到芯片里,适合于批量生产和使用。

2)可编程ROM(PROM)

可编程ROM(PROM)是一种允许用户编程一次的ROM,其存储单元通常用二极管或三极管实现。右图所示存储单元的双极型三极管的发射极串接了一个可熔金属丝,因此这种PROM也称为“熔丝式”PROM。

3)可擦除、可编程ROM(EPROM)

EPROM具有可修改性,用紫外线光源通过窗口对它照射15~20分钟后,其内部电荷分布被破坏,聚集在各基本存储电路中的电荷形成光电流泄露走,使电路恢复为初始状态,片内所有位变为全1,从而擦除了写入的信息。常用的典型EPROM芯片有:2716、2732、2764、27128、27256、27512等。

4)电可擦除可编程ROM(EEPROM)

E2PROM是一种在线可编程只读存储器,兼有RAM和ROM的双重功能特点。

E2PROM的擦除可以按字节分别进行。字节的编程和擦除都只需要10ms。

5)Flash存储器

闪速存储器具有可靠的非易失性、电擦除性以及低成本,对于需要实施代码或数据更新的嵌入式应用是一种理想的存储器。

闪速存储器的主要特点为:固有的非易失性、经济的高密度、可直接执行。

PPT讲授

 

重难点

讲解

25分钟)

【问题1】:存储器在计算机系统中的地位是什么?为什么要使用存储器?

讲解存储器的概念和分类。

启发学生

思考得出

自结论

 

【问题2】:某存储器有13根地址线,8根数据线,则容量为多少?

讲解重点掌握存储容量的计算。

弹幕、抢

师生互动

 

课堂练习

5分钟)

学习通发布课堂练习

巩固练习

加深理解

 

拓展应用

5分钟)

介绍我国存储器的研发和市场份额,在存储器领域从弱小做到全球较大的规模,激励学生艰苦奋斗、自主创新的精神。

 

视频

长江存储、紫光存储的发展

课堂总结

5分钟)

引导学生总结课堂学习内容,画出思维导图

翻转课堂

 

课后

作业

比较各种存储器的不同应用场合。

思考题

调查市场上现有的存储芯片,不同种类的存储芯片什么区别,价格如何?如何选择?

学习效果、学生反馈、反思改进措施等

 

备注

 

 


分课时教案

知识单元名称

存储器系统设计

课次

12

授课类型

理论课☑讨论课实验课习题课其他

学时

2

课程目标与要求

知识目标

 

1、掌握存储器扩展的基本方法

11、片选信号的产生方法

12、掌握存储器与CPU的连接方法,地址的分配

能力目标

1、能够分析存储器系统设计方法,形成深入思考的抽象概括能力;

2、通过问题讨论,锻炼分析问题、解决问题的能力;

3、能够运用虚拟仿真软件,验证理论分析的正确性。

素质目标

15、通过工程案例探索理论本质,激发求知欲望和探索热情

2、能够树立严肃认真的科学作风和理论联系实际的工程观点;

3、能够体会微机研发人坚持不懈勇于突破的创新意识;

本单元重点

与难点内容

教学重点

1、存储器扩展的基本方法

2、存储器与CPU的连接

教学难点

1、存储器地址范围的确定

教学

内容

26、存储器与CPU的连接方法

课程

思政

提醒学生在本章节硬件的学习中注重培养实践动手能力,不要只看书本,要多做实验,注重理论和实践相结合,才能取得好的学习效果。

教学过程设计

教学环节

教学活动

教学方法

思政元素

课前

在学习通上线上观看视频,学习存储器扩展系统设计等内容,完成相应知识点测试。

线上学习

 

课中

课程引入

5分钟)

存储器的总容量通常都比单片芯片的容量大,则需要由多片芯片组成,如何将多块芯片连成一个大容量的存储器体?

师生互动

 

学生学习反馈

5分钟)

测试题完成情况、问题反馈

学习通数据反馈

 

知识总结

梳理

20分钟)

一、 存储器的扩展   

1、位扩展

位扩展的连接方法是:采取地址线、片选线和读写线的并联结构,而数据线采取串联结构。

2、 字扩展

字扩展的连接方法是:将地址线、数据线、读/写线各自并联,而将片选线单独引出,决定每一片芯片的地址范围;使存储器的地址空间为各个芯片地址空间之和。实现片选时,需要外加电路,其实现方法有如下三种:

1)选线方式

这种方法直接用CPU地址总线中某一高位线作为存储器芯片的片选信号,简称为线选法。

2)全译码方式

全译码法将高位地址线全部作为译码器的输入,用译码器的输出作片选信号。在这种寻址方法中,低位地址线用作字选,与芯片的地址输入端直接相连;高位地址线全部连接进译码电路,用来生成片选信号。

3)部分译码方式

部分译码法将高位地址线的一部分为译码器的输入,用译码器的输出作存储器芯片的片选信号(在这种寻址方法中,低位地址线用作字选线,与芯片的地址输入端直接相连;部分高位地址线连接进译码电路,用来生成片选信号)。

3、字位同时扩展

际应用中,存储器往往需要在字和位两个方向上同时扩展。假设存储器的容量为M*N位,而使用的存储器芯片的容量为L*K位,那么这个存储器共需要芯片数:M*N/(L*K)。

二、 CPU与存储器的连接   

由芯片组成的存储器,主要是解决地址线、数据线和控制线与CPU的连接这三种线的连接问题。

除此之外,还存在另外几个问题,即总线的负载能力以及存储器与CPU各自固有时间特性间的配合问题。

三、 8086的存储器系统       

8086CPU在组织1MB的存储器时,其空间实际上被分成两个512KB的存储体(或称为存储库),分别称为高位库和低位库。地址线A0和控制线BHE------------用于库的选择。

PPT讲授

 

重难点

讲解

45分钟)

【问题1】:微机系统的存储容量不够应该如何扩展?

举例讲解存储器扩展的基本方法。

启发学生

思考得出

自结论

 

【问题2】:针对某一存储芯片设计指定容量的存储器系统。

讲解不同片选方法的应用场合,以及存储地址范围的计算方法。

引导学生了解扩展ROM存储空间的使用注意事项

弹幕、抢

师生互动

 

课堂练习

5分钟)

学习通发布课堂练习

巩固练习

加深理解

 

拓展应用

5分钟)

介绍存储器的发展趋势,尤其是容量、读取性能和价格的变化。

 

视频

对比国内外主流存储品牌的发展

课堂总结

5分钟)

引导学生总结课堂学习内容,画出思维导图

翻转课堂

 

课后

作业

利用几款指定的ROM和RAM芯片设计一指定容量的微机存储系统。

思考题

存储器的地址空间范围有哪些是系统指定的?有哪些地址范围是用户可以使用的?

学习效果、学生反馈、反思改进措施等

 

备注

 


分课时教案

知识单元名称

输入和输出接口

课次

第13讲

授课类型

理论课☑讨论课实验课习题课其他

学时

2

课程目标与要求

知识目标

 

1、了解I/O接口组成与功能

2、掌握I/O端口地址译码

3、掌握I/O端口寻址方式

4、了解几种简单接口电路

5、掌握CPU与外设的数据传送方式,直接传送、查询传送、中断传送和DMA方式

能力目标

1、能够将系统与简单接口进行正确连接,如CPU与三态门连接,与锁存器连接,具有初步构建控制系统的能力;

2、理解主机与外部设备的不同传送方式的优缺点,在构建控制系统时,能选用合适的数据传送方式,锻炼分析能力;

素质目标

1、通过工程案例探索理论本质,激发求知欲望和探索热情;

2、能够树立严肃认真的科学作风和理论联系实际的工程观点;

3、能够体会本学科的学科价值,增强专业认同感,从而坚定学术志向,激发科技报国热情

本单元重点

与难点内容

教学重点

1、CPU与简单接口的连接

2、CPU与外设的数据传送方式

教学难点

1、CPU与简单接口的引脚连接以及地址总线的连接

2、DMA传送方式

教学内容

1、            I/O接口概念和功能;

2、            I/O端口寻址

3、            简单接口电路

4、            CPU与外设的数据传送方式

 

课程思政

  介绍微机原理应用时,结合国家信息技术与制造技术融合创新的智能制造战略需求,传授在工业生产自动控制技术发展过程中学校老一辈科学家科技报国的先进事例,使学生们能从身边熟悉的院士、教授身上真切感受到“ 求实鼎新” 的北科精神,使学生体会到本学科的学科价值,增强专业认同感,从而坚定学术志向,激发科技报国热情

具体案例包括我国轧钢自动化控制领域开拓者之一、北京科技大学孙一康教授在极其艰苦的条件下开展轧钢生产过程计算机控制的科技研究工作。 二十世纪八十年代后,从日本引进的东芝计算机控制系统的能力已经难以适应我国轧钢生产能力扩大的需求,且出现了控制反应迟钝、硬件故障率上升等问题,并且东芝公司在1985年就停止了相关配件的生产,这套计算机系统随时都有完全瘫痪的危险。 孙一康等一批冶金自动化方面的专家通过调研和论证坚信:“ 我们中国人有能力设计这个控制系统,计算机控制软件可以立足于国内力量设计开发” 。 孙一康先生带领团队自力更生、奋发图强,经过数年的艰辛努力,1992年终于成功地进行了轧钢计算机控制系统的安装、调试,并一次试车成功,打破了国际少数电气公司的技术垄断,为我国大型轧钢自动化技术开发立足国内迈出了重要一步。

 

教学过程设计

教学环节

教学活动

教学方法

思政元素

课前

在学习通上线上观看视频,学习I/O接口的组成和功能,I/O端口寻址方式,学习CPU与接口之间无条件传送方式、查询传送方式、中断传送方式和DMA方式。

线上学习

 

 

学生学习反馈

5分钟)

测试题完成情况、问题反馈

学习通数据反馈

 

 

知识总结

梳理

20分钟)

5.1 I/O接口概述

descript

1、I/O接口基本概念

一、I/O接口功能

  1. 作为微型机与外设间传递数据的中间缓冲站

2.正确寻址与微机交换数据的外设 ;

3.提供微型机与外设间交换数据所需的控制逻辑与状态信号。

二、I/O端口寻址

1、存储器映像的I/O寻址方式

2、I/O端口单独寻址方式

四、简单接口电路

1、接口的特点

2、三态门接口

3、锁存器接口

5.2 CPU与外设的数据传送方式

一、无条件传送方式

二、查询传送方式

三、中断传送方式

四、DMA传送方式

 

PPT讲授

 

 

重难点

讲解

45分钟)

【问题1】:为什么CPU和外设间需设置接口?I/O接口的基本功能有哪些?

讲述接口的重要性、功能和结构组成。

启发学生

思考得出

自结论

 

 

【问题2】:CPU与I/O设备的接口信号主要有哪些?

讲解接口传送的信息,为学生后面学习传送方式打基础

弹幕、抢

师生互动

 

 

【讨论1】:接口与CPU的连接与存储器与接口连接的相同和不同之处

通过比较,加深片选信号和片内选址的掌握,更好的掌握接口和存储器与CPU的总线连接方式

小组讨论

 

 

 

【问题3】:存储器映像的I/O寻址方式和I/O端口单独寻址方式各自特点

8086系统采用哪种寻址,单片机采用的是?

总结归纳

仿真验证

结果

 

 

【讨论2】:中断传送方式相对查询方式的优势,什么情况下才能用无条件传送方式?

假设外设总是准备好状态,则可以用无条件传送方式。中断传送方式,CPU和外设可并行工作,提高CPU共工作效率

小组讨论

 

 

课堂练习

5分钟)

雨课堂发布课堂练习

巩固练习

加深理解

 

 

课堂总结

5分钟)

引导学生总结课堂学习内容,画出思维导图

翻转课堂

 

课后

作业

采用查询方式编程

思考题

为什么引入DMA方式?DMA方式一般在哪些场合使用?

学习效果、学生反馈、反思改进措施等

 

备注

 


分课时教案

知识单元名称

微型计算机中断系统

课次

第14讲

授课类型

理论课☑讨论课实验课习题课其他

学时

2

课程目标与要求

知识目标

 

1、理解中断系统的基本概念;

2、掌握8086CPU的中断类型;

3、掌握中断向量表及中断响应过程。

能力目标

1、通过理解中断的概念,将中断技术引入到实时处理和事故处理系统。

2、能利用软件和硬件的方式设置中断优先权;

3、能够分析中断响应过程,编写合适的中断服务程序;

4、掌握中断向量表的规律,能将自己的中断向量装入向量表中。

素质目标

1、通过工程案例探索理论本质,激发求知欲望和探索热情

2、能够树立严肃认真的科学作风和理论联系实际的工程观点;

3、能够感受科学家坚持不懈、勇攀科学高峰的科学精神。

本单元重点

与难点内容

教学重点

1、中断优先权

2、中断向量表

教学难点

1、中断响应过程

2、中断向量表

教学内容

1、中断基本概念

2、中断响应过程

3、8086中断系统

课程思政

    中断系统在计算机里是一个很重要的系统,它管理众多外围设备和内部程序的。外部设备需要执行响应的服务程序,需要向中断系统申请,各设备的程序有秩序的被依次执行。我们生活在一个国家,或团队,也要遵循规则和法律法规,这是一个组织有序运转的保证,每个生活在其中的人的权益也得到响应的保护。所以作为我们应该积极遵守和维护社会秩序,以及国家法律法规。

教学过程设计

教学环节

教学活动

教学方法

思政素材

课前

在学习通上线上观看视频,学习中断的概念,等内容,完成相应知识点测试。

线上学习

 

课中

课程引入

5分钟)

提问方式引入,请同学们回顾生活中中断的例子,并让他们思考如何回应这类中断,有求必应?还是选择回应,中断来自外部还是内部

生活案例

 

学生学习反馈

5分钟)

测试题完成情况、问题反馈

学习通数据反馈

 

知识总结

梳理

20分钟)

一、中断基本概念

1693712540486

1、所谓中断概念

2、中断技术的优点

3、中断源

4、中断优先权与中断嵌套

二、中断响应

三、8086中断系统

1中断类型(内部中断,外部中断)

28086的中断向量管理

1中断向量表

2中断向量的装入

38086CPU转入中断服务程序的过程

1693712992091

 

 

 

PPT讲授

 

重难点

讲解

45分钟)

【问题1】:中断技术的优点有哪些?

引导学生思考中断技术可以应用在哪些场合,优势是什么。

启发学生

思考得出

自结论

 

【问题2】:当系统中有多个中断源存在时,若有几个中断源同时提出申请,CPU先响应谁?当CPU正响应某一中断过程中,又有另外的中断源提出中断请求,CPU是否响应?

就此提出中断优先权和中断嵌套的概念。

弹幕、抢

答,师生

互动

 

【讨论】:如何根据中断类型号转向中断服务程序?

引导学生了解中断响应过程过程,锻炼逻辑思维能力。

组织学生

讨论强化

知识理解

 

 

【问题3】:CPU响应INTR的条件是什么?INTR与其它类型中断响应过程的异同

引导学生理解PC、SP、PSW、P0~P3口的初始状态的意义,在Keil软件中仿真演示复位后的状态。

总结归纳

仿真验证

结果

 

【讨论2】: 为什么要在中断服务程序中执行STI 指令? STI 指令在中断服务程序中的不同位置时,对CPU 处理中断有何影响?

组织学生分组讨论,得出结论,设计8086中断服务程序的基本结构。

小组讨论

抢答、投屏

 

课堂练习

5分钟)

雨课堂发布课堂练习

巩固练习

加深理解

 

课堂总结

5分钟)

引导学生总结课堂学习内容,画出思维导图

翻转课堂

 

课后

作业

见学习通

思考题

 什么是中断类型码、中断向量、中断向量表?在基于8086/8088的微型计算机系统中,中断类型码和中断向量之间有什么关系?

学习效果、学生反馈、反思改进措施等

 

备注

 

 


分课时教案

知识单元名称

可编程中断控制器8259A与并行接口8255A

课次

第15讲

授课类型

理论课☑讨论课实验课习题课其他

学时

2

课程目标与要求

知识目标

 

1、掌握中断控制器8259A和并行接口8255的工作方式

2、掌握两种芯片的应用

能力目标

1、预习和课堂讨论,使学生掌握8259A和8255A两种芯片的工作方式,并工程案例,让学生掌握这两种接口芯片的初始化及应用。培养学生发现问题——分析问题——解决问题的能力;

2、通过对典型输入/输出接口芯片使用的讨论,使读者对输入/输出接口技术有一个清楚的了解,并能运用与具体的工程事件中。

3、启发学生运用虚拟仿真软件,搭建单片机应用系统,并加载程序进行仿真调试,验证理论分析的正确性,培养学生的创新思维和解决复杂工程问题的能力。

素质目标

  1. 引导学生通过对比分析探讨,激发学生的求知欲望和探索热情;
  2. 培养学生爱国、奋斗、创新、民族自豪感和民族复兴的使命感;
  3. 培养学生精益求精、追求卓越的工匠精神。

本单元重点

与难点内容

教学重点

1、8259A与8255A的工作方式和控制字

2、8259A与8255A的初始化

 

教学难点

1、8259A与8255A的控制字设置

2、8259A的初始化

 

教学内容

1、8259A与8255A的内部结构以及引脚功能

2、8259A与8255A的工作方式和控制字

3、8259A与8255A的初始化

课程思政

在8255A接口芯片的应用中,接口芯片和CPU以及外部设备的连接信号,信号表现出有问有答,就好像人和人之间,任何组织之间的关系,凡是由交代,培养学生的责任心意识,在人际关系中更多的去提高自己,而不只是看别人的问题。曾子曰:“吾日三省吾身:为人谋而不忠乎?与朋友交而不信乎?传不习乎?”

 

教学过程设计

教学环节

教学活动

教学方法

思政元素

课前

在学习通上线上观看视频,学习中断控制器8259A和并行数据通信接口8255A的内部结构,引脚信号,工作方式,控制字和初始化等。

线上学习

 

 

学生学习反馈

5分钟)

测试题完成情况、问题反馈

学习通数据反馈

 

 

知识总结

梳理

20分钟)

6.1 可编程中断控制器8259A

一、8259A的内部结构和引脚信号


  1. 数据总线缓冲器

2. 读/写控制逻辑

3.中断请求寄存器IRR

4.中断服务寄存器ISR

5.总段屏蔽寄存器IMR

6.优先权电路PR

7.控制逻辑

8.级联缓冲/比较器

二、8259A 的中断处理过程

三、8259A 的工作方式

四、8259A 的初始化命令字


五、8259A 的初始化编程逻辑

六、8259A 的操作命令字

七、8259A 对ICW、OCW的识别


6.2 可编程并行接口8255A

 一、 8255A的基本功能和内部结构

二、  8255A的控制字及其工作方式

1.控制字

(1)工作方式控制字

 


(2)置位/复位控制字


2.工作方式

(1)工作方式0 —— 基本输入/输出方式

(2)工作方式1——选通式输入/输出方式

(3) 工作方式2——双向选通输入/输出方式

三、8255A的应用实例

A、8255A与打印机接口

B、8255A与键盘接口

C、8255A与LED数码管接口

D、8255A与键盘/LED接口

PPT讲授

 

 

重难点

讲解

45分钟)

【问题1】:8259A只有两个端口号,但控制字有7各,怎么区分这些控制字?

用端口号区分,用标志位区分,按写入顺序识别等。

 

启发学生

思考得出

自结论

 

 

【问题2】:当中断程序结束时,为什么要对8259A服务位清零?

由于优先权的缘故,如果不清零,优先级别低的中断请求无法向CPU申请中断

弹幕、抢

师生互动

 

 

【讨论1】:如果中断系统采用8259A级联方式,主片的某引脚上有从片,主片的该引脚什么时候可以发中断结束命令。

引导学生分析,并编写程序。

【仿真验证】

PROTEUS中完成任务验证结果

 

 

 

【问题3】:8255A分别采用方式0和方式1与打印机连接有什么区别?

分别以两个程序案例来讲解两种方式,启发学生思考8255A工作方式的特点及不同场合工作方式的选择。

小组讨论

仿真验证

结果

 

 

课堂练习

5分钟)

雨课堂发布课堂练习

巩固练习

加深理解

 

 

拓展应用

5分钟)

8255A与键盘接口,包括键盘的工作原理,键盘的识别,还有重键和抖动问题。

视频

 

 

课堂总结

5分钟)

引导学生总结课堂学习内容,画出思维导图

翻转课堂

 

课后

作业

见学习通

思考题

 

学习效果、学生反馈、反思改进措施等

 

备注

 

 

 


分课时教案

知识单元名称

串行通信接口概述与可编程定时/计数器8253

课次

第15讲

授课类型

理论课☑讨论课实验课习题课其他

学时

2

课程目标与要求

知识目标

 

1、了解串口通信的基本概念和通信标准;

2、掌握定时/计算器8253的原理与编程使用方法、

能力目标

1、通过课前预习,课堂讨论等教学活动,使学生掌握定时/计数器的内部结构,引脚信号,工作方式等;

2、掌握8253的原理和编程使用方法,培养学生发现问题——分析问题——解决问题的能力;

3、通过实际工程案例引入,引导学生分析定时/计数需求,选用合适的控制字,芯片进行初始化。培养学生的创新思维和解决复杂工程问题的能力。

素质目标

  1. 课堂以实际工程案例引入,引导学生通过工程问题探索理论本质,激发学生的求知欲望和探索热情;
  2. 培养学生爱国、奋斗、创新、民族自豪感和民族复兴的使命感;
  3. 培养学生精益求精、追求卓越的工匠精神。

本单元重点

与难点内容

教学重点

1、串行通信的基本概念

2、8253的工作方式

3、8253控制字设置

教学难点

8253的工作方式

教学内容

串行接口的基本概念,定时/计数器8253的基本功能和内部结构,8253的引脚信号,8253的工作方式,8253的控制字与初始化编程和工程实例

课程思政

定时/计数器的工作是一步步完成的。

以下小故事,告诉学生,学习应该有恒心,要坚持下去,不要半途而废。

新学期开学了,起床困难户邓兴龙同学怕早上上课迟到,又买小青蛙闹钟放在机器猫闹钟旁边。机器猫很高兴的和新伙伴打招呼:“欢迎你,小青蛙,让我们一起为小主人服务,来完成31 536 000步。”

“什么,3千万?太多了,我做不到”小青蛙惊恐的退缩。

机器猫笑眯眯的对小青蛙说:“那一秒完成一步,可以不?”

小青蛙挠挠头,表情轻松下来了,“一秒一步没问题”

“那我们就一秒钟走一步吧!”

这样,一分钟过去了,一天过去了,一个月,一年就过去了。

小青蛙惊奇的发现,自己一年完成的步伐是31 536 000。

荀子·劝学》:“不积跬步,无以至千里;不积小流,无以成江海。”

 

教学过程设计

教学环节

教学活动

教学方法

思政元素

课前

学习通上线上观看视频,学习伪了解串口通信的基本概念和通信标准;掌握定时/计算器8253的原理与编程使用方法等内容,完成知识点测试和研讨任务。

线上学习

 

 

学生学习反馈

5分钟)

测试题完成情况、问题反馈

学习通数据反馈

 

 

知识总结

梳理

20分钟)

6.3 串行通信接口概述

一、通信:并行通信与串行通信

二 、异步通信与同不通信

三、 串行通信的传输方向

四、 信号的调制与解调

五、串行通信的错误校验

六、 传输速率与传输距离

七、串行通信接口标准


RS-232C定义的是DTE与DCE间的接口标准。

 

6.4 可编程计数器/定时器8253

一、8253的基本功能和内部结构


二、8253的引脚信号

三、8253的工作方式


四、8253的控制字与初始化

五、
工程案例

1、8253定时功能的应用

2、8253计数功能的应用

3、8253在PC/XT机中的应用

 

PPT讲授

 

 

重难点

讲解

45分钟)

【问题1】:串行通信和并行通信有什么区别?各有什么优点?

帮助学生学习比较,归纳和总结。

 

弹幕、抢

师生互动

 

 

【问题2】:8253的最大计数值是多少?对应的初值设置位多少?

8253计数采用倒计数,最大值设置位0000H,等于35536。

启发学生

思考得出

自结论

 

 

【讨论1】:设8253计数器的时钟输入频率为1.91MHz,为产生25kHz的方波输出信号,应向计数器装入的计数初值为多少?

【小组交流】如何确定计数初值?

学生汇报

教师点评

小组讨论

 

 

 

【问题3】:试比较8253方式0和方式4,方式1和方式5有什么区别

帮助学生学习归纳总结。

【讨论2】:多个通道进行计数时,初始化顺序有什么特别要求?

三个通道公用一个控制字端口,会不会混淆计数通道?

总结归纳

 

 

 

课堂练习

5分钟)

雨课堂发布课堂练习

巩固练习

加深理解

 

 

课堂总结

5分钟)

引导学生总结课堂学习内容,画出思维导图

翻转课堂

 

课后

作业

设8253三个计数器的端口地址为200H、201H、202H,控制寄存器端口地址203H。输入时钟为2MHz,让1号通道周期性的发出脉冲,其脉冲周期为1ms,试编写初始化程序段。

思考题

如果计数初值大于65536,是否还能继续使用8253进行计数?

学习效果、学生反馈、反思改进措施等

 

备注

 

 


分课时教案

知识单元名称

8255实验

课次

第16讲

授课类型

理论课讨论课实验课☑习题课其他

 

学时

2

课程目标与要求

1、汇编语言基本结构程序设计

2、可编程并行接口8255A的结构、工作方式及应用

本单元重点

与难点内容

重点:18255A的内部结构以及引脚功能

(2)8255A工作方式及控制字

 (3)8255A的初始化的编程及汇编语言程序结构。

难点:8255A控制字的设置及初始化编程

教学内容

(1)8255A的一个端口作输入接开关,另一个端口作输出接发光二级管,编程实现开关控制发光二级管。

(2)将模拟交通灯的程序改成简易十字路口交通灯(用删、改、编的方法去掉黄灯)

课程思政

以王选院研究激光照排系统为例、硬软件结合、潜心研究实现跨越式的创新和发展;智慧交通的发展,科技改变生活为例,强调学习的意义。

教学过程设计:

教学方法及手段、课堂互动题设置、教学改革措施等

1))花15分钟时间讲解本次实验的内容和要求,以及涉及的知识点,检查要求。

2)计划5分钟介绍实验箱,以及实验电路的构建、实验步骤。

3)学生自己动手操作,编写程序、构建实验电路、下载调试,老师巡视课堂,及时解答实验过程中遇到的硬软件问题。

下课前1 0分钟 总结这次实验同学的常见问题,强调掌握的重点知识点。

作业与

思考题设置

启发学生思考8255A工作方式的特点及不同场合工作方式的选择。

学习效果、学生反馈、反思改进措施等

学生了解了8255A的内部结构、A口、B口、C口3个端口的地址、工作方式的特点及应用选择、端口初始化的编程语句,学生对模拟交通灯的实验蛮好玩的,用删除、改写相关语句的方法能达到要求,但完全重新编写语句实现的小组不多,程序版本不多。

备注

 

分课时教案

知识单元名称

单片机的结构与原理

课次

第17讲

授课

类型

理论课☑讨论课实验课习题课其他

学时

2

课程目标与要求

知识目标

 

  1. 掌握单片机的内部组成结构及外部引脚信号
  2. 了解单片机内部CPU的功能,理解CPU的工作原理
  3. 掌握CPU专用寄存器的功能和使用
  4. 掌握单片机的内部和外部存储器空间
  5. 掌握内部数据存储器的功能分区

能力目标

1、能够分析CPU 功能模块,推演CPU执行指令的过程,形成深入思考的抽象概括能力;

2、通过问题讨论,锻炼分析问题、解决问题的能力;

3、能够运用虚拟仿真软件,验证理论分析的正确性。

素质目标

  1. 通过工程案例探索理论本质,激发求知欲望和探索热情
  2. 能够树立严肃认真的科学作风和理论联系实际的工程观点;
  3. 能够体会单片机研发人坚持不懈勇于突破的创新意识;

本单元重点

与难点内容

教学重点

1、CPU的工作过程

2、内部数据存储器的功能分区

教学难点

1、单片机指令的执行过程

2、工作寄存器的概念和使用

3、堆栈的作用及操作

教学

内容

  1. 1、单片机的基本结构及引脚功能
  2. 2、CPU的功能结构
  3. 3、存储器的组织结构

课程

思政

介绍宏晶科技(STC)公司专注51单片机研发,在51单片机领域从弱小做到全球最大的规模,成为全球8051单片机的第一品牌,新一代增强型8位单片微型计算机标准的制定者和领导厂商,激励学生艰苦奋斗、自主创新和追求卓越。

  1.  

教学过程设计

教学环节

教学活动

教学方法

思政元素

课前

在学习通上线上观看视频,学习单片机的内部结构及引脚、CPU功能、存储器结构等内容,完成相应知识点测试。

线上学习

 

课中

课程引入

5分钟)

【播放视频】播放“单片机是何方神圣”视频,让学生了解我们生产生活中无处不在的单片机,激发学生的学习兴趣。

案例教学

单片机科普视频

学生学习反馈

5分钟)

测试题完成情况、问题反馈

学习通数据反馈

 

知识总结

梳理

20分钟)

一、单片机组成结构及引脚


介绍MCS-51 单片机产品中的 51 子系列的典型产品 8031 、 8051 、 8751 的异同点。

【课程思政】介绍宏晶科技(STC)公司专注51单片机研发,在51单片机领域从弱小做到全球最大的规模,成为全球8051单片机的第一品牌,新一代增强型8位单片微型计算机标准的制定者和领导厂商,激励学生艰苦奋斗、自主创新和追求卓越。

引脚功能:40个引脚,分为4类:电源、时钟、控制和I/O引脚。

二、CPU功能结构

运算器:算术、逻辑和位操作运算

控制器:指令译码、定时和逻辑控制

专用寄存器:A、B、PSW、SP、DPTR、PC

三、存储器组织

1、程序存储器(ROM)空间

 (1)片内4KB 的程序存储器

 (2)片外64KB的程序存储器

2、数据存储器(RAM)空间

 (1)片内128B的数据存储器

(2)片外64KB的数据存储器

PPT讲授

国产STC

公司创始

人姚永平

的故事

重难点

讲解

45分钟)

【问题1】:单片机的CPU如何工作?

讲解CPU取指令、指令译码、执行的过程

启发学生

思考得出

自结论

 

【问题2】:为什么程序存储器总容量最大为64KB ?

讲解内部和外部存储器空间的区别,PC的作用,引脚EA的使用

引导学生了解ROM存储空间的使用注意事项

弹幕、抢

师生互动

 

【讨论1】:为什么数据存储器要设置工作寄存器区?

讲解工作寄存器的作用和使用,结合仿真软件Keil进行仿真演示理解和掌握

小组讨论

仿真验证

结果

 

【问题3】:什么是位地址?它有几种表示方式?

讲解单片机的位处理器、位累加器,位地址的表示方法及如何区分字节地址和位地址

软件仿真演示

总结归纳

仿真验证

结果

 

【讨论2】:堆栈是什么?有什么作用?

先进后出,后进先出的存储区

举例讲解数据入栈、出栈的过程

小组讨论

 

课堂练习

5分钟)

学习通发布课堂练习

巩固练习

加深理解

 

拓展应用

5分钟)

介绍STC公司推出的32位单片机STC32G12K128的功能特性,介绍STC32与STM32单片机的区别

 

归纳总结

 

课堂总结

5分钟)

引导学生总结课堂学习内容,画出思维导图

翻转课堂

 

课后

作业

比较单片机AT89C51与STC89C51的不同。

思考题

调查市场上现有的单片机种类,不同种类的单片机之间有什么区别,如何选择?

学习效果、学生反馈、反思改进措施等

 

备注

 

 


分课时教案

知识单元名称

单片机的结构与原理

课次

第18讲

授课类型

理论课☑讨论课实验课习题课其他

学时

2

课程目标与要求

知识目标

 

1、掌握单片机的并行I/O口组成结构及工作原理;

  1. 2、掌握四个I/O口的应用特点;
  2. 3、掌握时钟电路的原理和时序概念;

4、掌握复位电路的原理和复位后的状态

能力目标

1、能够通过分析P0口的工作原理,推导其它I/O口的工作原理,区分四个I/O口的功能,形成抽象概括能力;

2、通过分析典型时序图,理解CPU的取指令的过程,锻炼逻辑思维能力和分析能力;

3、能够使用虚拟仿真软件,搭建单片机最小应用系统,调试系统功能。

素质目标

  1. 1、通过工程案例探索理论本质,激发求知欲望和探索热情

2、能够树立严肃认真的科学作风和理论联系实际的工程观点;

3、能够感受科学家坚持不懈、勇攀科学高峰的科学精神。

本单元重点

与难点内容

教学重点

1、I/O口的组成结构及工作原理

2、单片机最小应用系统的设计

教学难点

1、I/O口的读操作

2、取指令时序分析

教学内容

  1. 1、并行I/O口功能结构及使用特点
  2. 2、时钟电路及典型时序分析
  3. 3、复位概念及常用复位电路

课程

思政

通过介绍世界上第一个精确测定石英压电定律的科学家严济慈追寻科学之光的故事,激励学生努力学习,永攀科学高峰。

教学过程设计

教学环节

教学活动

教学方法

思政素材

课前

在学习通上线上观看视频,学习单片机的并行I/O口结构原理,时钟电路和复位电路等内容,完成相应知识点测试。

线上学习

 

课中

课程引入

5分钟)

播放自动避障小车视频,讲述小车避障的原理,激发学生学习兴趣,引导学生思考单片机如何与外界联系

工程案例

避障小车视频

学生学习反馈

5分钟)

测试题完成情况、问题反馈

学习通数据反馈

 

知识总结

梳理

20分钟)

一、并行I/O口

1、P0口结构


结合P0口的结构图讲解作I/O口用时数据输入和输出的过程,做总线口用时地址/数据的输入和输出的过程。

2、P1口

3、P2口

4、P3口

PPT讲授

 

二、时钟电路

常用的时钟电路:内部时钟、外部时钟方式。

内部时钟方式电路

常用晶振频率为:6MHz,12MHz,11.0592MHz等

介绍国产STC系列单片机的时钟电路

外部时钟方式常用于多片单片机之间同步工作

牢记各周期的关系:

 

通过时序图帮助学生理解CPU的取指令的过程

 

 

 

 

 

 

名人故事课程思政

 

 

 

 

 

 

 

 

 

 

 

 

 

 

 

 

 

 

 

 

 

 

 

案例讲解

 

世界上第一个精确测定石英压电定律的科学家严济慈追寻科学之光故事

二、复位电路

1、复位的基本概念

讲解复位的概念、作用及复位条件

复位后的状态,各SFR寄存器的状态

仿真软件Keil中演示

2、复位电路

1)上电复位电路

讲解电路原理及不足

2)按键复位电路

 

讲解电路原理及改进电路

3)专用复位芯片

举例介绍复位芯片MAX813

 

仿真验证

 

重难点

讲解

45分钟)

【问题1】:四个并行I/O口的有哪些异同点?

引导学生从I/O口的内部结构、功能和带负载能力三个方面去归纳总结。

启发学生

思考得出

自结论

 

【问题2】:读I/O口引脚数据时为什么要先输出高电平?如何区分读引脚和读锁存器操作?

引导学生通过分析I/O口的电路结构,理解准双向口的概念,掌握I/O口的两种读操作的区别,学会正确使用I/O口。

弹幕、抢

答,师生

互动

 

【讨论1】:CPU如何实现从内部RAM存储器中读取数据?

导学生从时序图中了解指令的取指令过程,锻炼逻辑思维能力。

组织学生

讨论强化

知识理解

 

 

【问题3】:单片机复位后如何开始工作?

引导学生理解PC、SP、PSW、P0~P3口的初始状态的意义,在Keil软件中仿真演示复位后的状态。

总结归纳

仿真验证

结果

 

【讨论2】:单片机最小应用系统由哪些电路组成?

组织学生分组讨论,得出结论,设计一个单片机最小系统。

小组讨论

抢答、投屏

 

课堂练习

5分钟)

学习通发布课堂练习

巩固练习

加深理解

 

拓展应用

5分钟)

单片机应用系统在受到干扰引起程序“跑飞”或“死循环”使系统失控时,可通过“看门狗”技术使系统摆脱失控,重新开始工作,介绍“看门狗”技术的基本原理及其应用。

 

案例教学

课程思政

严谨的科学态度

工程思维

课堂总结

5分钟)

引导学生总结课堂学习内容,画出思维导图

翻转课堂

 

课后

作业

在仿真软件PRITEUS中设计一个单片机最小应用系统。

思考题

 了解软件复位、软硬件复位和非法地址复位的基本原理,对比几种复位方式的优缺点。

学习效果、学生反馈、反思改进措施等

 

备注

 


分课时教案

知识单元名称

单片机指令系统及其寻址方式

课次

第19讲

授课类型

理论课☑讨论课实验课习题课其他

学时

2

课程目标与要求

知识目标

 

1、了解指令系统

2、掌握指令的分类与格式

3、掌握七种寻址方式

4、掌握数据传送类、算术运算类、逻辑操作类、控制转移类和位操作类等指令及其应用。

能力目标

1、 通过开展提问、课堂讨论等教学活动,使学生掌握指令的格式及其七种不同寻址方式、不同类型指令的应用,培养学生发现问题——分析问题——解决问题的能力;

2、 通过对比单片机硬件和软件,分析指令系统在单片机中的作用,激发学生对学习指令的兴趣;

3、 启发学生运用虚拟仿真软件,搭建单片机应用系统,并加载程序进行仿真调试,验证理论分析的正确性,培养学生的创新思维和解决复杂工程问题的能力。

素质目标

16、引导学生通过对比分析探讨,激发学生的求知欲望和探索热情;

17、培养学生爱国、奋斗、创新、民族自豪感和民族复兴的使命感;

18、培养学生精益求精、追求卓越的工匠精神。

本单元重点

与难点内容

教学重点

1、单片机指令的七种寻址方式

2、不同存储空间使用不同的传送指令, 算术运算类指令对 PSW 的影响, 各类逻辑运算的适用场合, 各类转移指令的转移范围

教学难点

3、七种寻址方式的差异及运用

4、算术运算类指令对 PSW 的影响, 各类逻辑运算的适用场合, 各类转移指令的转移范围

教学内容

27、单片机指令的格式及分类

28、单片机指令的七种寻址方式

29、数据传送类指令、算数运算类指令、逻辑操作类指令、控制转移类指令、位操作类指令

课程思政

介绍求伯君独自一人开发出WPS1.0文字处理软件,并在微软office入侵之后,带领团队将原代码推到全部重写新的WPS,开创了国产文字处理软件并与微软office软件抗衡,激发学生勇于挑战敢于拼搏不服输的精神和民族自豪感。

教学过程设计

教学环节

教学活动

教学方法

思政元素

课前

在学习通上线上观看视频,学习单片机的单片机指令的格式及分类,指令的寻址方式,数据传送类、算术运算类、逻辑操作类、控制转移类和位操作类指令等内容,完成相应知识点测试。

线上学习

 

课中

课程引入

5分钟)

单片机硬件和软件各有什么作用?

求伯君独立开发WPS1.0,并为了应对OFFICE的入侵,将WPS代码推到重写的事迹。

工程案例

课程思政

求伯君开

发WPS的

事迹

学生学习反馈

5分钟)

测试题完成情况、问题反馈

学习通数据反馈

 

知识总结

梳理

20分钟)

四、指令的格式

[标号:]<操作码>[操作数] [操作数][;注释]

操作码是指令的核心,必不可少。指令操作的关键是寻找操作数

五、指令的寻址方式

序号

寻址方式

所用参数

 适用空间 

1

寄存器寻址

R0~R7, A, B, DPTR

内部 RAM 128B(00H-7FH)

SFR (80H-0FFH)

2

直接寻址

direct

 

3

寄存器间接 寻址

@R0, @R1, SP

内部 RAM 128B(00H-7FH)

@R0, @R1, @DPTR

外部 RAM

外部 I/O(0000H-0FFFFH)

4

立即寻址

#DATA

ROM

 

5

变址寻址

@A+DPTR,

@A+PC

 

ROM

6

相对寻址

PC+偏移量 rel

ROM

7

位寻址

Bit

内部 RAM SFR 中可寻址的位

六、不同类型的指令

3.1数据传送类指令29

 

 

 

 

 

 

 

 

 

 

3.2 算数运算类指令24条

1)加减法指令:

无符号数和有符号数由用户自己决定 均以 ACC 作为目的操作数带符号数运算时,必须检查溢出位 OV.

2) 乘除法指令

只能进行无符号的乘除法 虽影响 OV,但意义不同

3.3 逻辑运算类指令24条

“与”指令常用于屏蔽不用的位;“或”指令常用 于拼字程序,使位变为 1;“异或”可使某些位不变,某些位取反。与“0”异或不变,与 “1”异或求反。

3.4 控制转移类指令17条

 

 

 

 

3.5 位操作类指令

位变量传送指令,置位、清零指令,位逻辑运算指令

PPT讲授

 

重难点

讲解

45分钟)

【问题1】:单片机如何寻找指令和数据地址,什么是寻址方式?

讲解七种寻址方式

 

启发学生

思考得出

自结论

 

【问题2】:如何取片外ROM单元数据和片外RAM地址中数据进行运算?

讲解MOVX,MOVC指令的使用以及寄存器间接寻址,启发学生在注意指令的使用场合

弹幕、抢

师生互动

 

【讨论1】:如何分别用C语言和汇编语言在单片机上编程实现流水灯功能?

1C语言实现

举例讲解、引导学生分析程序

2汇编语言实现

举例讲解,引导学生分析程序

【仿真验证】

PROTEUS中完成任务验证结果

【讨论】两种实现方式各有什么优缺点?

 

 

【问题3】:各控制转移指令的转移范围?

讲解控制转移指令的使用场合,启发学生思考各指令的特点及不同场合下指令的选择。

小组讨论

仿真验证

结果

 

课堂练习

5分钟)

学习通发布课堂练习

巩固练习

加深理解

 

拓展应用

5分钟)

介绍王选院士研发汉字照排系统的过程,激励学生艰苦奋斗、自主创新、不断挑战的精神。

视频

王选院士

研发汉字

照排系统

课堂总结

5分钟)

引导学生总结课堂学习内容,画出思维导图

翻转课堂

 

课后

作业

各种寻址方式下如何找到操作数?

思考题

试编出把外部RAM的2050H单元中的内容与2060H单元中的内容相交换的程序?

学习效果、学生反馈、反思改进措施等

 

备注

 

 


分课时教案

知识单元名称

汇编程序设计

课次

第20讲

授课类型

理论课☑讨论课实验课习题课其他

学时

2

课程目标与要求

知识目标

 

1、掌握伪指令

2、掌握顺序程序、分支程序、循环程序和子程序的设计

能力目标

1、通过开展提问、课堂讨论等教学活动,使学生掌握伪指令及顺序程序、分支程序、循环程序和子程序的设计,培养学生发现问题——分析问题——解决问题的能力;

2、通过实际工程案例引入,引导学生分析伪指令格式和应用、顺序程序、分支程序、循环程序和子程序的设计要点,培养学生的科学思维能力和分析能力;

3、启发学生运用虚拟仿真软件,搭建单片机应用系统,并加载程序进行仿真调试,验证理论分析的正确性,培养学生的创新思维和解决复杂工程问题的能力。

素质目标

19、课堂以实际工程案例引入,引导学生通过工程问题探索理论本质,激发学生的求知欲望和探索热情;

20、培养学生爱国、奋斗、创新、民族自豪感和民族复兴的使命感;

21、培养学生精益求精、追求卓越的工匠精神。

本单元重点

与难点内容

教学重点

1、伪指令

2、顺序程序设计、分支程序设计、循环程序设计、子程序设计

教学难点

分支程序设计、循环程序设计、子程序设计的思路

教学内容

伪指令及顺序程序设计、顺序程序设计、分支程序设计、循环程序设计、子程序设计

课程思政

华为公司在面对国外公司封锁禁用安卓操作系统的情况下,自主研发智能终端设备的分布式操作系统华为鸿蒙并将其开源,逐步构建起我国自主研发的面向万物互联时代的OpenHarmony生态系统。以此激励学生自力更生、奋发图强的顽强拼搏精神和民族自豪感。

教学过程设计

教学环节

教学活动

教学方法

思政元素

课前

学习通上线上观看视频,学习伪指令格式,顺序程序设计、分支程序设计、循环程序设计、子程序设计等内容,完成知识点测试和研讨任务。

线上学习

 

课中

课程引入

5分钟)

播放AlphaGo能打败围棋职业高手视频,讲述算法在程序设计中的重要性,激发学生学习的兴趣。

工程案例

课程思政

AlphaGo

能打败围

棋职业高

学生学习反馈

5分钟)

测试题完成情况、问题反馈

学习通数据反馈

 

知识总结

梳理

20分钟)

七、伪指令

伪指令与指令区别

伪指令格式

八、程序设计方法

2.1 顺序程序设计

顺序程序设计思路

2.2分支程序设计

分支程序设计的思路

2.3 循环程序设计

循环程序设计的思路

2.4子程序设计

子程序设计的思路

PPT讲授

 

重难点

讲解

45分钟)

【问题1】:汇编语言与机器语言、高级语言的区别和联系?伪指令与指令的区别?

讲解汇编语言的特点及伪指令的作用,启发学生思考汇编语言如何编写

启发学生

思考得出

自结论

 

【问题2】:顺序程序设计的步骤有哪些?

讲解顺序程序设计思路,启发学生思考顺序程序设计的应用场合

弹幕、抢

师生互动

 

【讨论1】:求s=1+(1+2)+…+(1+2+3+…+n)的值,其中n由键盘输入。

【小组交流】如何确定循环程序中的循环次数?

学生汇报

教师点评

小组讨论

仿真验证

结果

 

【问题3】:分支程序设计、循环程序设计、子程序设计的步骤有哪些?

讲解各程序设计思路,启发学生思考各程序设计的应用场合

总结归纳

 

 

课堂练习

5分钟)

学习通发布课堂练习

巩固练习

加深理解

 

拓展应用

5分钟)

介绍华为鸿蒙智能终端操作系统的研发,激励学生艰苦奋斗、自主创新的精神。

 

视频

华为鸿蒙

智能终端

操作系统

研发

课堂总结

5分钟)

引导学生总结课堂学习内容,画出思维导图

翻转课堂

 

课后

作业

输入三角形的三边长,判断能否构成三角形,若能构成,则计算出三角形的面积,否则,输出“不能构成三角形”的信息。

思考题

单片机原理中伪指令与微机原理中伪指令的区别?

学习效果、学生反馈、反思改进措施等

 

备注

 


分课时教案

知识单元名称

MCS-51单片机的功能部件(1)

课次

21

授课类型

理论课☑讨论课实验课习题课其他

学时

2

课程目标与要求

知识目标

 

1、了解中断系统的结构、掌握中断控制寄存器的特点和要求、掌握中断响应的条件、过程与处理、掌握中断系统的编程应用

2了解定时/计数器的结构、掌握定时/计数器寄存器的特点和要求、掌握定时/计数器的编程应用

能力目标

1、通过开展提问、课堂讨论等教学活动,使学生掌握中断系统和定时/计数器,培养学生发现问题——分析问题——解决问题的能力;

2、通过实际工程案例引入,引导学生分析中断系统和定时/计数器的设计要点,培养学生的科学思维能力和分析能力;

3、启发学生运用虚拟仿真软件,搭建单片机应用系统,并加载程序进行仿真调试,验证理论分析的正确性,培养学生的创新思维和解决复杂工程问题的能力。

素质目标

1、课堂以实际工程案例引入,引导学生通过工程问题探索理论本质,激发学生的求知欲望和探索热情;

2、培养学生爱国、奋斗、创新、民族自豪感和民族复兴的使命感;

3、培养学生精益求精、追求卓越的工匠精神。

本单元重点

与难点内容

教学重点

1、中断系统结构、中断初始化,中断响应过程

2、定时/计数器及其编程

教学难点

中断响应过程、编程应用及定时/计数器编程

教学内容

中断系统的结构、中断源、控制寄存器及编程和定时/计数器及其编程

课程思政

      2021东京奥运会中国乒乓球队夺得多项奥运金牌的辉煌战绩,讲述生产生活中中断的重要性,介绍十字路口交通灯控制系统,激励学生不断探索、自主学习、研发创新。

教学过程设计

教学环节

教学活动

教学方法

思政元素

课前

学习通上线上观看视频,学习中断系统及其编程、定时/计数器及其编程等内容,完成知识点测试和研讨任务。

线上学习

 

课中

课程引入

5分钟)

【播放视频】2021东京奥运会中国乒乓球队夺得多项奥运金牌的辉煌战绩,讲述生产生活中中断的重要性,介绍十字路口交通灯控制系统,激励学生不断探索、自主学习、研发创新。

工程案例

课程思政

2021东

京奥运会

中国乒乓

球队的辉

煌战绩

学生学习反馈

5分钟)

测试题完成情况、问题反馈

学习通数据反馈

 

知识总结

梳理

(20分钟)

一、中断系统

1、  中断系统的结构

89C51的中断系统有5个中断源,2个优先级,可实现二级中断嵌套

  

1、中断控制寄存器

TCON、SCON、IE、IP特点、要求及注意事项

2、中断响应与处理

3、初始化编程及应用

触发方式设置、优先级设置、开中断

主程序和中断服务程序的编写

 

二、          定时/计数器

1、定时/计数器的结构和工作原理

2 个定时器 T0 和 T1:16 位加 1 计数器,通过编程来设置工作状态

2、定时器/计数器的控制

3、定时器/计数器工作方式

4、初始化编程及应用

PPT讲授

 

重难点

讲解

45分钟)

【问题1】:利用查询法使用定时器编程的弊端

从学生的回答中引出单片机的中断系统

启发学生

思考得出

自结论

 

【问题2】:乒乓球比赛中,可以使比赛暂停的方法即来源有哪些?裁判员如何知道教练员想要请求暂停比赛?

使用类比教学法说明MCS—51单片机中断的来源说明中断请求标志寄存器的作用启发学生思考中断控制及计数器的应用场合。

弹幕、抢

师生互动

 

【讨论1】:如何设计 P1.0、P1.1 经 7407 驱动 LED 交替发光并以每秒一次的频率闪烁

【小组交流】如何确定定时时间为1秒?

学生汇报

教师点评

小组讨论

仿真验证

结果

 

【问题3】:中断是否有求必应?如何设置优先级?

讲解中断响应的条件,响应过程和所需时间,启发学生思考中断请求的撤除问题

总结归纳

 

 

课堂练习

5分钟)

学习通发布课堂练习

巩固练习

加深理解

 

拓展应用

5分钟)

介绍十字路口交通灯控制系统,激励学生不断探索、自主学习、研发创新。

视频

 

课堂总结

5分钟)

引导学生总结课堂学习内容,画出思维导图

翻转课堂

 

课后

作业

如何实现一个简易门铃,即按键按下发出“叮咚”的门铃声?如何设置门铃响声延时2秒钟?

思考题

外部多个中断源如何向单片机申请中断?外部中断源的优先级如何确定?

51单片机定时/计数器与8253的异同?

学习效果、学生反馈、反思改进措施等

 

备注

 


分课时教案

知识单元名称

MCS-51单片机的功能部件(2

课次

22

授课类型

理论课☑讨论课实验课习题课其他

学时

2

课程目标与要求

知识目标

 

1、了解串行通信基础知识

2、掌握串行口结构及控制寄存器

3、掌握串行通信的工作方式

4、掌握串行通信的编程应用

能力目标

1、通过开展提问、课堂讨论等教学活动,使学生掌握串行通信的特点及应用,培养学生发现问题——分析问题——解决问题的能力

2、通过实际工程案例引入,引导学生分析串行通信的优点,培养学生的科学思维能力和分析能力

3、启发学生运用虚拟仿真软件,搭建单片机应用系统,并加载程序进行仿真调试,验证理论分析的正确性,培养学生的创新思维和解决复杂工程问题的能力

素质目标

22、课堂以实际工程案例引入,引导学生通过工程问题探索理论本质,激发学生的求知欲望和探索热情;

23、培养学生爱国、奋斗、创新、民族自豪感和民族复兴的使命感;

24、培养学生精益求精、追求卓越的工匠精神。

本单元重点

与难点内容

教学重点

串行通信的工作方式

教学难点

串行通信的编程应用

教学内容

串行接口结构、工作方式及应用

课程思政

播放北斗卫星实时导航和快速定位视频,宣扬突破自我,努力拼搏精神,说明通信技术应用在工业及生活中的重要作用,引入单片机串行通信。

 

教学过程设计

教学环节

教学活动

教学方法

思政元素

课前

学习通上线上观看视频,学习串行接口结构、工作方式及应用等内容,完成知识点测试和研讨任务。

线上学习

 

课中

课程引入

5分钟)

【播放视频】播放北斗卫星实时导航和快速定位视频,宣扬突破自我,努力拼搏精神,说明通信技术应用在工业及生活中的重要作用,引入单片机串行通信。

工程案例

课程思政

北斗卫星

实时导航

学生学习反馈

5分钟)

测试题完成情况、问题反馈

学习通数据反馈

 

知识总结

梳理

(20分钟)

1、  通信的基本方式

并行通信和串行通信的优缺点

2、  串行通信

通信方式、制式和校验

3、  串行接口的结构

TXD和RXD  

4、  控制寄存器

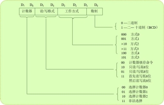
SCON、PCON设置及波特率设计

5、  串行口工作方式

方式0、1、2、3

6、  串行口应用

初始化编程和通信程序的编写

PPT讲授

 

重难点

讲解

45分钟)

【问题1】:计算机与外界的数据传送方式

从学生的回答中引出单片机的串行接口。

启发学生

思考得出

自结论

 

【问题2】:电力系统中,为保证系统安全运行,经常需要对电力系统的参数进行监控,而主监控室距离电力线又较远,如何解决

运用实际工程案例教学法说明单片机串行通信的重要性;说明串行通信接口结构和控制寄存器,启发学生思考其应用的特点。

弹幕、抢

师生互动

 

【讨论1】:设计串行口通过74LS164的输出来控制8个外接LED发光二极管亮灭的接口电路,编写程序控制8个发光二极管流水点亮。

【小组交流】工作方式选择和设置?

学生汇报

教师点评

小组讨论

仿真验证

结果

 

【问题3】:串行通信时,通信双方要遵守通信协议吗?

讲解串行通信的工作方式,启发学生思考工作方式应该怎样选择。

总结归纳

 

 

课堂练习

5分钟)

学习通发布课堂练习

巩固练习

加深理解

 

拓展应用

5分钟)

介绍神舟十二号发射和安全返回过程中涉及的单片机知识,激励学生艰苦奋斗、自主创新的精神。

视频

 

课堂总结

5分钟)

引导学生总结课堂学习内容,画出思维导图

翻转课堂

 

课后

作业

设计一个89C51单片机的双机通信系统,其波特率为1200,甲机发送,发送数据在外部RAM 4000~4001H单元中。乙机接收,并把接收到的数据块首末地址及数据依次存入RAM 5000H开始的区域中。

思考题

如何实现单片机多机通信?

学习效果、学生反馈、反思改进措施等

 

备注

 

 

 

分课时教案

知识单元名称

定时/中断实验

课次

 

第23

授课类型

理论课讨论课实验课☑习题课其他

学时

 

2

课程目标与要求

 

掌握单片机的内部定时/计数器的结构和工作原理、初始化的编程、51单片机的中断管理,分别用中断和查询两种方法编写程序。

本单元重点

与难点内容

 

重点:(1)定时/计数器的结构和工作原理、4种工作方式的特点

      (2) 定时器/计数器的控制、初始化编步骤、初始化编程及应用

     (3)查询 和中断两种方法的编程注意事项

难点:定时器/计数器的扩展的编程、计数器时外部脉冲的不同引入引脚(P3.4、P3.5)

教学内容

 

(1)用T0/T1选择工作方式1,编一个50MS(60MS、200MS)的定时器,时间到改变发光二级管的状态。

(2)用T0/T1选择工作方式2,编写一个计数器,计数满改变发光二级管状态

(3)定时计数器的扩展

课程思政

 

以北斗卫星原子钟的研究为例、强调自主创新的重要性,学习科学家的拼搏精神

教学过程设计:

教学方法及手段、课堂互动题设置、教学改革措施等

 

(1))花15分钟时间讲解本次实验的内容和要求,以及51单片机内部定时器的结构

和工作原理、初始化编程步骤、5个中断源及中断相关的寄存器、中断编写程序的要素。

(2)计划10分钟介绍单片机实验箱,电路的构建、实验步骤、操作软件的使用

(3)自己动手操作,编写程序、构建实验电路、下载调试,老师巡视课堂,及时解答实验过程中遇到的硬软件问题,换定时器、改变工作方式怎样修改程序。

下课前1 0分钟 总结这次实验同学的常见问题,强调掌握的重点知识点。

作业与

思考题设置

 

思考定时计数器工作方式的特点及不同场合工作方式的选择,定时计数器扩展的方法及编程

学习效果、学生反馈、反思改进措施等

 

学生了解51单片机定时/计数器的内部结构和工作原理地址、以及初始编程的步骤、5个中断源的不同入口地址、相应寄存器的控制位。考虑部分学有余力的同学选做模拟电子琴的程序,分层教学。

备注

 

 

 

分课时教案

知识单元名称

MCS-51单片机典型外围接口技术(1)

课次

24

授课类型

理论课☑讨论课实验课习题课其他

学时

2

课程目标与要求

知识目标

 

1、掌握单片机并行I/O端口的组成结构及工作原理掌握I/O端口驱动LED灯的方式掌握 LED数码管的组成结构、显示原理及接口方法;了解LED点阵显示器的硬件结构原理,掌握字形码的生成和显示控制方法。

2、了解键盘的分类、按键的结构和去抖方法;掌握独立键盘的识别原理及接口方法;掌握矩阵键盘的扫描原理;掌握矩阵键盘的接口方法及应用。

能力目标

1、通过开展提问、课堂讨论等教学活动,使学生掌握I/O端口的结构原理及应用、独立式键盘和矩阵式键盘的结构原理及应用,培养学生发现问题——分析问题——解决问题的能力;

2、通过实际工程案例引入,引导学生分析LED显示器的结构、工作原理及使用,分析LED显示器的结构、工作原理及使用培养学生的科学思维能力和分析能力;

3、启发学生运用虚拟仿真软件,搭建单片机应用系统,并加载程序进行仿真调试,验证理论分析的正确性,培养学生的创新思维和解决复杂工程问题的能力。

素质目标

1、课堂以实际工程案例引入,引导学生通过工程问题探索理论本质,激发学生的求知欲望和探索热情;

2、培养学生爱国、奋斗、创新、民族自豪感和民族复兴的使命感;

3、培养学生精益求精、追求卓越的工匠精神。

本单元重点

与难点内容

教学重点

1、数码管显示器的接口方法、LED点阵显示屏显示原理

2、独立键盘的接口方法、矩阵键盘的接口应用

教学难点

1、动态显示接口方法及程序编写

2、矩阵键盘的扫描原理及编程

教学内容

1、单片机四个并行端口的组成结构与工作原理;LED显示器的结构于与显示原理;LED显示器的接口方法及应用编程。

2、键盘的概述独立式键盘的结构及接口应用矩阵式键盘的结构及接口应用

课程思政

播放庆祝中华人民共和国成立 70周年联欢会视频,重点展示首都北京建筑物墙体巨幅LED 点阵屏幕显示“我爱你中国”“祖国万岁”等画面,在烘托爱国主义情感的氛围中,引出学生对 LED 点阵显示器工作原理和发展历程的思考。

 

教学过程设计

教学环节

教学活动

教学方法

思政元素

课前

学习通上线上观看视频,学习中断系统及其编程、定时/计数器及其编程等内容,完成知识点测试和研讨任务。

线上学习

 

课中

课程引入

5分钟)

【播放视频】课堂导入环节,播放庆祝中华人民共和国成立 70周年联欢会视频,重点展示首都北京建筑物墙体巨幅LED 点阵屏幕显示“我爱你中国”“祖国万岁”等画面,在烘托爱国主义情感的氛围中,引出学生对 LED 点阵显示器工作原理和发展历程的思考。

工程案例

课程思政

庆祝中华

人民共和

国成立 70

周年

学生学习反馈

5分钟)

测试题完成情况、问题反馈

学习通数据反馈

 

知识总结

梳理

(20分钟)

一、I/O端口的结构

I/O口的基本组成:锁存器、缓冲器和驱动电路

P0口的结构

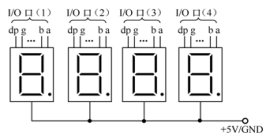
二、LED显示器件

1、LED灯的结构特点

 

 

2、数码管的结构及显示原理

 

 

 

3、LED点阵屏的结构及显示原理


总结这些LED显示器的特点与适用场合。


三、I/O端口与LED显示器件的接口

1、限流电阻

 

2、数码管的接口方式

1)静态显示

 

 

 

2)动态显示

3、点阵屏的接口

   点阵屏的接口与数码管的接口方法一致,引导学生分析总结。

四、键盘的概述

1、介绍键盘的分类

编码键盘:由硬件逻辑电路完成必要的键识别工作与可靠性措施。每按一次键,键盘自动提供被按键的读数,同时产生一选通脉冲通知微处理器,一般还具有反弹跳和同时按键保护功能。这种键盘易于使用,但硬件比较复杂,对于主机任务繁重之情况,采用8279可编程键盘管理接口芯片构成编码式键盘系统是很实用的方案。

  非编码键盘:只简单地提供键盘的行列与矩阵,其他操作如键的识别,决定按键的读数等仅靠软件完成,故硬件较为简单,但占用CPU较多时间。有:独立式按键结构、矩阵式按键结构。

IMG_256按键去抖的方法

抖动:按键在闭合或断开瞬间,触点由于机械弹性作用会出现抖动现象,然后才能稳定。抖动时间一般为5-10ms。

 

硬件去抖:采用RS触发器

软件去抖:延时5-10ms

 

五、独立键盘的接口

1、键盘结构

      独立式按键就是各按键相互独立,每个按键单独占用一根I/O口线,每根I/O口线的按键工作状态不会影响其他I/O口线上的工作状态。因此,通过检测输入线的电平状态可以很容易判断哪个按键被按下了。

        

优点:电路配置灵活,软件结构简单。

 缺点:每个按键需占用一根I/O口线,在按键数量较多时,I/O口浪费大,电路结构显得复杂。

 应用场合按键较少或操作速度较高的场合

2、接口电路

以4个独立按键为例讲解接口方法

3、应用举例

例:4个按键控制8个LED灯的四种显示状态。

1、硬件设计

PROTEUS中绘制电路

2、软件设计

Keil中编制调试程序

3、仿真演示

六、矩阵键盘的接口

1、结构

已4*4键盘为例讲解

2、扫描原理

1)扫描法以逐列扫描方法为例介绍扫描过程。

对键盘进行逐列扫描,通过检测到的行的输出状态来确定闭合键。 先列全0,读行值,全1无摁键,非全1有键摁下; 

有键摁下时: 逐列输出0,查行值:有0则该列该行交叉处即为摁键位置.

2)线反转法通过行列颠倒两次扫描来识别闭合键。

先行输出0,读列,全1则无摁键,有0有摁键,得列值;

再输出此列值,读行得行值—此列值+行值=闭合键的特征值

3、扫描的方式

1)定时扫描方式:在程序初始化时,先对定时/计数器进行设置,使其每定时10ms中断一次,每次中断,CPU将去扫描一次键盘,若两次中断扫描到有键按下(这里考虑了消抖动),CPU将对键作相应的处理。

2)中断扫描方式:采用中断扫描方式必需有外部中断接口, 当有键按下时,产生中断请求,CPU响应中断,在中断服务程序扫描键盘,作相应处理。这是多任务应用系 统常用的一种方式。

 

PPT讲授

 

重难点

讲解

45分钟)

【问题1】:I/O引脚的驱动能力如何?

引导学生查阅单片机的数据手册,掌握I/O端口引脚的负载能力,培养严谨的治学态度。

启发学生

思考得出

自结论

 

【问题2】:数码管如何实现动态显示?

启发学生思考静态和动态显示的区别。

师生互动

启发学生

思考得出

自结论

 

【讨论1】:当独立键盘中按键个数较多时如何提高按键识别的效率?

【小组交流】加上与门电路,使得任何一个按键按下,都能产生中断,然后在中断里面识别是哪个按键被按下

学生汇报

教师点评

小组讨论

仿真验证

结果

 

【问题3】:矩阵按键中哪种扫描方式更好?

讲解矩阵按键中定时扫描方式和中断扫描方式,启发学生思考中断比定时扫描效率更高的问题

总结归纳

 

 

课堂练习

5分钟)

学习通发布课堂练习

巩固练习

加深理解

 

拓展应用

5分钟)

1、【播放视频】:未来显示技术之争,介绍LCD、OLED、Mini LED及MicroLED的显示原理,激发学生对最新显示技术的学习兴趣,激励学生努力学习,自主创新。

2、在单片机应用系统中,为简化硬件线路,缩小整个系统的规模,总希望设置最少的按键,获得最多的控制功能。可通过软件的方法让一键具有多功能。方法选择一个RAM工作单元,对某一个按键进行按键计数,根据不同计数值,转到子程序。这种计数多功能键最好与显示器结合用,以便知道当前计数值,同时配合一个启动键。

多功能键的利用,应具体情况具体分析。要求速度的场合最好做一键一功能。如果系统功能很多,一键一功能不现实,可采取一键多功能。

单片机I/O引脚资源紧张,MCU又具备ADC的应用,可以考虑使用ADC引脚来接按键,其电路组成如下图所示

当按键按下时,按键对应的电阻构成分压电路,ADC采集电阻上的电压,可以使用查表或者计算的方式得到被按下按键的序号。这种方案优点是只需要一个ADC管脚即可识别多个按键的动作,还可以检测多个按键同时按下的动作,对ADC的精度也没有很高的要求;缺点是不能提供中断触发信号。在分压电阻取值时应当注意不同按键按下时对应的电压差不能小于ADC的检测精度,否则无法识别到底是哪个按键按下。另外,ADC检测到的值并不是精确稳定的,而是会在某个电压范围内抖动,在编写程序时可以采用判断电压范围的方式来避免误判。

视频

 

课堂总结

5分钟)

引导学生总结课堂学习内容,画出思维导图

翻转课堂

 

课后

作业

1、  设计一个LED点阵显示屏显示自己名字,完成仿真调试。

2、  设计一个单片机应用系统,控制4*4键盘和8个LED数码管,实现键盘输入数字在8个数码管上从右向左依次显示,并可对显示数字进行修改。

思考题

1、  如何实现LED点阵屏的动态显示?

2、  按键扫描检测程序中,如果主循环程序中有某个子程序(函数)占用时间较长,则按键会发生或长或短的“失灵”,改如何解决呢?

学习效果、学生反馈、反思改进措施等

 

备注

 


分课时教案

知识单元名称

键盘显示实验

课次

第25讲

授课类型

理论课讨论课实验课☑习题课其他

学时

2

课程目标与要求

1、键盘的分类、按键的结构和去抖方法;掌握独立键盘的识别原理及接口方法;掌握矩阵键盘的扫描原理。

2、掌握 LED数码管的组成结构、显示原理及接口方法、掌握单片机并行I/O端口的组成结构及工作原理;掌握I/O端口驱动LED灯的方式。

本单元重点

与难点内容

重点:(1)并行I/O端口的工作原理、独立键盘和矩阵式键盘的不同应用。

      (2)查到按下的是哪颗键的方法。

      (4)数码管显示器的接口方法、LED点阵显示屏显示原理

难点:(1)数码管动态显示方法及编程;(2)矩阵键盘的扫描原理及编程

教学内容

编程实现按8颗独立式按键,在数码管上显示键的编号(0—7)。要求不同方法实现查键(位查询、查表);不同数码管上可以显示静态的值(学号最后两位)、显示动态的值。

课程思政

以深圳大疆科技公司的无人机为例自主创新、勇做行业领头羊,增强同学的民族自豪感

教学过程设计:

教学方法及手段、课堂互动题设置、教学改革措施等

(1))花15分钟时间讲解本次实验的内容和要求。讲解51单片机并行I/O端口的工作原理、独立键盘和矩阵式键盘的不同应用;查键的方法、数码管显示的原理(位地址、段地址的控制),动态显示、静态显示的区别。

(2)计划5分钟介绍实验电路的构建、实验步骤、实验注意事项(数据排线上下不能插反)

(3)学生动手操作,构建实验电路、编写程序、下载调试,老师巡视课堂,及时解答实验过程中遇到的硬软件问题。

下课前1 0分钟 总结这次实验同学的常见问题,强调掌握的重点知识点。

作业与

思考题设置

思考单片机几个并行I/O的实际应用,I/O引脚的驱动能力如何?数码管如何实现动态显示?

学习效果、学生反馈、反思改进措施等

由于接线较多,有的小组操作耽误时间较多;用查表法实现查键的小组不多,多数用位查询法实现,要求加强预习。

备注

 

 

 

分课时教案

知识单元名称

MCS-51单片机典型外围接口技术(2

课次

26

授课类型

理论课☑讨论课实验课习题课其他

学时

2

课程目标与要求

知识目标

 

1、了解A/D转换、D/A转换的作用和指标

2、掌握ADC0809的结构和引脚

3、掌握ADC0809的接口和应用

4、掌握DAC0832的结构和引脚

5、掌握DAC0832的接口和应用

能力目标

1、通过开展提问、课堂讨论等教学活动,使学生掌握DAC0832和ADC0809,培养学生发现问题——分析问题——解决问题的能力;

2、通过实际工程案例引入,引导学生分析DAC0832和ADC0809以及应用设计要点,培养学生的科学思维能力和分析能力;

3、启发学生运用虚拟仿真软件,搭建单片机应用系统,并加载程序进行仿真调试,验证理论分析的正确性,培养学生的创新思维和解决复杂工程问题的能力。

素质目标

1、课堂以实际工程案例引入,引导学生通过工程问题探索理论本质,激发学生的求知欲望和探索热情

2、培养学生爱国、奋斗、创新、民族自豪感和民族复兴的使命感;

3、培养学生精益求精、追求卓越的工匠精神。

本单元重点

与难点内容

教学重点

A/D转换器、D/A转换器与单片机的应用

教学难点

A/D转换器、D/A转换器的应用

教学内容

D/A转换器DAC0832的结构、工作原理、与单片机的连接及其编程应用

A/D转换器ADC0809的结构、工作原理、与单片机的连接及其编程应用

课程思政

          展示在疫情防控中发挥重要作用的智能红外测温仪,手持式的智能红外测温仪对学生并不陌生,通过简要介绍其结构和工作原理,使学生明白单片机在整个装置中发挥的重要作用,以此来加深学生对单片机在智能化的电子产品中应用的理解,激发学生专业学习的浓厚兴趣和现实意义,更能加强学生学好专业技能的责任感和使命感。

教学过程设计

教学环节

教学活动

教学方法

思政元素

课前

学习通上线上观看视频,学习D/A转换器及其编程、A/D转换器及其编程等内容,完成知识点测试和研讨任务。

线上学习

 

课中

课程引入

5分钟)

【实物展示】展示在疫情防控中发挥重要作用的智能红外测温仪,手持式的智能红外测温仪对学生并不陌生,通过简要介绍其结构和工作原理,使学生明白单片机在整个装置中发挥的重要作用,以此来加深学生对单片机在智能化的电子产品中应用的理解,激发学生专业学习的浓厚兴趣和现实意义,更能加强学生学好专业技能的责任感和使命感。

工程案例

课程思政

智能红外

测温仪

学生学习反馈

5分钟)

测试题完成情况、问题反馈

学习通数据反馈

 

知识总结

梳理

(20分钟)

5、ADC及其接口

(1)    ADC0809的结构和引脚

ADC0809是一种8路模拟输入8路数字输出的逐次比较型A/D转换器。有28个引脚。IN7IN0:模拟量输入通道;ADDAADDBADDC:地址线;ALE:地址锁存允许信号;D7D0:数据输出线;OE:输出允许信号;EOC:转换结束状态信号;CLOCK:时钟信号;Vref:参考电源。

(2)    ADC0809的接口和应用

ADC080989C51单片机的连接方式很多。电路连接主要涉及两个问题,一是8路模拟信号通道选择,二是A/D转换完成后转换数据的传送。8路模拟信号通道选择线的连接方法有2种:与DB连接和与AB连接。

  A/D转换后得到的是数字量的数据,这些数据应传送给单片机进行处理。数据传送的关键问题是如何确认A/D转换完成,因为只有确认数据转换完成后,才能进行传送。为此,可采用下述三种方式。

1)    定时传送方式

2)    查询方式

3)    中断方式

6、DAC及其接口

(1)    DAC0832的结构和引脚

DAC0832有20个引脚,DI0—DI7是数字量输入信号线;ILE:输入锁存允许信号;CS:片选输入;WR1:写信号1XFER:传送控制信号;WR2:写信号2Iout1Iout2:两个电流输出端;Vref:参考电压输入;Rfb:反馈电阻输入;

 

(2)    DAC0832的接口

DAC0832转换器可以有三种工作方法,即直通方式、单缓冲方式和双缓冲方式。

1)直通方式:

2)单缓冲方式:

3)双缓冲方式

PPT讲授

 

重难点

讲解

45分钟)

【问题1:如何知道AD转换已经完成?

讲解ADC0809的引脚功能重点讲解ADC0809与单片机的接口方法和应用,启发学生思考定时传送方式、查询方式和中断方式的优缺点。

启发学生

思考得出

自结论

 

【问题2】:实际的DA转换波形是光滑的吗?

讲解DA转换的原理,启发学生思考不同的波形产生方法。

师生互动

启发学生

思考

 

【设计任务】多路数据采集系统。

【小组交流】:单片机与ADC0809如何接口?如何选择通道?

学生汇报

教师点评

小组讨论

仿真验证

结果

 

【问题3】:双缓冲方式下两个DAC0832输出不同波形?

讲解DAC0832与单片机连接方法,启发学生思考三种连接方法的应用场合。

总结归纳

 

 

课堂练习

5分钟)

学习通发布课堂练习

巩固练习

加深理解

 

拓展应用

5分钟)

【播放视频】介绍数字航空航天接口激励学生艰苦奋斗、勇攀科学高峰的精神。

视频

 

课堂总结

5分钟)

引导学生总结课堂学习内容,画出思维导图

翻转课堂

 

课后

作业

设计简易波形发生器。

思考题

正弦波如何产生?

学习效果、学生反馈、反思改进措施等

 

备注

 

分课时教案

知识单元名称

D/A转换实验

课次

第28讲

授课类型

理论课讨论课实验课☑习题课其他

 

学时

2

课程目标与要求

1、了解A/D转换、D/A转换的作用和指标

2、掌握DAC0832的结构和引脚

3、掌握DAC0832的接口和应用

本单元重点

与难点内容

重点:D/A转换器DAC0832的结构、工作原理、与单片机的连接及其编程应用

难点:D/A转换器DAC0832的5个控制信号实现3种工作方式(直通、单缓冲、双缓冲)

教学内容

编程实现1、阶梯波  2、三角波、3、锯齿波

课程思政

以格力空调为例,潜心技术创新,做优质的产品,走出国门,占领国际市场

教学过程设计:

教学方法及手段、课堂互动题设置、教学改革措施等

(1))花15分钟时间讲解本次实验的内容和要求。讲解DAC0832的结构和引脚与单片机的连接;DAC0832的三种工作方法,即直通方式、单缓冲方式和双缓冲方式;DAC0832的工作原等

(2)计划10钟介绍实验电路的构建、实验步骤、实验注意事项强调片选信号的选择与程序语句的地址对应;数字示波器的使用。

(3)学生动手操作,构建实验电路、编写程序、下载调试,老师巡视课堂,及时解答实验过程中遇到的硬软件问题。

下课前1 0分钟 总结这次实验同学的常见问题,强调掌握的重点知识点。

作业与

思考题设置

实验电路是单缓冲的连接方式,请学生思考三种连接方法的应用场合,思考双缓冲方式下两个DAC0832输出不同波形?

学习效果、学生反馈、反思改进措施等

由于要用示波器测量输出的波形,有的学生程序是对的,不会调示波器,没测到波形;大多数同学测到自己编程实现的波形很开心;片选信号接的插孔与程序的地址不对应造成没有波形输出,强调片选信号的理解。

备注