《现代控制理论B》教案

 

 

 

 

教 案

   2023/ 2024学年第 2 学期

 

 

 

 

 

 

 

 

 

课程名称:现代控制理论B

课程性质:考试

授课学时:32学时

授课对象:自动化

任课教师: 周玲

 

 

 

长沙理工大学电气与信息工程

2024.2

 

 

 

全课程教案

一、基本信息

课程名称

现代控制理论B

课程编号

D0811000385

课程性质

专业基础课

学分

2

教学安排

总学时32。其中讲授32学时,实验0 学时,上机 0 学时,实训 0 学时

授课时间:第 1周至第11

周学时

3

相关课程与环节

先修《高等数学》 《电工电子学》《模拟电子技术数字电子技术,后续《智能控制》《过程控制及仪表》等

 

二、授课对象

基本情况

专业

自动化

年级

21

班级

1-4

修读人数

129

授课对象分析

自动化专业,既注重理论学习,又注重实际应用

 

三、教学内容与安排

课程简介与要求

现代控制理论B》是自动化专业的主干课程是学习后续专业课的重要基础,也是自动化专业硕士研究生入学后的专业课。通过本课程的学习,使学生掌握现代控制理论的基础知识,初步具备应用状态空间法分析和设计控制系统的能力,并为今后进一步深入学习、研究现代控制理论打下扎实的基础。

 充分理解状态变量,状态空间,能控性,能观性,Lyapunov稳定性,极点配置及状态重构等概念,掌握由传递函数或微分方程建立状态空间表达式,由状态空间表达式求传递函数(阵)以及状态空间表达式的线性变换方法,掌握极点配置和状态观测器等设计方法。

 

课程目标

课程目标

支撑毕业要求指标点

与课程关联度

1/工程知识:具有从事自动化专业工作所需的相关数学、自然科学、工程基础、专业知识和技能,并能够将上述知识和技能用于解决复杂自动化工程问题。

1.1具有从事自动化专业工作所需数学、自然科学、工程基础和专业知识和技能。

M

2/问题分析:能够应用数学、自然科学和工程科学的基本原理,并通过文献查阅与研究,发现、描述、分析复杂自动化工程问题,以获得有效结论。

2.1 能够运用数学、自然科学和工程科学的基本原理,分析影响复杂自动化系统的关键因素,能够采用合适的数学模型描述复杂自动化系统。

H

2.3 能够运用数学、自然科学和工程科学的基本原理,分析复杂自动化系统性能,以获得有效结论。

4/研究:能够基于科学原理并采用科学方法对复杂自动化工程问题进行研究,包括理论推导、实验设计、数据分析,并通过信息综合得到合理有效的结论。

4.2 能够针对复杂自动化工程问题的特征,设计合理的仿真实验方案,通过对仿真实验数据和结果的分析研究,得到复杂自动化系统设计方案是否合理的结论。

M

课程思政

每节课都设计相对应的思政案例:弘扬爱国主义、刻苦钻研精神工匠精神等。

 

教学方法

1、采用线下教学

2、采用理论教学与实际案例相结合的方法,课堂讲授与学生讨论、案例教学、Matlab仿真相结合的原则进行教学。充分利用数字化技术、网络教学平台等,结合教师当面辅导,解决学生学习中的疑惑。

3、课程内容融合课程思政教学,具体思政案例在相对应章节。

 

教学重点

与难点

重点1现代控制理论基本概念和原理的理解与掌握

2掌握建立状态空间模型的方法

4掌握线性系统状态方程的求解方法

5掌握线性系统能控性与能观性的分析方法

6掌握控制系统稳定性的分析方法

7掌握系统极点配置和状态观测器的设计方法

 

难点1、非齐次线性系统状态方程的求解

2李雅普诺夫稳定性分析第一第二法;

3极点配置及观测器的设计。

 

 

课程各教学环节内容与安排

知识单元

知识点

课内学时

教学方式

作业/测验

课外学习

1

绪论

2

面授、思政案例教学、微课、线上同步课堂

2

 

第二章

控制系统状态空间描述

8

面授、微课、项目式学习、线上同步课堂、线下针对辅导

3

 

第三章

线性控制系统的运动

4

面授、微课、项目式学习、线上同步课堂、仿真、线下针对辅导

作业+综合训练

 

第四章

系统能控性与能观性

6

面授、微课、项目式学习、线上同步课堂、仿真、线下针对辅导

作业+次综合训练

 

第五章

稳定性与李雅普诺夫理论

4

面授、微课、项目式学习、线上同步课堂、仿真、线下针对辅导

作业+次综合训练

 

第六章

线性定常系统的综合

8

面授、微课、项目式学习、线上同步课堂、仿真、线下针对辅导

2

 

注:课程目标、教学方法、重难点、教学环节(知识单元、知识点等)等内容应与教学大纲、教学日历一致。课外学习可包括学时和内容要求。

 

四、考核方式

考核项目

考核内容

考核方式

分值或占比

期末考试

课程教学内容

闭卷

60

小测验

各知识模块

随堂考试

10

作业

课后习题

提交作业

10

课堂表现

出勤率和课堂参与度

考勤、课堂讨论、课堂展示等

10

实训

 

实训与上机

10

上机

 

 

 

 

 

 

注:考核方式应符合课程教学大纲的要求。

 

五、教学资源

推荐教材

 

[1] 现代控制理论.张嗣瀛高立群. 北京:清华大学出版社,2017年版

 

参考材料

主要参考书:

[1] 现代控制理论.  张宇献,李勇.北京:电子工业出版社,2017年版

[2] 现代控制理论.胡寿松.北京:科学出版社,2011年版

[3] 现代控制理论.刘豹,唐万生. 北京:机械工业出版社,2017年版

 

课程资源

教务处网络教学综合平台http://pt.csust.edu.cn/meol/homepage/common/

 

 

教材分析与处理

目前各出版社出版的现代控制理论B本科教材的教学内容安排基本一致,都是围绕经典控制理论展开论述,一般都分为绪论、状态空间表达式状态方程求解能控能观性李雅普诺夫稳定性系统综合这几章。工科课程理论联系实际的特点不仅体现在教材中数学实例的分析,更重要的是要强调理论最终服务于实践的方法和途径,以实例应用表明理论的正确性与可行性,凸现工程背景,进行启发式诱导和科学性解题。

在教材的具体应用上可采取以下措施:1)指明工程背景及应用场合,明确设计要求及设计指标;2)启发性诱导,指出设计问题的切入点及注意事项;3)指明逻辑思维过程及明晰求解层次;4)综合应用各种理论方法,分析设计结果的合理性及实现的可能性;5)协调设计指标的满意性,修改设计参数,达到和谐效果;6)设计过程及结果的验证与仿真;7)自行完成设计过程的扩展,指出改善性能的可能途径和方法,达到进一步改进控制性能的目的。

 

 

分课时教案

知识单元名称

0绪论、1.1状态空间表达式

课次

1

授课类型

理论课讨论课实验课习题课其他

学时

2

课程目标与要求

  1.   知识目标:熟悉控制理论的发展历程,了解现代控制理论的主要内容
  2.   能力目标:从人工控制到自动控制系统,技术进步促进生产力大力发展,认知科学技术是第一生产力。

3.思政目标:带领学生了解自动控制领域老一辈科学家,深化对本课程在航空、航天、国防、工业生产中重要性认识。

本单元重点

与难点内容

重点:状态空间的概念与数学表达

难点:状态变量的选择

教学内容

第一章       绪论

一、控制理论的形成过程

1、控制技术的早期应用

2、自动控制作为一门科学发展阶段

3、经典控制理论

4、现代控制理论

二、现代控制理论研究的对象和范围

1、现代控制理论研究的对象比经典控制论广泛得多。

2、它的研究方法-----状态空间法,在本质上是一种时间域的方法。

3、它的分析和综合目标,是揭示系统内在规律,使系统在一定意义下实现最优化。

三、应用方面及发展方向:(介绍自动化专业前辈的感人故事,激励学生对本专业的热爱)

1、应用:航空航天;海洋工程;电力通讯;过程控制等

         环境工程            

2、发展趋势:

向更大规模,更复杂的系统的控制问题

向非工程领域系统

学科间的渗透

 

第二章 控制系统的状态空间描述

§2.1状态变量和状态空间表达式

定义

状态:动力学系统的状态是指完全地描述系统时域行为的一个最小变量组。完全地描述是指如果给定时刻这组变量的值和tt0时输入的时间函数,那么系统在tt0时的任何瞬时行为就完全确定了。

状态变量:最小变量组中的每个变量称为状态变量。

状态向量:设是系统的一组状态变量,则状态向量就是以这组状态变量为分量的向量:

状态空间:以状态变量为坐标轴所构成的n维空间。

状态轨迹:向量随着时间t的变化,在n维空间中把各个点连起来,形成的轨迹,又称为状态轨线。

教学过程设计:

教学方法及手段、课堂互动题设置、教学改革措施等

一、教学教具

教材、讲义、多媒体课件、网络教学平台、黑板

二、教学方法及手段

1、课前预习:要求学生在课前用30分钟阅读指定章节内容,根据预设问题做好笔记,课程开始前5分钟通过抽查掌握学生的学习态度和预习效果。

2、课中教学:

1)讲授环节:对课程知识点进行讲授和强调,帮助学生理解,启发学生思维;

2例分析:通过对加热器控制的示范分析,使学生对自动控制有一个具体的感受,并能掌握反馈控制的基本原理及其工作过程。

3、课后学习:要求学生完成布置的作业,预习下一单元课程内容。

三、课堂互动题

1、现代生活、工业生产、国防等各个方面都离不开自动控制,引导同学们积极学好自动化专业。

2用唯物主义辩证法分析自动控制代替人工的必然趋势?

3、经典控制理论(即自动控制原理(上))是从哪几个方面研究控制系统的?

4现代控制理论(即自动控制原理(下))与经典控制理论的研究异同点是什么?

四、思政案例:钱学森

1、核心要点:弘扬爱国主义、刻苦钻研精神

2、人物简介:钱学森,工程控制论创始人之一,中国科学院学部委员中国工程院院士两弹一星功勋奖章获得者钱学森回国效力,献身国防,志在强国,成就了两弹一星伟大事业,中国载人航天奠基人。

3、教学方法:在介绍完控制理论发展历史中,宣扬钱学森事迹,使学生深刻领会爱国主义精神、科学家自强不息的奋斗精神,培养学生努力学习、报效祖国的职业精神。

作业与

思考题设置

一、作业:

1、整理课堂笔记

二、思考题:

生活和工作都离不开自动控制,学好现代控制理论是我们专业的基础,请同学们做好学习该门课程的计划。

学习效果、学生反馈、反思改进措施等

一、学习效果

1、在教学过程中有目的、有针对性的实施问题驱动、教师引动、学生主动、多元互动,实现抽象的知识具体化,从外在教育转化为学生的内在自我教育,在知、情、意、行方面,得到了提高和升华,充分发挥学生在学习中的主体作用。

2、注意板书重要概念和知识要点;用多媒体演示使课堂更加丰富多彩。

3、将思政案例有机融于各知识点拓展讲授当中,培养学生的爱国精神。

二、学生反馈:

1、学生数学基础较薄弱,对控制理论的推导过程需较长时间消化。

2、学生缺乏对工程现象的抽象理解,课堂自控能力、语言表达能力和学习积极性等都直接的影响了教学效果。

三、改进措施

1、鼓励学生多听、多看、多想、多参加实践活动,做到教师和学生相结合、课上课下相结合、学校和社会相结合。

2、针对学生的实际情况进行教学手段和方法的进一步改革和创新。

备注

 

 

知识单元名称

1.1-1.2状态变量及状态空间表达式及模拟结构图

课次

2

授课类型

理论课讨论课实验课习题课其他

学时

2

课程目标与要求

1知识目标状态变量定义及状态空间表达式结构

2 能力目标 (1)理论联系实际,在实际工业生产过程中如何体现自动化科学技术的重要性,锻炼解决问题的能力,自主学习的能力。  (2)举一反三,学以致用

3 思政目标1引导学生树立正确的价值观、人生观和世界观。激励他们科技报国的家国情怀和使命担当。在今后的工作中坚守岗位, 贡献力量,用实际行动体现自身价值。(2)培养国际视野、创新思维和工匠精神,帮助他们养成终身学习的习惯。(3)培养专业人员所需的职业道德和职业素养,以创新科技为手段,为未来发展贡献自己的力量。

 

本单元重点

与难点内容

重点: 定义及状态空间建立

难点: 分离点的计算;出射角与入射角的定义与计算

教学内容

复习巩固

1、回忆前课:几个重要概念;

2、安排学生讨论一下在经典控制理论中是如何建立系统模型(传递函数)的;

 

新课讲授:

2.3 状态空间表达式的建立

一、物理系统的状态空间描述

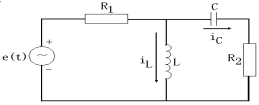
例1.1       电路网络如右图所示:

其中外输入u(t)=e(t),UR2为输出变量,选取状态变量:x1(t) =UC, x2(t) =iL

解:书写步骤推出

其形式即为:    

系统按照状态空间描述由两个数学方程组成:一个是为状态方程:;另一个输出方程:

 

二、  系统按其状态空间描述的分类

1)  线性系统与非线性系统

2)  时变系统与时不变系统(即非定常系统与定常系统)

3)连续系统和离散系统

 

三、     思政教学:

1、现代控制理论知识用于现代战争。

随着信息化武器装备和信息技术在军事上的广泛运用,现代战争形态加速向信息化战争演变,一体化联合作战成为基本作战形式。信息化战争作战力量构成多元,战场空间广阔多维,作战方式多种多样,作战行动错综复杂,战场态势瞬息万变,联合作战指挥控制的难度大、要求高、地位愈加突出。战区联指是否高效地实施联合作战指挥控制,对夺取信息化战争的全面胜利具有重要意义。如何有效控制信息化战争的战役战局,以最小代价迅速达成战役目的,进而实现战略目的,成为战区指挥员高度关注的头等大事。为实现指挥控制的精细化、流程化、标准化规范化,将现代控制理论的思想方法研究联合作战指挥控制。现代控制理论基于状态空间研究多输人多输出系统的控制问题,考虑了系统内部之间的耦合,研究问题更全面、更复杂。基于全局的重点控制;基于任务的能动控制与基于权责的分类控制3种指挥控制方法的基本思想源于现代控制理论。

 

2、飞机飞行模型建立融入工匠精神

通过对飞机飞行姿态的建模,逐步讲解系统状态空间描述的由来。在此过程适当讲解飞机的发展历史以及我国目前制造飞机遇到的困难,通过名人事迹让学生理解培养工匠精神的重要性,将来能够潜心科研,为国家发展做出应有的贡献。如我国自主制造飞机领域,钣金工王伟凭借过人的技艺,手工打造精美弧线,用自己的实际行动为中国打飞机能翱翔蓝天做出了贡献。

 

 

 

教学过程设计:

教学方法及手段、课堂互动题设置、教学改革措施等

一、教学教具

教材、讲义、多媒体课件、网络教学平台、仿真软件、黑板

 

二、教学方法及手段

课程导入——提出问题:状态空间表达式的模拟结构图绘制

指导教学——知识学习模拟结构图与动态结构图的联系与转换

思政融入——思政成效:在讲解知识点时融入课程思政元素将专业知识的学习与育人功能相结合。

课堂练习——知识应用:一阶微分方程,三解微分方程的模拟结构图绘制

课程小结——知识总结:对知识点进行总结归纳。

课后思考——知识拓展:布置课后讨论题来拓展知识的运用。

 

三、课堂互动

1、经典控制理论中传递函数是怎么定义的?

2、状态空间表达式是如何描述系统动态特性的?

3、状态空间模型与传函模型之间的关系是什么?

 

四、教学改革措施:引入MATLAB仿真教学

 

作业与

思考题设置

作业:1、整理课堂笔记;

2、课后练习1-51-6

思考题:1、状态变量的选择?

2、 模拟结构图的不唯一性的主要原因?

学习效果、学生反馈、反思改进措施等

一、学习效果

1、在教学过程中有目的、有针对性的实施问题驱动、教师引动、学生主动、多元互动,实现抽象的知识具体化,从外在教育转化为学生的内在自我教育,在知、情、意、行方面,得到了提高和升华,充分发挥学生在学习中的主体作用。

2、注意板书重要概念和知识要点;用多媒体演示使课堂更加丰富多彩。

3、将思政案例有机融于各知识点拓展讲授当中,培养学生的爱国精神。

二、学生反馈:

1、学生数学基础较薄弱,对控制理论的推导过程需较长时间消化。

2、学生缺乏对工程现象的抽象理解,课堂自控能力、语言表达能力和学习积极性等都直接的影响了教学效果。

三、改进措施

1、鼓励学生多听、多看、多想、多参加实践活动,做到教师和学生相结合、课上课下相结合、学校和社会相结合。

2、针对学生的实际情况进行教学手段和方法的进一步改革和创新。

备注

 

 

 

 

 

 

 

 

 

 

 

 

 

 

 

 知识单元名称

1.3状态变量及状态空间表达式的建立(一)(二)

课次

3

授课类型

理论课讨论课实验课习题课其他

学时

2

课程目标与要求

1知识目标由系统框图、系统机理、传递函数建立状态空间表达式

2 能力目标 (1)理论联系实际,在实际工业生产过程中如何体现自动化科学技术的重要性,锻炼解决问题的能力,自主学习的能力。  (2)举一反三,学以致用

3 思政目标1引导学生树立正确的价值观、人生观和世界观。激励他们科技报国的家国情怀和使命担当。在今后的工作中坚守岗位, 贡献力量,用实际行动体现自身价值。(2)培养国际视野、创新思维和工匠精神,帮助他们养成终身学习的习惯。(3)培养专业人员所需的职业道德和职业素养,以创新科技为手段,为未来发展贡献自己的力量。

本单元重点

与难点内容

重点:系统框图及传递函数建立状态空间表达式。

难点:从系统的机理出发建立状态空间表达式。

教学内容

一、复习巩固

1、回忆前课:状态空间表达式的一般形式;

2、提问学生,在经典控制理论中讨论了哪几种系统组合方式?还记得传函的求解吗?(主要目的是带动学生把控制理论中的几个重要定义牢记)

3、由简单的串联、并联系统开始,分析组合系统建模的基本步骤,再讨论相对复杂的反馈情形。

 

二、新课讲授

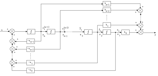
1、、能控规范型

方程或传递函数求得的状态空间描述表达式不是唯一的,即实现具有非唯一性,为分析和设计简便,通常规定几种标准型。

设系统的传递函数为:

选择状态变量为:,于是有:

 

  

系统结构图

   

例题:控制系统的运动方程为:

      求该系统状态空间表达式

的能控规范型和系统结构图。

 

三、思政教学:

1、大家畅所欲言回顾在自己的成长道路上,对自己起着正面影响的事情以及负面影响的事情是什么?

2、当遇到挫折的时候是如何调整心态的?

 

 

教学过程设计:

教学方法及手段、课堂互动题设置、教学改革措施等

一、教学教具

教材、讲义、多媒体课件、网络教学平台、仿真软件、黑板

 

二、教学方法及手段

程导入——提出问题:传递函数的表达式与状态空间表达式的联系?

指导教学——知识学习传递函数有无零点时的实现

思政融入——思政成效:在讲解知识点时融入课程思政元素将专业知识的学习与育人功能相结合。

课堂练习——知识应用:给出两种不同结构的传递函数表达式转换成状态空间表达式。

课程小结——知识总结:对知识点进行总结归纳。

课后思考——知识拓展:布置课后讨论题来拓展知识的运用。

 

三、课堂互动

1、你1、有无零点,对系统意味着什么?

2     2为什么系统由状态空间模型转换为传函时系统会降阶?

四、思政教学:

为什么系统的状态空间表达式非唯一?从而引出百花齐放百家争鸣,成功没有统一的标准,你是独一无二的!

 

五、教学改革措施:引入MATLAB仿真教学

 

作业与

思考题设置

作业:1、整理课堂笔记;

3课后练习1-7

思考题:1、状态变量选择的?

2状态空间表达式属于什么类型数学模型形式?

学习效果、学生反馈、反思改进措施等

一、学习效果

1、在教学过程中有目的、有针对性的实施问题驱动、教师引动、学生主动、多元互动,实现抽象的知识具体化,从外在教育转化为学生的内在自我教育,在知、情、意、行方面,得到了提高和升华,充分发挥学生在学习中的主体作用。

2、注意板书重要概念和知识要点;用多媒体演示使课堂更加丰富多彩。

3、将思政案例有机融于各知识点拓展讲授当中,培养学生的爱国精神。

二、学生反馈:

1、学生数学基础较薄弱,对控制理论的推导过程需较长时间消化。

2、学生缺乏对工程现象的抽象理解,课堂自控能力、语言表达能力和学习积极性等都直接的影响了教学效果。

三、改进措施

1、鼓励学生多听、多看、多想、多参加实践活动,做到教师和学生相结合、课上课下相结合、学校和社会相结合。

2、针对学生的实际情况进行教学手段和方法的进一步改革和创新。

备注

 

 

 

 

 

 

 

 

 

 

 

 

 

 

 

 

 

 

 

 

 

 

 

 

 

 

 

 

 

知识单元名称

1.5 状态矢量的线性变换

1.6从状态空间表达式求传递函数阵

课次

4

线上教学

授课类型

理论课讨论课实验课习题课其他

学时

2

课程目标与要求

1.知识目标:。掌握状态方程线性变换的步骤及表达式求传递函数阵

2.能力目标:线性变换化为标准型,对角标准和约当标准型

3.思政目标:增加控制论背后哲学思想和方法论讲授,帮助学生形成正确的世界观、人生观、价值观,做好人生职业规划;学好专业和思政课程,增强抗干扰能力,确保人生目标实现。

本单元重点

与难点内容

重点:化对角标准型和约当标准型;求传递函数阵

难点:化标准型

教学内容

复习巩固

1、回忆前课:如何由系统框图建立状态空间表达式;

2、提问学生,状态变量的特点是什么,如何取?(引出线性变换的概念)

 

新课讲授

1.5、1.6

 线性变换;

一、预备知识

状态空间表达式非唯一性

   二、化状态方程为特征值规范型

1. 特征值互不相等的情况

    2.包含等特征值的情况

三、化状态空间表达式为能控规范型只限于SISO系统)

 

四、化状态空间表达式为能观规范型(这里只讨论SISO系统)

 

已知系统的微分方程

 

1、                                              化系统状态空间表达式;

2、              利用MATLAB,由微分方程转换成状态空间表达式;

3、              化标准型

 

根据系统矩阵A求其特征值,可以直接写出系统的约旦标准型矩阵J, 无重根时:

 

 

 

1.6

从状态空间表达式求传递函数

 

  

 

 

教学过程设计:

教学方法及手段、课堂互动题设置、教学改革措施等

一、教学教具

教材、讲义、多媒体课件、网络教学平台、仿真软件、黑板

二、教学方法及手段

1、课前预习:要求学生在课前用30分钟阅读指定章节内容,根据预设问题做好笔记,课程开始前5分钟通过抽查掌握学生的学习态度和预习效果。

2、课中教学:

1)讲授环节:对课程知识点进行讲授和强调,帮助学生理解,启发学生思维;

2)课堂练习:详解例题和习题,根据听课注意力是否集中、师生互动测试学生对知识点的把握程度。

3)案例研讨:在课堂上讨论各种工程小问题,激发学生的思想火花,促进学生积极的思考和培养解决实际工程问题的能力。

3、课后学习:要求学生完成布置的作业,预习下一单元课程内容。

三、课堂互动题

1特征值与经典控制理论中特征根特征方程的联系?

2特征向量,广义特征向量求取方法比较?

四、思政案例:

在复杂事物的发展过程中,存在着许多矛盾,其中必有一种矛盾,它的存在和发展,决定或影响着其它矛盾的存在和发展。主次矛盾共处于同一事物中,两者相对而言,无主就无次,无次就无主。主要矛盾决定次要矛盾,但同时受次要矛盾的影响。随着事物发展阶段的推移,二者在一定条件下可以相互转化。次矛盾相互关系原理要求看问题、办事情既要善于抓住重点,注意分清轻、重、缓、急,要有中心和重点。不能眉毛胡子一把抓,不分主次或主次颠倒。另外,在集中力量抓主要矛盾的同时,不能忽视次要矛盾的解决,要学会统筹兼顾,恰当处理次要矛盾,学会"弹钢琴"

作业与

思考题设置

一、作业:

1、整理课堂笔记

2、教材习题:1-81-91-10

二、思考题:

组合系统的状态空间表达式建立的关键要素

 

学习效果、学生反馈、反思改进措施等

一、学习效果

1、在教学过程中有目的、有针对性的实施问题驱动、教师引动、学生主动、多元互动,实现抽象的知识具体化,从外在教育转化为学生的内在自我教育,在知、情、意、行方面,得到了提高和升华,充分发挥学生在学习中的主体作用。

2、注意板书重要概念和知识要点;用多媒体演示使课堂更加丰富多彩。

3、将思政案例有机融于各知识点拓展讲授当中,培养学生的爱国精神。

二、学生反馈:

1、学生数学基础较薄弱,对控制理论的推导过程需较长时间消化。

2、学生缺乏对工程现象的抽象理解,课堂自控能力、语言表达能力和学习积极性等都直接的影响了教学效果。

三、改进措施

1、鼓励学生多听、多看、多想、多参加实践活动,做到教师和学生相结合、课上课下相结合、学校和社会相结合。

2、针对学生的实际情况进行教学手段和方法的进一步改革和创新。

备注

 

 

 

 

 

 

 

 

 

 

 

 

 

 

 

 

知识单元名称

2章 控制系统状态空间表达式的解

2.1线性定常齐次状态方程的解(自由解)

2.2矩阵指数函数——状态转移矩阵

课次

5

授课类型

理论课讨论课实验课习题课其他

学时

2

课程目标与要求

1知识目标掌握线性定常齐次状态方程的求解,矩阵指数函数

2 能力目标 (1)理论联系实际,在实际工业生产过程中如何体现自动化科学技术的重要性,锻炼解决问题的能力,自主学习的能力。  (2)举一反三,学以致用

3 思政目标1引导学生树立正确的价值观、人生观和世界观。激励他们科技报国的家国情怀和使命担当。在今后的工作中坚守岗位, 贡献力量,用实际行动体现自身价值。(2)培养国际视野、创新思维和工匠精神,帮助他们养成终身学习的习惯。(3)培养专业人员所需的职业道德和职业素养,以创新科技为手段,为未来发展贡献自己的力量。

 

本单元重点

与难点内容

重点: 线性定常齐次状态方程求解;矩阵指数

难点: 解的表达式及求解的方法,状态转移矩阵定义及基本性质

教学内容

一、复习巩固

1、回忆:建立状态空间表达式的主要方法;

2、提问学生,经典控制理论中怎么定量分析系统动态特性?(引出系统时域解的概念)

 

二、思政案例:

   蝴蝶效应为例,说明初始条件对方程解的影响。从而联系到我们在从事一项工作的时候一定要注重职业道德和社会责任感的培养。良好的职业道德和职业习惯是出色完成工作任务的前提条件。如果不具有良好的职业道德和社会责任感,难免会在工作中投机取巧,尤其一些危险行业,如电力、化工等企业,稍不留神由于疏忽将会给单位造成重大的损失,给社会造成重大的危害。

 

 

三、新课讲授

2.1线性齐次状态方程的解

                             (t0)

其相应于给定初始状态的解,必具有如下的形式:

                        

或者

                      

其中:)称为矩阵指数函数,就是nn

2.2 矩阵指数

一、基本概念:

1、定义:

2Φ(t-t0)在物理上的含义

3、结论:对于线性定常系统,其Φ(t-t0)必为:

        若初时刻 t0≠0 ,则Φ(t-t0)=

        若初时刻 t0=0  ,则Φ(t)=

 

二、矩阵指数函数的基本性质

  1Φ(t)×Φ(τ)= Φ(t+τ)

   

  2Φ(t-t)=I    

 

  3      时间逆转性

 

4      可交换性

  5.对于n×n方阵AB,当且仅当AB=BA时,

      则有

      而当时,则

 

 

三、矩阵指数的计算

利用拉斯反变换法求laplace

         

 

教学过程设计:

教学方法及手段、课堂互动题设置、教学改革措施等

一、教学教具

教材、讲义、多媒体课件、网络教学平台、仿真软件、黑板

 

二、教学方法及手段

程导入——提出问题:标量一阶微分方程如何求解

指导教学——齐次方程求解方法;结构;矩阵指数定义;矩阵指数求解;矩阵指数基本性质

思政融入——思政成效:在讲解知识点时融入课程思政元素将专业知识的学习与育人功能相结合。

课堂练习——知识应用:齐次状态方程求解

课程小结——知识总结:对知识点进行总结归纳。

课后思考——知识拓展:布置课后讨论题来拓展知识的运用。

 

三、课堂互动

1状态转移矩阵的物理意义?

2简述你的人生轨迹以及未来的规划?

 

四、教学改革措施:引入MATLAB仿真教学

 

作业与

思考题设置

作业:1、整理课堂笔记;

      2、课后练习2-3

思考题:1、矩阵指数求解的方法有哪些?

2、零输入与零状态对应解的表达式?

学习效果、学生反馈、反思改进措施等

一、学习效果

1、在教学过程中有目的、有针对性的实施问题驱动、教师引动、学生主动、多元互动,实现抽象的知识具体化,从外在教育转化为学生的内在自我教育,在知、情、意、行方面,得到了提高和升华,充分发挥学生在学习中的主体作用。

2、注意板书重要概念和知识要点;用多媒体演示使课堂更加丰富多彩。

3、将思政案例有机融于各知识点拓展讲授当中,培养学生的爱国精神。

二、学生反馈:

1、学生数学基础较薄弱,对控制理论的推导过程需较长时间消化。

2、学生缺乏对工程现象的抽象理解,课堂自控能力、语言表达能力和学习积极性等都直接的影响了教学效果。

三、改进措施

1、鼓励学生多听、多看、多想、多参加实践活动,做到教师和学生相结合、课上课下相结合、学校和社会相结合。

2、针对学生的实际情况进行教学手段和方法的进一步改革和创新。

备注

 

 

 

 

 

 

 

 

 

 

 

 

 

 

 

 

 

 

 

 

 

 

 

 

 

 

 

 

 

 

 

 

 

 

 

 

 

 

 

 

 

 

知识单元名称

2章 控制系统状态空间表达式的解

2.3线性定常非齐次状态方程的解

课次

6

线上教学

授课类型

理论课讨论课实验课习题课其他

学时

2

课程目标与要求

1知识目标掌握线性定常非齐次状态方程的求解

2 能力目标 (1)理论联系实际,在实际工业生产过程中如何体现自动化科学技术的重要性,锻炼解决问题的能力,自主学习的能力。  (2)举一反三,学以致用

3 思政目标1引导学生树立正确的价值观、人生观和世界观。激励他们科技报国的家国情怀和使命担当。在今后的工作中坚守岗位, 贡献力量,用实际行动体现自身价值。(2)培养国际视野、创新思维和工匠精神,帮助他们养成终身学习的习惯。(3)培养专业人员所需的职业道德和职业素养,以创新科技为手段,为未来发展贡献自己的力量。

 

本单元重点

与难点内容

重点: 线性定常非齐次状态方程求解;

难点: 解的表达式及求解的方法

教学内容

一、复习巩固

1、回忆:建立状态空间表达式的主要方法;齐次方程求解过程

2、提问学生状态转移矩阵的基本性质有哪些?

 

 

二、新课讲授

 

2.2、矩阵指数函数的基本性质

  1Φ(t)×Φ(τ)= Φ(t+τ)

   

  2Φ(t-t)=I    

 

  3      时间逆转性

 

4      可交换性

  5.对于n×n方阵AB,当且仅当AB=BA时,

      则有

      而当时,则

 

 

矩阵指数的计算

利用拉斯反变换法求laplace

         

2.3、线性时不变系统的非齐次解 

当初始时刻 ,初始状态 时,其解必为:

   

式中   

当初始时刻 =0,初始状态 时,其解必为:

x(t)=    

 

三、思政教学状态向量在不同时间的的值,在状态空间形成一条状态轨迹。就好像我们的人生轨迹,在我们的人生道路行进过程中有非常关键的地方,如系好人生第一颗扣子,沿着党的正确路线,就一定取得辉煌的成就。

 

 

教学过程设计:

教学方法及手段、课堂互动题设置、教学改革措施等

一、教学教具

教材、讲义、多媒体课件、网络教学平台、仿真软件、黑板

 

二、教学方法及手段

程导入——提出问题:非齐次方程对应系统的什么状态?

指导教学——非齐次方程求解方法;结构性质

思政融入——思政成效:在讲解知识点时融入课程思政元素将专业知识的学习与育人功能相结合。

课堂练习——知识应用:非齐次状态方程求解联系

课程小结——知识总结:对知识点进行总结归纳。

课后思考——知识拓展:布置课后讨论题来拓展知识的运用。

 

、课堂互动

3状态转移矩阵的物理意义?

4简述你的人生轨迹以及未来的规划?

 

四、教学改革措施:引入MATLAB仿真教学

 

作业与

思考题设置

作业:1、整理课堂笔记;

      2、课后练习2-6

思考题:1、非齐次状态方程求解的方法有哪些?

2、零输入与零状态对应解的表达式?

学习效果、学生反馈、反思改进措施等

一、学习效果

1、在教学过程中有目的、有针对性的实施问题驱动、教师引动、学生主动、多元互动,实现抽象的知识具体化,从外在教育转化为学生的内在自我教育,在知、情、意、行方面,得到了提高和升华,充分发挥学生在学习中的主体作用。

2、注意板书重要概念和知识要点;用多媒体演示使课堂更加丰富多彩。

3、将思政案例有机融于各知识点拓展讲授当中,培养学生的爱国精神。

二、学生反馈:

1、学生数学基础较薄弱,对控制理论的推导过程需较长时间消化。

2、学生缺乏对工程现象的抽象理解,课堂自控能力、语言表达能力和学习积极性等都直接的影响了教学效果。

三、改进措施

1、鼓励学生多听、多看、多想、多参加实践活动,做到教师和学生相结合、课上课下相结合、学校和社会相结合。

2、针对学生的实际情况进行教学手段和方法的进一步改革和创新。

备注

 

 

 

 

 

 

 

知识单元名称

3.1-3.2线性定常系统能控性的定义与判别

课次

7

授课类型

理论课讨论课实验课习题课其他

学时

2

课程目标与要求

1.知识目标:了解线性系统能控性的基本概念;掌握连续时间和离散时间系统的能控性判据。

2.能力目标:熟练应用能控性判据分析工程对象特性。

3.思政目标:带领学生了解控制系统状态能控性的重要性,引入社会安定管控的重要性。

本单元重点

与难点内容

重点:线性系统的能控性判据

难点:应用能控性判据计算状态空间模型参数的取值范围

教学内容

复习巩固

  1. 回忆:控制系统的定量分析与定性分析要解决的问题
  2. 提问学生,离散系统模型与连续系统模型的区别是什么?如何由连续模型转换为离散模型(强化建模方法的学习)

新课讲授

一、概述

Kalman60年代初提出的能控性和能观测性,已被证明是现代控制理论中的两个基础概念。现代控制理论中所研究的许多基本问题,如最优控制和最优估计,都是以能控性和能观性为存在条件的。

简单地说,能控性是控制作用u(t)支配系统状态向量x(t)的能力;而能观性则是系统的输出y(t)反映系统状态向量x(t)的能力。前者回答u(t)能否使x(t)作任意转移的问题,后者则回答能否通过y(t)的量测确定x(t)的问题。

为什么在经典控制理论中,不涉及能控与能观的问题,而在观控中却特强调能控性与能观性?这是由于在经典控制理论中,只限于讨论控制作用(输入)对输出的控制;输入与输出这两个量的关系,唯一地由系统的传递函数所确定,只要系统满足稳定性的条件,系统就是能控的;而输出量本来就是被控量,对一个实际物理量系统而言,它当然是能观测的。

然而在现代控制理论中,是把反映系统内部运动状态的状态向量作为被控量,而且它不一定是实际能够观测到的物理量;至于输出量则是状态向量的线性组合,这就是出现从u(t)x(t)之间的能控性问题和从y(t)x(t)之间的能观性问题。

 

 

 

二、能控性定义:

对线性时不变系统=Ax+Bu,如果存在一个无约束的容许控制向量u(t),能在有限时间区间[t0,tf]内将系统某一初始状态驱动到任意终端状态,那么就称此状态是能控的。若系统的所有状态x(t0)都是能控的,那么就称此系统是状态完全能控的。简称系统是能控的。

几点说明

(1)在线性时不变系统中,为简便计,可以假定初始时刻t0=0,初始状态为x(0),而任意终端状态就指定为零状态,即   x(tf)=0

(2)也可以假定x(t0)=0,而x(tf)为任意终端状态,换句话说,若存在一个无约束控制u(t),在有限时间[t0,tf]内,能将x(t)由零状态驱动到任意x(tf);在这种情况下,称为状态的能达性。在线性时不变系统中,能控性与能达性是可以互逆的,即能控系统一定是能达系统,能达系统一定是能控系统。

(3)在讨论能控性问题时,控制作用从理论上说是无约束的,其取值并非是唯一的,因为我们关心的只是它能否将x(t0)驱使到x(tf)而不计较x的轨线如何。

(4)对于对线性时变系统的能控性定义与线性时不变系统相同,其状态向量x(t)的转移,与初始时刻t0的选取有关,所以应强调在一定时间区间[t0,tf]上系统是能控的。

(5)系统能控的概率为1。

 

三、线性系统的能控性判据

连续情况

离散情况

[秩判据] 对离散系统x(k+1)=Gx(k)+Hu(k) 系统为完全能控的充要条件是       rank[H,GH,,Gn-1H]=n

 

课堂讨论:

1、为什么研究离散系统?

2、为什么经典控制理论不讨论能控性?

 

教学过程设计:

教学方法及手段、课堂互动题设置、教学改革措施等

一、教学教具

教材、讲义、多媒体课件、网络教学平台、黑板

二、教学方法及手段

1、课前预习:要求学生在课前用30分钟阅读指定章节内容,根据预设问题做好笔记,课程开始前5分钟通过抽查掌握学生的学习态度和预习效果。

2、课中教学:

1)讲授环节:对课程知识点进行讲授和强调,帮助学生理解,启发学生思维;

2)课堂练习:详解例题和习题,根据听课注意力是否集中、师生互动测试学生对知识点的把握程度。

3)案例分析:通过国外火箭发射失利实例,讲述能控性的重要性和应对策略。

3、课后学习:要求学生完成布置的作业,预习下一单元课程内容。

三、思政案例:

1、核心要点:状态能控是实现长治久安的充要条件

2、教学方法:从系统稳定性入手来培养学生的爱国情怀以及自身抗挫折能力,教会学生认识到维护国家意识形态安全,做好民族团结工作的重要性。如果从自律自控角度出发,要具有抵抗外界干扰的能力,维持个体系统稳定。阐述执行能力在个人职场中的重要作用,工作中要讲究效率。理论和实践中出现偏差也是不可避免的,要学会思考合理调控的方法。

作业与

思考题设置

一、作业:

1、整理课堂笔记

2、课后同学自己进行本单元知识总结,绘制第一节知识体系的思维导图。

二、思考题:

课后利用网络资源,了解现代控制理论的发展及其热点研究方向。

学习效果、学生反馈、反思改进措施等

一、学习效果

1、在教学过程中有目的、有针对性的实施问题驱动、教师引动、学生主动、多元互动,实现抽象的知识具体化,从外在教育转化为学生的内在自我教育,在知、情、意、行方面,得到了提高和升华,充分发挥学生在学习中的主体作用。

2、注意板书重要概念和知识要点;用多媒体演示使课堂更加丰富多彩。

3、将思政案例有机融于各知识点拓展讲授当中,培养学生的爱国精神。

二、学生反馈:

1、学生数学基础较薄弱,对控制理论的推导过程需较长时间消化。

2、学生缺乏对工程现象的抽象理解,课堂自控能力、语言表达能力和学习积极性等都直接的影响了教学效果。

三、改进措施

1、鼓励学生多听、多看、多想、多参加实践活动,做到教师和学生相结合、课上课下相结合、学校和社会相结合。

2、针对学生的实际情况进行教学手段和方法的进一步改革和创新。

备注

 

 

 

 

 

 

 

 

 

 

 

 

 

 

 

 

 

 

知识单元名称

3.3线性定常系统能观性的定义与判别

课次

8

线上教学

授课类型

理论课讨论课实验课习题课其他

学时

2

课程目标与要求

1.知识目标:了解线性系统能观性的基本概念;掌握连续时间和离散时间系统的能观性判据。

2.能力目标:熟练应用能观性判据分析工程对象特性。

3.思政目标:带领学生了解控制系统状态能观性的重要性,引入社会监督对于廉政建设的重要性。

本单元重点

与难点内容

重点:线性系统的能观性判据

难点:应用能观性判据计算状态空间模型参数的取值范围

教学内容

复习巩固

回忆:能控性判据

 

新课讲授

一、能观测性定义

对线性时变系统 时,根据在有限时间区间[t0,tf]量测到的输出y(t),能够唯一地

确定系统在t0时刻的初始状态x0, 则称该x0[t0,tf]上是能观测的,若系统在t0时刻的所有初始状态都是能观的,则称状态是完全能观测的,简称系统是能观测的。

若系统存在某初始状态不能观测,则可以把系统分解成不能观测的子空间和能观测子空间两部分,但就整个系统而言,系统是不完全能观测。

二、能观测性性质

时间区间[t0,tf]是识别初始状态x(t0)= x0所需的观测时间,对时变系统而言,能观测性与t0时刻选取有关;

1、能观测性具有不变性(即非奇异变换不改变系统的能观测性);

2、不能观测状态的数学表达式为:

三、线性系统的能观测性判据

    连续情况

[秩判据] 系统 为完全能观测的充分必要条件是:

   rankN=rank或:rankNT=rank[CT,ATCT,…,(AT)n-1CT]=n

离散情况

结论:对系统x(k+1)=Gx(k),y(k)=Cx(k),其能观测的充分必要条件为:

rank     或:    rank[CT,GTCT, …,(GT) n-1CT]=n

 

小结:

结合上次课能控性的相关知识点,解读能观性两大判据,分析其各自特点和应用情形,再结合例子讲解其在工程中的应用

教学过程设计:

教学方法及手段、课堂互动题设置、教学改革措施等

一、教学教具

教材、讲义、多媒体课件、网络教学平台、黑板

二、教学方法及手段

1、课前预习:要求学生在课前用30分钟阅读指定章节内容,根据预设问题做好笔记,课程开始前5分钟通过抽查掌握学生的学习态度和预习效果。

2、课中教学:

1)讲授环节:对课程知识点进行讲授和强调,帮助学生理解,启发学生思维;

2)课堂练习:详解例题和习题,根据听课注意力是否集中、师生互动测试学生对知识点的把握程度。

三、思政案例空间观测,探索宇宙奥秘

仰望星空,脚踏实地——中国火星探测计划

四百年前,开普勒在给伽利略的信中写道:我们应该建造适合飞向神圣天空的船与帆,然后也会有这样的先驱者,面对无边的太空,他们毫不退缩。对于首次火星探测,我国的科学家们也一直在努力,与以往其他国家的探火任务相比,我国要一次完成火星探测器的软着陆,任务起点高,难度更大。

2021年中国首次火星探测任务天问一号探测器在火星乌托邦平原南部预选着陆区成功着陆,在火星上首次留下中国印迹,迈出了中国星际探测征程的重要一步。放眼全球,我国成为继美国之后,第二个让外星探测器成功在火星着陆的国家,也是首个初次到达火星轨道即成功释放、降落和软着陆探测器的国家。这让我国在行星探测领域进入世界先进行列,也为探索宇宙奥秘、促进人类和平与发展的崇高事业做出了巨大贡献。

首次火星探测任务总设计师张荣桥:提出两步走的路线,在2013年论证过程中,一步实现绕、着、巡,二步完成采样返回,到2030年使我们国家在火星探测领域水平达到先进水平。

首次火星探测任务探测器系统总设计师孙泽洲:一段时间以来探月工程的实施对于技术的牵引,在技术能力和技术水平上来讲,我们具备了一次实现环绕、着陆和巡视这样的技术能力和技术水平。以探月工程中的技术为基础,我国已经对火星探测的关键技术开展了预先研究。而针对火星探测特点所需要的多项新技术的研发,也在稳步推进。如着陆火星使用的降落伞,就是一项突破性的技术开发。我们地球的开(降落伞),伞都是在亚音速的时候来开伞,火星探测器是要在超音速开伞。这样在一个复杂的气动条件下,伞的设计对我们来讲还需要做很多工作,才可以真正掌握它。

一次成功着陆的背后是无数不为人知的故事,在仰望星空的同时,不要忘了在这身后还有着一群踏实认真、脚踏实地的科研工作人员。正是因为他们的辛勤努力与不懈奋斗,每个人的团结协作与废寝忘食,以及一次又一次的实验与精确计算才让登陆火星成为可能,让中国航天事业有了仰望星空的可能。

3、课后学习:要求学生完成布置的作业,预习下一单元课程内容。

 

作业与

思考题设置

一、作业:

1、整理课堂笔记

2、课后同学自己进行本单元知识总结,绘制第一节知识体系的思维导图。

二、思考题:

课后利用网络资源,了解现代控制理论中观测器的发展和研究方向。

 

学习效果、学生反馈、反思改进措施等

一、学习效果

1、在教学过程中有目的、有针对性的实施问题驱动、教师引动、学生主动、多元互动,实现抽象的知识具体化,从外在教育转化为学生的内在自我教育,在知、情、意、行方面,得到了提高和升华,充分发挥学生在学习中的主体作用。

2、注意板书重要概念和知识要点;利用多媒体演示,使课堂更加丰富多彩。

3、将思政案例有机融于各知识点拓展讲授当中,培养学生的爱国精神。

二、学生反馈:

1、学生数学基础较薄弱,对控制理论的推导过程需较长时间消化。

2、学生缺乏对工程现象的抽象理解,课堂自控能力、语言表达能力和学习积极性等都直接的影响了教学效果。

三、改进措施

1、鼓励学生多听、多看、多想、多参加实践活动,做到教师和学生相结合、课上课下相结合、学校和社会相结合。

2、针对学生的实际情况进行教学手段和方法的进一步改革和创新。

备注

 

 

 

 

 

 

 

 

 

 

 

 

 

 

 

知识单元名称

3.6-3.7能控性与能观性的对偶关系、系统分解与标准型

课次

9

授课类型

理论课讨论课实验课习题课其他

学时

2

课程目标与要求

1.知识目标:了解能控性与能观性的对偶关系;根据能控性和能观性判据将系统模型分为若干子系统。

2.能力目标:熟练掌握分解子系统的计算方法。

3.思政目标:掌握辩证思维的重要性。

本单元重点

与难点内容

重点:线性系统的标准分解

难点:标准分解步骤和计算

教学内容

复习巩固

1. 回忆:能控性和能观性判据(重点是第1判据)

2. 有对偶系统的概念,回顾前面系统建模中提到的线性变换知识点

 

新课讲授

从前面的讨论中可以看到,能控性和能观测性,无论是概念上还是判据形式上都是很相似的。这种内在的联系,即对偶性原理,是由Kalman所提出的。

一、对偶性原理:

二、对偶系统的特点

根据(1)式得1的结构图如图a.根据(2)式得2的结构图如图b

     1、比较两图可知,某系统的对偶系统,意味着输入端与输出端的互换;信号传递的反向;信号引出点和信号综合点的互换,以及对应矩阵(A,B,C)的转置。

2、从系统结构图的这一特点可以看到,对偶原理,不仅能说明能控与能观测性的内在联系,而且也揭示了最优控制的和最优估计问题的内在关系。

利用对偶原理发现:   (规律一样,只是初、终值)

3、从传递函数上看异同:互为对偶的系统,其特征方程是相同的    

4、定常对偶系统的状态转移矩阵互为转置,即 ,时变系统为转置逆关系,即

三、状态空间表达式的能控标准型与能观标准型

1单输入系统的能控标准

提醒学生:计算步骤要牢记,变换矩阵要分清

2单输出系统的能观标准型

提醒学生:计算步骤要牢记,变换矩阵要分清

3 板书举例

4学生课堂练习

 

四、线性系统的结构分解

1 按能控性的结构分解

考虑不完全能控的多输入——多输出线性定常系统

 

其中,xn维状态变量,rankM=k<n。在能控性判别矩阵

中,任意地选取k个线性无关的列,记为。此外,又在n维实数空间中任意地选择n-k个列向量,记为,使它们和 为线性无关。这样,就可组成变换矩阵并且其必是非奇异的。

结论:对不完全能控系统,引入线性非奇异变换,即可导出系统结构按能控性分解的规范表达式:

         ………….* 

其中,k维能控分状态向量,n-k维不能控分状态向量,k=rankM

几点讨论:

1)式(*)表明,在此分解规范表达式下,系统被明显地分解为能控部分和不能控部分。其中,能控部分为如下的R维子系统

           

不能控部分为如下的n-k维子系统

      

2)外输入u的引入,只能改变能控振型的位置,而不能改变不能控振型的位置。

3)从结构图中可见,系统的不能控部分既不受输入u的直接影响,也没有通过能控状态 而受u的间接影响。所以是个黑箱

4)变换矩阵Qc,不管是从M中选取的,还是此外取定的,都不是唯一的取法。因此,随着取法的不同,尽管(*)的规范表达式的形式不改变,但是各分块矩阵中的元的值则随之不同。从这个意义而言,对系统按能控性进行结构分解,可导出多个分解结果。

5)表达式(*)同时也为能控性的判别提供了一个准则:线性定常系统是完全能控的,当且仅当它不能通过线性非奇异变换化为(*)的形式。(一般用于维数较大的系统)

 

2 按能观测性的结构分解

系统按能观测性的结构分解的所有结论和推论,都对偶于系统按能控性的结分解的结果。给定不完全能观测线性定常系统:

       ………………………(I)

其中,xn 维状态向量。结论:对(I)式的不完全能观测系统,引入线性非奇异变换,即可导出系统结构按能观测性分解的规范表达式:

                       …………..**

其中,m维能观测分状态,n-m维不能观测分状态。

三 按能控性和能观测性进行分解

如果线性系统是不完全能控和不完全能观测的。若对该系统同时按能控性和能观测性进行分解,则可以把系统分解成能控且能观测、能控不能观测、不能控能观测、不能控不能观测四部分。当然,并非所有系统都能分解成有这四个部分的。

考虑同时不能控和不能观测的线性定常系统

          

结论[规范分解定理] 对不完全能控和不完全能观测的系统,通过线性非奇异变换可实现系统结构的规范分解,其规范分解的表达式为:

               

其中,为能控能观测分状态,为能控不能观测分状态,为不能控能观测分状态,为不能控不能观测分状态。

 

推论:对不完全能控和不完全能观测的线性定常系统,其输入输出描述即传递函数矩阵只能反映系统中能控且能观测的那一部分,即成立

这一推论表明,一般地说输入输出描述即传递函数矩阵只是对系统结构的一种不完全的描述,只有对完全能控且完全能观测的系统(不可简约的系统),则输入输出描述才足以表征系统的结构,即描述是完全的。因此,此推论的意义在于,它建立了状态空间描述和输入输出描述间的最重要的关系。

小结

先讲解能控性分解,再阐述能观性分解,重点要求学生掌握分解的基本步骤,通过例题强化知识点的掌握。

教学过程设计:

教学方法及手段、课堂互动题设置、教学改革措施等

一、教学教具

教材、讲义、多媒体课件、网络教学平台、黑板

二、教学方法及手段

1、课前预习:要求学生在课前用30分钟阅读指定章节内容,根据预设问题做好笔记,课程开始前5分钟通过抽查掌握学生的学习态度和预习效果。

2、课中教学:

1)讲授环节:对课程知识点进行讲授和强调,帮助学生理解,启发学生思维;

2)课堂练习:详解例题和习题,根据听课注意力是否集中、师生互动测试学生对知识点的把握程度。

3)案例分析:

3、课后学习:要求学生完成布置的作业,预习下一单元课程内容。

三、思政案例:

1、核心要点:分级分片管理是应对灾情的充要举措

2、教学方法:通过国内疫情期间的管控措施,讲述分情况分等级做好防护工作的重要性和应对策略。从全局最优化入手来传达国家和党全心全意为人民服务的本质。

作业与

思考题设置

一、作业:

1、整理课堂笔记

2、课后同学自己进行本单元知识总结,绘制第一节知识体系的思维导图。

二、思考题:

课后利用网络资源,了解现代控制理论的发展及其热点研究方向。

 

学习效果、学生反馈、反思改进措施等

一、学习效果

1、在教学过程中有目的、有针对性的实施问题驱动、教师引动、学生主动、多元互动,实现抽象的知识具体化,从外在教育转化为学生的内在自我教育,在知、情、意、行方面,得到了提高和升华,充分发挥学生在学习中的主体作用。

2、注意板书重要概念和知识要点;利用多媒体演示,使课堂更加丰富多彩。

3、将思政案例有机融于各知识点拓展讲授当中,培养学生的爱国精神。

二、学生反馈:

1、学生数学基础较薄弱,对控制理论的推导过程需较长时间消化。

2、学生缺乏对工程现象的抽象理解,课堂自控能力、语言表达能力和学习积极性等都直接的影响了教学效果。

三、改进措施

1、鼓励学生多听、多看、多想、多参加实践活动,做到教师和学生相结合、课上课下相结合、学校和社会相结合。

2、针对学生的实际情况进行教学手段和方法的进一步改革和创新。

备注

 

 


知识单元名称

4稳定性与李雅普诺夫方法

4.1 李雅普诺夫关于稳定性的定义

4.2李雅普诺夫第一法

课次

10

授课类型

理论课讨论课实验课习题课其他

学时

2

课程目标与要求

1知识目标李雅普诺夫稳定性的定义及第一法。

2 能力目标 (1)理论联系实际,在实际工业生产过程中如何体现自动化科学技术的重要性,锻炼解决问题的能力,自主学习的能力。  (2)举一反三,学以致用

3 思政目标1引导学生树立正确的价值观、人生观和世界观。激励他们科技报国的家国情怀和使命担当。在今后的工作中坚守岗位, 贡献力量,用实际行动体现自身价值。(2)培养国际视野、创新思维和工匠精神,帮助他们养成终身学习的习惯。(3)培养专业人员所需的职业道德和职业素养,以创新科技为手段,为未来发展贡献自己的力量。

 

本单元重点

与难点内容

重点:

1稳定性的几个重要概念;

2、李雅普诺夫第一法间接法)。

 

难点:李雅普诺夫函数的构造与分析

教学内容

一、复习巩固

  1. 回忆:经典控制理论的几种稳定性理论;
  2. 提示学生,经典控制理论的稳定性理论能用于MIMO系统吗?李雅普诺夫稳定性定义与其有何不同(强调)

 

二、 有关稳定性的基本概念

1、运动状态的运动及平衡状态

1)对于非线性系统,通常可有一个或几个平衡状态。

2)对于线性时不变系统,其平衡状态方程为 A为非奇异时,系统只存在唯一的一个平衡状态。当A为奇异时,存在有无限多个平衡状态,通过坐标变换,可以将平衡状态化到坐标原点。

3)系统稳定性问题都是指对系统的平衡状态而言。

 

2、稳定性及其相关概念

稳定性:

渐近稳定性:

不稳定性:

三、李雅普诺夫第一方法(间接法)

本质:是利用状态方程解的特性来判断系统稳定性的方法。

应用:适用于线性定常、线性时变及可线性化的非线性系统

 

 

 

四、思政教学系统的稳定与国家的稳定团结

俄国学者A.M. Lyapunov 在博士论文运动稳定性的一般问题中提出了Lyapunov方法,该方法对现今学术界产生巨大影响并得到广发应用,成为分析线性和非线性系统稳定性的重要理论依据。

稳定性分析时,从概念上完成稳定性的介绍后,将稳定性延伸到一个民族、一个国家的发展层面,让学生深刻地意识到稳定不但是系统的重要性能指标,从更加广泛的意义上讲,稳定更是一个国家一个民族发展的根本保障,当代大学生有责任有义务担负起国家这个大系统稳定发展的重担蕴含着邓小平理论中的一个基本观点稳定压倒一切,社会稳定是发展的前提条件的思想。

 

 

教学过程设计:

教学方法及手段、课堂互动题设置、教学改革措施等

一、教学教具

教材、讲义、多媒体课件、网络教学平台、仿真软件、黑板

 

二、教学方法及手段

程导入——提出问题:经典控制理论关于线性系统、非线性系统稳定性分析有哪些方法?

指导教学——知识学习李雅普诺夫稳定性分析。

思政融入——思政成效:在讲解知识点时融入课程思政元素将专业知识的学习与育人功能相结合。

课堂练习——知识应用:李雅普诺夫稳定性分析第一方法的应用

课程小结——知识总结:对知识点进行总结归纳。

课后思考——知识拓展:布置课后讨论题来拓展知识的运用。

 

三、课堂互动

1      1、李氏稳定,渐进稳定,大范围渐进稳定区别?

2      2、电影《满江红》的观后感?

 

四、教学改革措施:引入MATLAB仿真教学,帮助理解理论知识。

 

作业与

思考题设置

作业:1、整理课堂笔记;

2、课后练习4-11

思考题:1、李雅普诺夫稳定性分析法最大的优势体现在哪些方面?

2、 经典控制理论分析的系统稳定是李氏稳定的哪一类?

学习效果、学生反馈、反思改进措施等

一、学习效果

1、在教学过程中有目的、有针对性的实施问题驱动、教师引动、学生主动、多元互动,实现抽象的知识具体化,从外在教育转化为学生的内在自我教育,在知、情、意、行方面,得到了提高和升华,充分发挥学生在学习中的主体作用。

2、注意板书重要概念和知识要点;用多媒体演示使课堂更加丰富多彩。

3、将思政案例有机融于各知识点拓展讲授当中,培养学生的爱国精神。

二、学生反馈:

1、学生数学基础较薄弱,对控制理论的推导过程需较长时间消化。

2、学生缺乏对工程现象的抽象理解,课堂自控能力、语言表达能力和学习积极性等都直接的影响了教学效果。

三、改进措施

1、鼓励学生多听、多看、多想、多参加实践活动,做到教师和学生相结合、课上课下相结合、学校和社会相结合。

2、针对学生的实际情况进行教学手段和方法的进一步改革和创新。

备注

 

 

 

 

 

 

 

 

 

 

 

 

 

 

知识单元名称

4.3李雅普诺夫第二法

4.4李雅普诺夫方法在线性系统中的应用

课次

11

授课类型

理论课讨论课实验课习题课其他

学时

2

课程目标与要求

1知识目标第二法的实质,以及如何构造李雅普诺夫函数。

2 能力目标 (1)理论联系实际,在实际工业生产过程中如何体现自动化科学技术的重要性,锻炼解决问题的能力,自主学习的能力。  (2)举一反三,学以致用

3 思政目标1引导学生树立正确的价值观、人生观和世界观。激励他们科技报国的家国情怀和使命担当。在今后的工作中坚守岗位, 贡献力量,用实际行动体现自身价值。(2)培养国际视野、创新思维和工匠精神,帮助他们养成终身学习的习惯。(3)培养专业人员所需的职业道德和职业素养,以创新科技为手段,为未来发展贡献自己的力量。

 

本单元重点

与难点内容

重点: 李雅普诺夫第二法以及在线性系统中的应用

难点:几个稳定判据

教学内容

一、李亚普诺夫第二法

定理1:考察为唯一平衡状态,则为大范围渐近稳定的一个充分条件是存在具有连续一阶偏导函数的一个标量函数V(x):

V(x)是正定的,

是负定的,

)当时,有

其中,——李亚普诺夫函数      通常选:

定理2:考察,令为唯一平衡状态,则

为大范围渐近稳定的一个充分条件是存在具有连续一阶偏导函数的一个标量函数V(x)

() V(x)是正定的

()是负半定的

() 沿任一受扰动轨线不恒为零,即

        

()当时,有

定理3:对,如果可找到一个W(x),有

() W(x)是正定的       

()是正定的       

xe =0是不稳定的。     (此定理也是充分的)

 

二、李雅普诺夫方法在线性系统中的应用

结论:给定,则系统为渐近稳定的充分必要条件是:对任给的正定对称阵Q,李亚普诺夫方程

ATP+PA=-Q

的解阵P为正定对称阵。而且V(x)=xTPx

几点讨论:

1          Q只要正定就行,其形式可以任意给定。并且,最终的判断结果将和矩阵Q的不同选择无关。

2          因此,最方便的是选取Q=I(单位阵)。这时结论就可表为:的平衡状态为渐近稳定的充分必要条件,是存在一个正定对称阵P,使满足矩阵方程

             

3          P是否正定,可运用Sylvester判据加以判断。

4          如果沿任意一条轨迹不恒等于零,则Q可取正半定的。

5          方程中的矩阵A的特征值。若,则方程有唯一解,即可以根据已知Q唯一地来确定P。注:对稳定系统,的和总是不等于零。

6          从几何上看,所有的特征值都在左半平面。

 

三、课堂练习

已知系统

 

1、  利用MATLAB判定系统是否能控?

2、  利用MATLAB判定系统是否能观测?

3、  利用MATLAB分别采用李雅普诺夫第一方法与第二方法进行稳定性分析

 

四、、思政教学:

稳定不但是系统的重要性能指标,从更加广泛的意义上讲,稳定更是一个国家一个民族发展的根本保障,当代大学生有责任有义务担负起国家这个大系统稳定发展的重担

 

 

 

教学过程设计:

教学方法及手段、课堂互动题设置、教学改革措施等

一、教学教具

教材、讲义、多媒体课件、网络教学平台、仿真软件、黑板

 

二、教学方法及手段

程导入——提出问题:经典控制理论关于线性系统、非线性系统稳定性分析有哪些方法?

指导教学——知识学习李雅普诺夫第二法以及在线性系统中的应用。

思政融入——思政成效:在讲解知识点时融入课程思政元素将专业知识的学习与育人功能相结合。

课堂练习——知识应用:李雅普诺夫稳定性分析第二方法的应用

课程小结——知识总结:对知识点进行总结归纳。

课后思考——知识拓展:布置课后讨论题来拓展知识的运用。

 

三、课堂互动

1      1、李雅普诺夫第一法与第二法的区别?

2      2、电影《万里归途》的观后感?

 

四、教学改革措施:引入MATLAB仿真教学,帮助理解理论知识。

 

作业与

思考题设置

作业:1、整理课堂笔记;

2、课后练习4-3

思考题:1、李雅普诺夫第二法应用的关键是什么?

2、 如何借助计算机技术构造李雅普诺夫函数?

学习效果、学生反馈、反思改进措施等

一、学习效果

1、在教学过程中有目的、有针对性的实施问题驱动、教师引动、学生主动、多元互动,实现抽象的知识具体化,从外在教育转化为学生的内在自我教育,在知、情、意、行方面,得到了提高和升华,充分发挥学生在学习中的主体作用。

2、注意板书重要概念和知识要点;用多媒体演示使课堂更加丰富多彩。

3、将思政案例有机融于各知识点拓展讲授当中,培养学生的爱国精神。

二、学生反馈:

1、学生数学基础较薄弱,对控制理论的推导过程需较长时间消化。

2、学生缺乏对工程现象的抽象理解,课堂自控能力、语言表达能力和学习积极性等都直接的影响了教学效果。

三、改进措施

1、鼓励学生多听、多看、多想、多参加实践活动,做到教师和学生相结合、课上课下相结合、学校和社会相结合。

2、针对学生的实际情况进行教学手段和方法的进一步改革和创新。

备注

 

 

 

 

 

 

 

 

 

 

 

 

 

 

 

知识单元名称

5.1-5.2状态反馈的定义、性质及设计方法

课次

12

授课类型

理论课讨论课实验课习题课其他

学时

2

课程目标与要求

1.知识目标:了解系统反馈的性质,掌握系统任意配置极点的充要条件和SISO系统极点配置方法。

2.能力目标:在工程实践中熟练应用状态反馈控制器。

3.思政目标:带领学生了解控制系统设计的重要性,树立精益求精的工匠精神。

本单元重点

与难点内容

重点:线性系统的状态反馈控制器结构形式

难点:极点配置控制器设计方法

教学内容

复习巩固

1、回忆:经典控制理论的控制概念;

2、提示学生,经典控制理论的系统如何实现?其反馈量是什么,能用于状态空间模型吗?(强调)

 

新课讲授

一、综合问题的提法

     所谓综合问题是寻找一个控制作用u,使得在其作用下系统运动的行为满足所给出的期望性能指标。若所得到的控制作用u依赖于系统的实际响应,即可表示为系统状态或输出的一个线性向量函数。

注意:综合只考虑在工程上可实现或可行的前提下来确定控制u的规律和形式,而设计中,则还需要考虑控制作用u和控制工程构成中的许多实际问题,诸如线路的选择、元件的选择、参数的确定等。

 

二、性能指标的类型

1、非优化性能指标:一般为一类不等式型指标。即只要性能值达到或好于期望指标就算实现了综合目标。常见的有:

以渐近稳定性作为性能指标,相应的综合问题称为:镇定问题;

以一组期望的闭环系统极点作为性能指标,相应的综合问题称为:极点配置问题;

以使一个多输入-多输出系统实现“一个输入只控制一个输出” 作为性能指标,相应的综合问题称为:解耦控制问题;

以使系统输出y无静差地跟踪一个外部信号y0(t) 作为性能指标,相应的综合问题称为:跟踪问题。

2、优化性能指标:一般为一类极值型指标。常取为一个相对于状态x和控制u的二次型积分性能指标,其形式为:取极小值,其中,R为正定对称常阵,Q为正定对称常阵或半正定对称常阵,且为能观测。通常称这样的控制为最优控制。

 

三、控制系统工程实现中的理论问题

1、状态反馈的构成问题:一方面,许多综合问题所得到的控制规律常具有状态反馈的形式,另一方面,状态变量是系统内部的变量,通常并不是每一个状态变量都可以直接量测或能采用经济的手段进行量测的,这一矛盾的解决途径是:利用可量测变量输入u和输出y来构造出状态,使得从而得到不能量测的状态x,相应的问题称为状态重构问题,即观测器问题。

2、系统模型的不准确性和参数摄动问题:为了对系统进行综合,首先得前提是建立起系统的模型,但对于一个实际系统所导出的模型,有不可避免的简化及其它影响系统准确性的因素存在,往往使得导出的模型不精确,此外,环境因素的缘故,还可能导致系统参数产生缓慢的摄动,这样,在由实际系统按照理想模型综合得到的控制器所组成的控制系统中,就产生了是否会达不到期望性能指标,甚至不能正常运行(如不稳定)的问题,这样得问题称为系统鲁棒性问题。(鲁棒性:强壮性、稳健性)若参数的不精确误差或摄动出现在模型参数的一个邻域内,系统仍能稳定地运行或保持其望的性能值,则称此控制系统是具有鲁棒性的,反之,则无鲁棒性的。

3、对外部扰动的抑制问题,称为扰动抑制问题

 

四、状态反馈和输出反馈的构成形式

1、状态反馈

    状态反馈阵K的引入,并不增加系统的维数,但可通过K的选取自由地改变闭环系统的特征值,从而使系统获得所要求的性能。

其反馈结构为:

 

 

 

 

 

 

 

 

   (注意:有的参考书取负反馈,此时。)

 

2 输出反馈

输出反馈阵H的引入,并不增加系统的维数,同样可通过H的选取自由地改变闭环系统的特征值,从而使系统获得所要求的性能。

其反馈结构为:

 

 

 

 

 

 

 

 

   (注意:有的参考书取负反馈,此时。)

3 状态反馈与输出反馈的比较

    从反馈信息的性质看,状态反馈可以完全地表征系统结构的信息,是一种完全的信息反馈;而输出反馈则是系统结构信息的一种不完全反馈(即m<n)。一般地说,为使系统获得良好的动态性能,必须采取状态反馈,若系统状态完全能观测,则也可以采用输出反馈达到状态反馈相同的功效。

输出反馈在技术实现上的方便性更优与状态反馈,因为状态变量通常是不易量测的。

4 状态反馈和输出反馈系统的能控性和能观测性

   结论1:状态反馈的引入,不改变系统的能控性但可能改变系统的能观测性(实际上反映在传递函数上出现了零极点相消现象)。

 

教学过程设计:

教学方法及手段、课堂互动题设置、教学改革措施等

一、教学教具

教材、讲义、多媒体课件、网络教学平台、黑板

二、教学方法及手段

1、课前预习:要求学生在课前用30分钟阅读指定章节内容,根据预设问题做好笔记,课程开始前5分钟通过抽查掌握学生的学习态度和预习效果。

2、课中教学:

1)讲授环节:对课程知识点进行讲授和强调,帮助学生理解,启发学生思维;

2)课堂练习:详解例题和习题,根据听课注意力是否集中、师生互动测试学生对知识点的把握程度。

3)课堂互动:在定义明确的基础上,提出状态反馈控制器的一般形式,进而结合经典控制理论中的极点配置方法互动探讨控制器设计的具体内容及其应用。

3、课后学习:要求学生完成布置的作业,预习下一单元课程内容。

三、思政案例:中国无人机蜂群技术

1、核心要点:中国在现代控制技术领域已经迎头赶上最先进国家

2、具体内容:

在最近的亚美尼亚和阿塞拜疆的战争中,各种类型的无人机在实战中大放异彩,预示着未来战争已经进入无人机时代。据中国电子科技集团公司电子科学研究院官方,在20201013日对外宣称,该院已经在近期,展开了陆空协同的固定翼无人机蜂群系统,相关试飞工作和验证试验。这其中包括了采用陆上发射、空中投射的方式,利用蜂群进行对地察、打、精确定点清除等各类任务。据了解,在相关的试验工作中,还包括了车载快速部署,同步密集发射,运动状态投放,蜂群阵型快速转变等一系列流程的任务执行能力。从整个流程中,也能看出基本都是基于实战化的试验。换而言之,随着我国首个实用化的无人机蜂群通过测试,恐怕距离服役也不会太远。

从外媒对试验的分析来看,中电科此次利用48联装发射机,在卡车底盘上发射,一次密集齐射,就能将48架无人机投射上空,进行精确编队、阵型转换,地面检查和精确打击。而这款无人机系统一次可发射200架无人机,形成庞大的蜂群,使打击效果倍增。

说起蜂群这个概念,不少人并不十分了解,顾名思义,无人机蜂群指的是从舰船、飞机、车辆等大型平台上,短时间、快速发射众多低成本无人机,令它们相互分享信息,协同执行进攻性或防御性任务,以数量优势压制敌人。这是一种非常重要的无人机战术思想。

美军未来作战思想正在发生颠覆性变革,一项重要转变就是从原来大而全的平台力量,向分布式作战转变,具体到空军,就是由大量廉价小型的无人机、巡飞弹构建起密集的侦察、通信、攻击网络,从根本上阻塞对手的防空体系。试想一下,在未来的空战战场上,如果由一架F-35战斗机作为母机,在短时间内释放出数百架小型无人机,利用蜂群技术,互相衔接配合,从多个方向发动攻击,对手根本是难以抵抗的。美国陆海空三军都高度重视无人机蜂群技术,将其作为第三次抵消战略的五大关键技术之一。美国相继研发除了山鹑、丛林狼小精灵等多款用于蜂群作战的小型无人机,自2014年以来,已经进行了数百次试验,获得了大量相关数据。2017年初,美军曾成功用3F/A-18在空中释放高达103架山鹌鹑(Perdix)微型无人侦察机蜂群,进行持续半个小时的飞行,F-18战机飞行员在过程中引导无人机自主执行情报搜集和监控任务。可以说,美国在这个领域,已经走到了世界前列。

从技术角度来看,对无人机蜂群进行有序的作战指挥并同时引导控制大规模无人机做复杂的攻击动作并不是一件容易的事,它需要优秀的空中管制能力和编队协调能力,其技术难度远非大量民用无人机进行激光秀表演可比,它才是真正体现一个国家科技实力的迎合水平。虽然无人机蜂群战争的初衷是为了降低作战成本,但技术成本决定了,在相当长时间内,这只是军事强国才能玩的起、玩的动的游戏

因此,中国电子科技集团此次进行了试验工作,具有非常重要的意义,也宣告了中国这无人机蜂群作战方面,已经取得重大技术突破。此次试验虽然是车载陆基释放,但该技术未来在舰船、飞机等海空平台上也必将得到广泛应用。特别是有人战斗机携带无人机蜂群作战,将成为未来空战的基本形式之一。外媒此前有报道将歼-20成为中国未来的蜂王,称其具备指挥控制无人机的能力,随着解放军空军新型无人机与具备无人机控制能力的歼-20展开协同训练,预料中国版蜂群战术很快就会展开训练。

作业与

思考题设置

一、作业:

1、整理课堂笔记

2、课后同学自己进行本单元知识总结,绘制第一节知识体系的思维导图。

二、思考题:

现代电力、能源生产系统中应用了那些现代控制理论。

学习效果、学生反馈、反思改进措施等

一、学习效果

1、在教学过程中有目的、有针对性的实施问题驱动、教师引动、学生主动、多元互动,实现抽象的知识具体化,从外在教育转化为学生的内在自我教育,在知、情、意、行方面,得到了提高和升华,充分发挥学生在学习中的主体作用。

2、注意板书重要概念和知识要点;用多媒体演示使课堂更加丰富多彩。

3、将思政案例有机融于各知识点拓展讲授当中,培养学生的爱国精神。

二、学生反馈:

1、学生数学基础较薄弱,对控制理论的推导过程需较长时间消化。

2、学生缺乏对工程现象的抽象理解,课堂自控能力、语言表达能力和学习积极性等都直接的影响了教学效果。

三、改进措施

1、鼓励学生多听、多看、多想、多参加实践活动,做到教师和学生相结合、课上课下相结合、学校和社会相结合。

2、针对学生的实际情况进行教学手段和方法的进一步改革和创新。

备注

 

 


知识单元名称

5.5状态观测器设计(1

课次

13

授课类型

理论课讨论课实验课习题课其他

学时

2

课程目标与要求

1.知识目标:了解系统状态观测器的性质,掌握全维观测器任意配置极点的充要条件和SISO系统极点配置方法。

2.能力目标:在工程实践中熟练应用状态反馈控制器。

3.思政目标:带领学生了解控制系统综合设计的重要性,树立精益求精的工匠精神。

本单元重点

与难点内容

重点:状态反馈控制器结构、全维状态观测器设计步骤

难点:观测器增益计算

教学内容

复习巩固

1、回忆:经典控制理论的控制概念;

2、提示学生,经典控制理论的系统如何实现?其反馈量是什么,能用于状态空间模型吗?(强调)

 

新课讲授

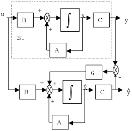
一、状态重构问题

 

二、状态观测器的定义及其存在性

1 状态观测器的定义

    2 状态观测器的存在性

 

三、全维状态观测器

1全维状态观测器的定义

若系统存在状态观测器,且此状态观测器是一个n维线性定常系统,则称此观测器为原系统的一个全维状态观测器。

2 全维状态观测器的设计方法

   状态观测器的方程为:

3 利用全维状态观测器来极点配置算法

 即系统,设{A,C}为能观测,设计全维状态观测器,实现一组期望极点配置问题。其步骤为:

检查{A,C}为能观测,则可以构造观测器,否则不可;

将系统转化为能观测规范型

引入反馈增益阵,使得观测器特征多项式为:

 

根据期望极点计算特征多项式为:

 

  比较,令其相等,求出阵中的各个分量;

反变换

写出观测器方程即可。

 

课堂讨论:

1、多输入多输出系统观测器设计和应用的难点是什么?

 

教学过程设计:

教学方法及手段、课堂互动题设置、教学改革措施等

一、教学教具

教材、讲义、多媒体课件、网络教学平台、黑板

二、教学方法及手段

1、课前预习:要求学生在课前用30分钟阅读指定章节内容,根据预设问题做好笔记,课程开始前5分钟通过抽查掌握学生的学习态度和预习效果。

2、课中教学:

1)讲授环节:对课程知识点进行讲授和强调,帮助学生理解,启发学生思维;

2)课堂练习:详解例题和习题,根据听课注意力是否集中、师生互动测试学生对知识点的把握程度。

3)案例分析:通过国外火箭发射失利实例,讲述能控性的重要性和应对策略。

3、课后学习:要求学生完成布置的作业,预习下一单元课程内容。

 

作业与

思考题设置

一、作业:

1、整理课堂笔记

2、课后同学自己进行本单元知识总结,绘制本节知识体系的思维导图。

二、思考题:

状态观测器在工程中有哪些应用?举几个实例。

学习效果、学生反馈、反思改进措施等

一、学习效果

1、在教学过程中有目的、有针对性的实施问题驱动、教师引动、学生主动、多元互动,实现抽象的知识具体化,从外在教育转化为学生的内在自我教育,在知、情、意、行方面,得到了提高和升华,充分发挥学生在学习中的主体作用。

2、注意板书重要概念和知识要点;用多媒体演示使课堂更加丰富多彩。

3、将思政案例有机融于各知识点拓展讲授当中,培养学生的爱国精神。

二、学生反馈:

1、学生数学基础较薄弱,对控制理论的推导过程需较长时间消化。

2、学生缺乏对工程现象的抽象理解,课堂自控能力、语言表达能力和学习积极性等都直接的影响了教学效果。

三、改进措施

1、鼓励学生多听、多看、多想、多参加实践活动,做到教师和学生相结合、课上课下相结合、学校和社会相结合。

2、针对学生的实际情况进行教学手段和方法的进一步改革和创新。

备注

 

 


知识单元名称

5.5状态观测器设计(2

课次

14

授课类型

理论课讨论课实验课习题课其他

学时

2

课程目标与要求

1.知识目标:掌握降维观测器设计方法、。

2.能力目标:在工程实践中熟练应用状态反馈控制器。

3.思政目标:带领学生了解控制系统综合设计的重要性,树立精益求精的工匠精神。

本单元重点

与难点内容

重点:降维状态观测器设计步骤

难点:观测器结构和增益计算

教学内容

复习巩固

1、回忆:全维状态观测器结构与设计步骤;

2、提示学生,全维观测器的优点和缺点是什么?(强调)

 

新课讲授

1. 降维状态观测器的定义

在实际中,系统的输出是能够测量到的,那么可以考虑利用它的m个分量直接产生m个状态分量,其余的(n-m)个状态分量是由观测器来估计,这样观测器的维数得以降低,从而就称为降维观测器。

结论:若系统能观测,输出阵C的秩为m,即rankC=m,则它的m个状态分量可以直接由输出y获得,其余n-m个分量用n-m维的降维状态观测器来重构。

2. 降维状态观测器的设计

 

6.4.4  降维观测器结构图

计算步骤:此略。

3.课堂练习

全维状态观测器和降维状态观测器设计案例讲解。

学生随堂练习点评。

教学过程设计:

教学方法及手段、课堂互动题设置、教学改革措施等

一、教学教具

教材、讲义、多媒体课件、网络教学平台、黑板

二、教学方法及手段

1、课前预习:要求学生在课前用30分钟阅读指定章节内容,根据预设问题做好笔记,课程开始前5分钟通过抽查掌握学生的学习态度和预习效果。

2、课中教学:

1)讲授环节:对课程知识点进行讲授和强调,帮助学生理解,启发学生思维;

2)课堂练习:详解例题和习题,根据听课注意力是否集中、师生互动测试学生对知识点的把握程度。

3)案例分析:通过国外火箭发射失利实例,讲述能控性的重要性和应对策略。

3、课后学习:要求学生完成布置的作业,预习下一单元课程内容。

作业与

思考题设置

一、作业:

1、整理课堂笔记

2、课后同学自己进行本单元知识总结,绘制本节知识体系的思维导图。

二、思考题:

降维

状态观测器在工程中有哪些应用?举几个实例。

学习效果、学生反馈、反思改进措施等

一、学习效果

1、在教学过程中有目的、有针对性的实施问题驱动、教师引动、学生主动、多元互动,实现抽象的知识具体化,从外在教育转化为学生的内在自我教育,在知、情、意、行方面,得到了提高和升华,充分发挥学生在学习中的主体作用。

2、注意板书重要概念和知识要点;用多媒体演示使课堂更加丰富多彩。

3、将思政案例有机融于各知识点拓展讲授当中,培养学生的爱国精神。

二、学生反馈:

1、学生数学基础较薄弱,对控制理论的推导过程需较长时间消化。

2、学生缺乏对工程现象的抽象理解,课堂自控能力、语言表达能力和学习积极性等都直接的影响了教学效果。

三、改进措施

1、鼓励学生多听、多看、多想、多参加实践活动,做到教师和学生相结合、课上课下相结合、学校和社会相结合。

2、针对学生的实际情况进行教学手段和方法的进一步改革和创新。

备注

 

 


知识单元名称

5.6带状态观测器的状态反馈控制、解耦控制

课次

15

线上教学

授课类型

理论课讨论课实验课习题课其他

学时

2

课程目标与要求

1.知识目标:熟悉分离定理内容,掌握动态输出反馈控制和解耦控制方法。

2.能力目标:在工程实践中熟练应用各类反馈控制器。

3.思政目标:带领学生了解控制系统综合设计的重要性,树立精益求精的工匠精神。

本单元重点

与难点内容

重点:带状态观测器的状态反馈控制(动态输出反馈控制)

难点:解耦控制

教学内容

复习巩固

1、回忆:状态反馈控制器、状态观测器设计;

2、提示学生,静态输出反馈与经典控制理论中的哪种控制器结构相似?优缺点各是什么?(强调)

 

新课讲授

一、分离定理

在动态输出反馈控制方式中,状态反馈控制器与状态观测器相互独立设计

 

二、动态输出反馈控制

1 基本定理

定理1:系统∑0 =A,B,C)通过输出反馈能镇定的充要条件是∑0结构分解中的能控且能观子系统是输出反馈能镇定的,其余子系统是渐近稳定的。

定理2:对系统0 =A,B,C)采用从输出到状态反馈实现镇定的充要条件是0的不能观子系统为渐近稳定。

 2 状态反馈控制器与状态观测器设计方法

见前两节内容,此略。

 

三、解耦控制

1问题的提法

解耦控制是近年来控制理论发展中越来越引起人们重视的一个分支。其设计目的就是寻求适当的控制律,使MIMO耦合受控对象所构成的闭环控制系统。实现系统的每个输出仅仅由一个输入控制,且不同的输出由不同的输入所控制,这样的问题称之为解耦问题。

 

 

 

 

 

 

 

 

实际上,为了综合解耦控制问题,将面临两个有待研究的命题。一个是研究受控系统的可解耦性(充要条件),即可解耦性的判别问题。另一个是确定解耦控制规律及解耦系统的结构,即要解决解耦系统的具体综合问题。

2状态反馈解耦算法原理

几点说明:

1)     受控系统能否可采用状态反馈和输入变换来实现解耦,唯一取决于diE。从表面上看,系统的能控性或能镇定性在这里是无关重要的。但是,从解耦后系统要能正常工作和具有良好的动态性能而言,仍需要系统是能控的,或至少是能镇定的。否则,甚至不能保证闭环系统是渐近稳定的,此时,解耦控制也就失去了意义。

2)     既可从系统的传递函数矩阵描述来判别E,也可从状态空间描述来判别E,从而判断系统能否采用状态反馈和输入变换实现解耦。

3)     当选取为:L=E-1K=E-1F时,必可使系统解耦。

可见,解耦后每个SISO闭环控制系统的传递函数均具有多重积分器的特性,因此称为积分型解耦。此解耦系统虽具有不能令人满意的动态性能,导致基本上没有实际应用价值,但它常常是综合性能满意的解耦控制系统中的中间性步骤,因此仍有研究价值。

2状态反馈解耦算法步骤

此略。

 

教学过程设计:

教学方法及手段、课堂互动题设置、教学改革措施等

一、教学教具

教材、讲义、多媒体课件、网络教学平台、黑板

二、教学方法及手段

1、课前预习:要求学生在课前用30分钟阅读指定章节内容,根据预设问题做好笔记,课程开始前5分钟通过抽查掌握学生的学习态度和预习效果。

2、课中教学:

1)讲授环节:对课程知识点进行讲授和强调,帮助学生理解,启发学生思维;

2)课堂练习:详解例题和习题,根据听课注意力是否集中、师生互动测试学生对知识点的把握程度。

3、课后学习:要求学生完成布置的作业,预习下一单元课程内容。

作业与

思考题设置

一、作业:

1、整理课堂笔记

2、课后同学自己进行本单元知识总结,绘制本节知识体系的思维导图。

二、思考题:

解耦控制在工程中有哪些应用?举几个实例。

学习效果、学生反馈、反思改进措施等

一、学习效果

1、在教学过程中有目的、有针对性的实施问题驱动、教师引动、学生主动、多元互动,实现抽象的知识具体化,从外在教育转化为学生的内在自我教育,在知、情、意、行方面,得到了提高和升华,充分发挥学生在学习中的主体作用。

2、注意板书重要概念和知识要点;用多媒体演示使课堂更加丰富多彩。

3、将思政案例有机融于各知识点拓展讲授当中,培养学生的爱国精神。

二、学生反馈:

1、学生数学基础较薄弱,对控制理论的推导过程需较长时间消化。

2、学生缺乏对工程现象的抽象理解,课堂自控能力、语言表达能力和学习积极性等都直接的影响了教学效果。

三、改进措施

1、鼓励学生多听、多看、多想、多参加实践活动,做到教师和学生相结合、课上课下相结合、学校和社会相结合。

2、针对学生的实际情况进行教学手段和方法的进一步改革和创新。

备注

 

 


知识单元名称

课程知识总结

课次

16

授课类型

理论课讨论课实验课习题课其他

学时

2

课程目标与要求

1.知识目标:全面复盘知识点,查漏补缺。

2.能力目标:熟练掌握现代控制理论并与工程实践相结合。

3.思政目标:带领学生了解现代控制理论的重要性,作新时代大国工匠。

本单元重点

与难点内容

重点:状态空间建模、状态方程的解、能控能观性、稳定性、系统综合

难点:Lyapunov稳定性分析

教学内容

复习巩固

提示学生各章的知识点是什么?(强调)

1 控制系统的状态空间描述

2 状态方程的解

3 线性系统的能控性与能观性

4 控制传统的李亚普诺夫稳定性分析

5 状态反馈与状态观测

 

学生作业点评及解答

在针对学生反应的难点做深入剖析。

 

教学过程设计:

教学方法及手段、课堂互动题设置、教学改革措施等

一、教学教具

教材、讲义、多媒体课件、网络教学平台、黑板

二、教学方法及手段

1、课前预习:要求学生在课前用30分钟阅读指定章节内容,根据预设问题做好笔记,课程开始前5分钟通过抽查掌握学生的学习态度和预习效果。

2、课中教学:

1)讲授环节:对课程知识点进行讲授和强调,帮助学生理解,启发学生思维;

2)课堂练习:详解例题和习题,根据听课注意力是否集中、师生互动测试学生对知识点的把握程度。

3、课后学习:要求学生完成布置的作业

三、思政案例:

1、核心要点:新时代大国工匠

2、主要内容:

开路架桥,从来都是百年大计。港珠澳大桥建设者不仅继承了百年大计的优良传统,更有着新时代造桥人勇创一流的民族志气,面对中国交通建设史上技术最复杂、施工难度最大、工程规模最庞大的桥梁,首次采用设计使用年限120年的建设标准。

面对前所未有的挑战,中交四航局技术研究院总工程师王胜年带领建设者团队,充分利用先期积累的20余年耐久性数据,按照可靠性设计方法对上万组数据一一分析。面对每天十几小时高强度工作,没有人抱怨,更没有人后悔。我们就是跟各种数据杠上了,为满足120年的设计标准要求。7年的刻苦攻关,他们终于确定了工程混凝土的耐久性设计指标,达到国际领先水平。

作为前所未有的超级工程,建设者们首创了深插钢圆筒快速成岛技术,用7个月就完成了两个外海人工岛的成岛,开创了当年动工、当年成岛的世界外海筑岛工程奇迹;创新了组合基床+复合地基的沉管隧道基础方案,开发了外海深水基础施工成套技术和装备,取得了33节沉管实测沉降在6厘米左右的重大突破;首创曲线沉管工厂法预制技术,预制了33节全世界最大的混凝土沉管;创新提出可折叠主动止水的结构理念,发明了整体式主动止水接头,最终对接精度达到了毫米级……

多年前,我们是发达国家交通工程的跟随者、模仿者,但今天我们已经成为了技术的领跑者,无论是技术基础、人才素质、建设规模,都已是首屈一指了。中国桥梁建设者攻坚克难的背后,代表着中国路桥建设事业的巨大飞跃。

作业与

思考题设置

一、作业:

1、整理课堂笔记

2、课后同学自己进行本单元知识总结,绘制第一节知识体系的思维导图。

二、思考题:

课后利用网络资源,了解现代控制理论的发展及其热点研究方向。

学习效果、学生反馈、反思改进措施等

一、学习效果

1、在教学过程中有目的、有针对性的实施问题驱动、教师引动、学生主动、多元互动,实现抽象的知识具体化,从外在教育转化为学生的内在自我教育,在知、情、意、行方面,得到了提高和升华,充分发挥学生在学习中的主体作用。

2、注意板书重要概念和知识要点;用多媒体演示使课堂更加丰富多彩。

3、将思政案例有机融于各知识点拓展讲授当中,培养学生的爱国精神。

二、学生反馈:

1、学生数学基础较薄弱,对控制理论的推导过程需较长时间消化。

2、学生缺乏对工程现象的抽象理解,课堂自控能力、语言表达能力和学习积极性等都直接的影响了教学效果。

三、改进措施

1、鼓励学生多听、多看、多想、多参加实践活动,做到教师和学生相结合、课上课下相结合、学校和社会相结合。

2、针对学生的实际情况进行教学手段和方法的进一步改革和创新。

备注

 

 

 

 

                                                          长沙理工大学电气与信息工程学院